GM Service Manual Online
For 1990-2009 cars only
Makes
🢒
Chevrolet
🢒
2005
🢒
Colorado Pickup - 2WD
🢒
Body
🢒
Wipers/Washer Systems
🢒 Wiper/Washer Schematics
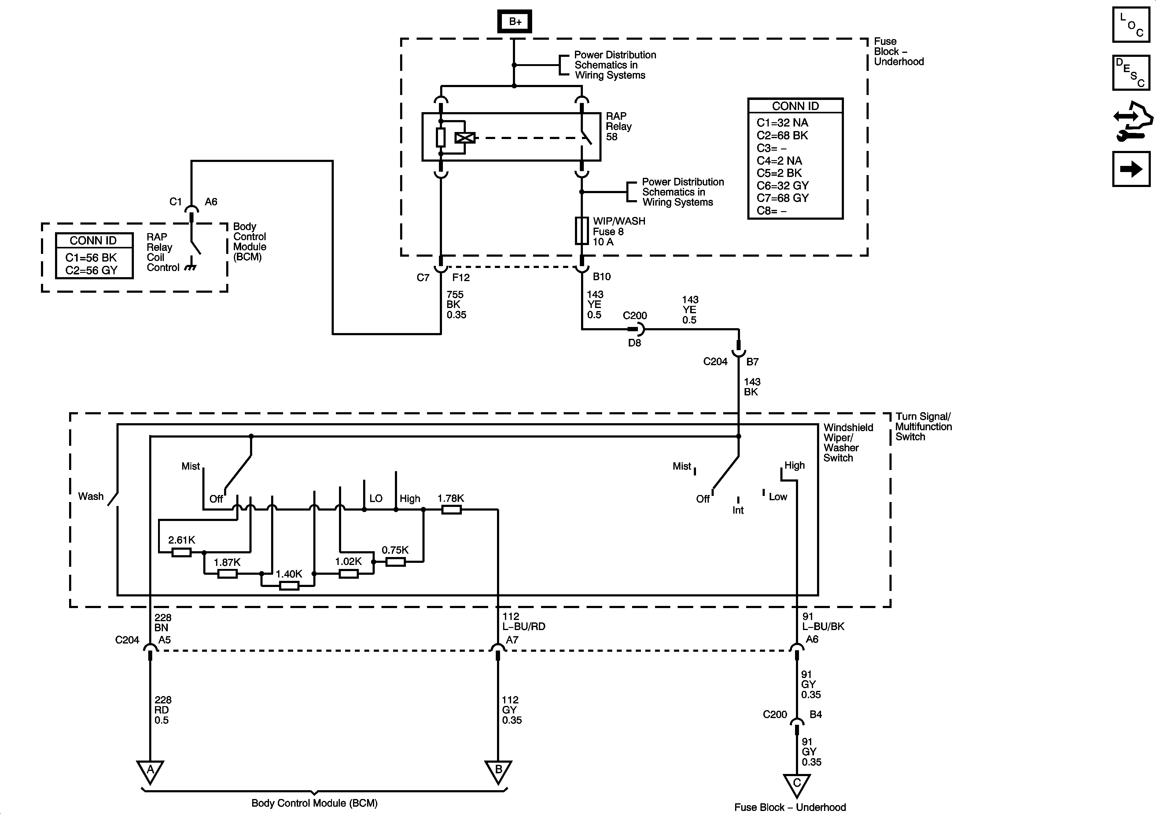
Figure
1:
Windshield Washer Switch
Master Electrical Component List
Wiper/Washer System Description and Operation
Body Control Module (BCM) Programming/RPO Configuration
Windshield Wiper Motor and Windshield Washer Fluid Pump
B+ Bus - Underhood Fuse Block
B+ Bus - Underhood Fuse Block
Windshield Wiper Motor and Windshield Washer Fluid Pump
Windshield Wiper Motor and Windshield Washer Fluid Pump
Figure
2:
Windshield Wiper Motor and Windshield Washer Fluid Pump
Master Electrical Component List
Body Control Module (BCM) Programming/RPO Configuration
Windshield Washer Switch
Windshield Washer Switch
Windshield Washer Switch
B+ Bus - Underhood Fuse Block
Splice Pack SP105 and G105 - 1 of 2
Splice Pack SP105 and G105 - 1 of 2
Splice Pack SP105 and G105 - 1 of 2