GM Service Manual Online
For 1990-2009 cars only
Makes
🢒
Chevrolet
🢒
2007
🢒
Colorado Pickup - 2WD
🢒
Seats
🢒
Power Seats
🢒 Passenger Seat Schematics
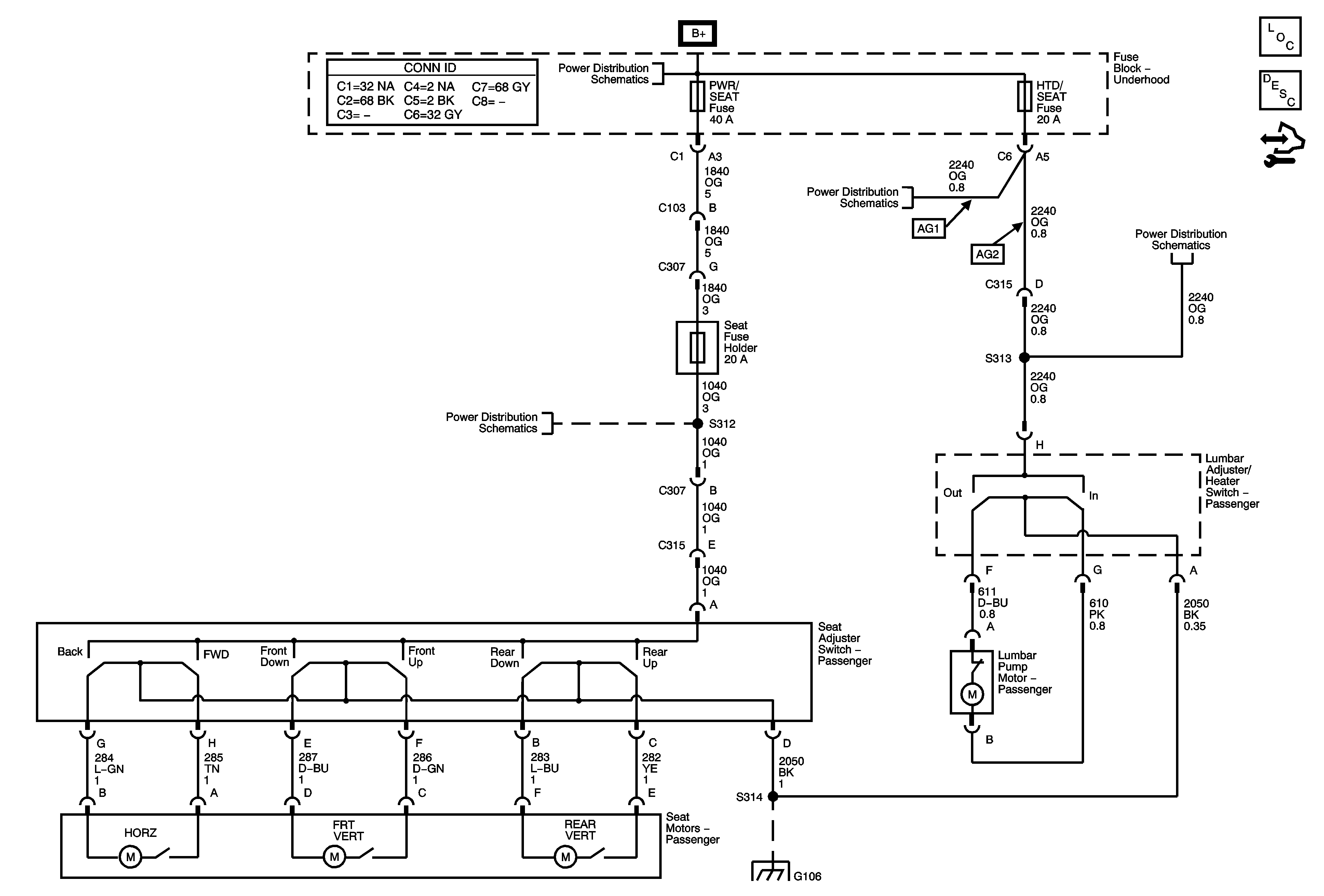
Figure
1:
Power Seat and Lumbar Controls
Master Electrical Component List
Power Seats System Description and Operation
Body Control Module Programming and Setup
B+ Bus - Underhood Fuse Block
A/C, BLOWER, DOOR LOCK, HTD SEAT, ONSTAR, TBC, TURN/HAZ FR, and TURN/HAZ RR Fuses
A/C, BLOWER, DOOR LOCK, HTD SEAT, ONSTAR, TBC, TURN/HAZ FR, and TURN/HAZ RR Fuses
FUEL PUMP, PWR/SEAT, LH HDLP, and RH HDLP Fuses
Splice Pack SP106 and G106 - 1 of 2
Figure
2:
Passenger Heat Controls
Master Electrical Component List
Heated Seats Description and Operation
Body Control Module Programming and Setup
Driver Heat Controls
B+ Bus - Underhood Fuse Block
A/C, BLOWER, DOOR LOCK, HTD SEAT, ONSTAR, TBC, TURN/HAZ FR, and TURN/HAZ RR Fuses
Seat Belt Schematics
A/C, BLOWER, DOOR LOCK, HTD SEAT, ONSTAR, TBC, TURN/HAZ FR, and TURN/HAZ RR Fuses
A/C, BLOWER, DOOR LOCK, HTD SEAT, ONSTAR, TBC, TURN/HAZ FR, and TURN/HAZ RR Fuses
Splice Pack SP106 and G106 - 1 of 2