GM Service Manual Online
For 1990-2009 cars only
Makes
🢒
Chevrolet
🢒
2007
🢒
Colorado Pickup - 2WD
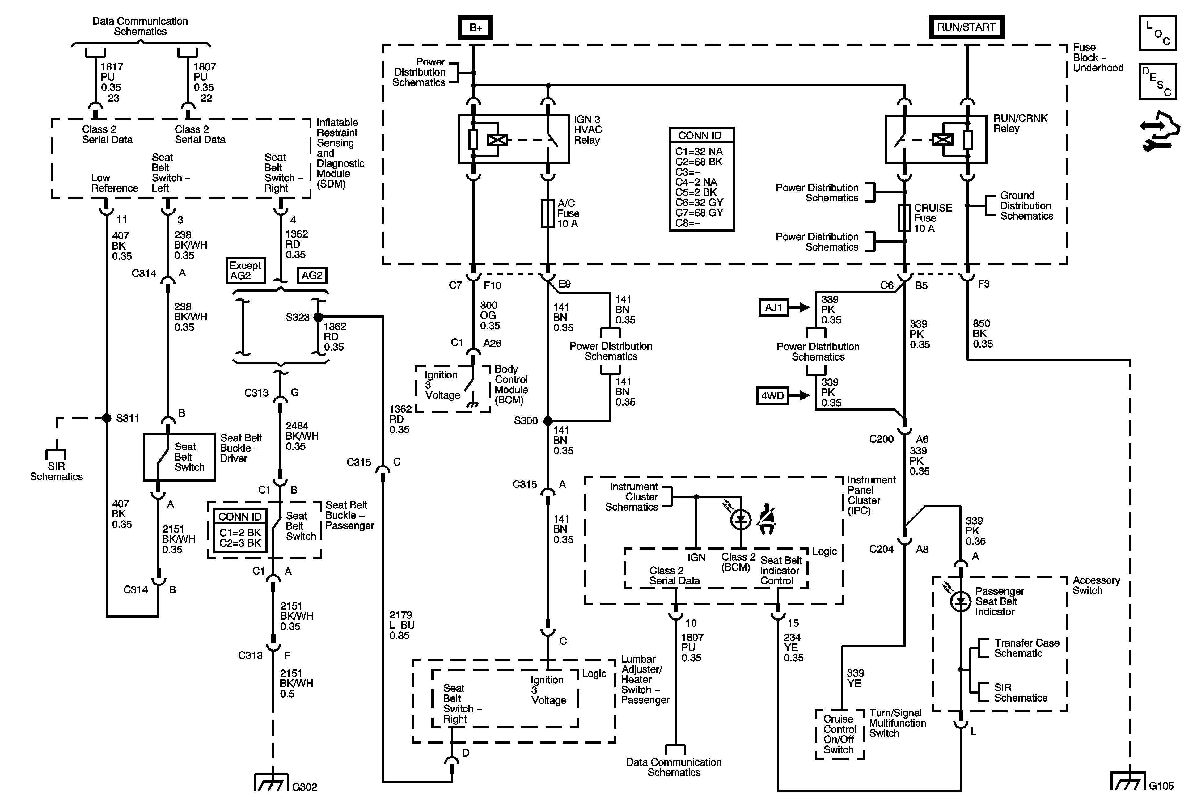
🢒 Seat Belt Schematics
Seat Belt Schematics
Master Electrical Component List
Seat Belt System Description and Operation
Body Control Module Programming and Setup
Data Communication Schematics
B+ Bus - Underhood Fuse Block
RUN/CRANK RELAY BUS - 1 of 3, CRUISE, SIR, and TRANS Fuses
RUN/CRANK RELAY BUS - 1 of 3, CRUISE, SIR, and TRANS Fuses
Splice Pack SP105 and G105 - 1 of 2
Seat Position Sensors, and Seat Belt Pretensioners
G300, G301, and G302
A/C, BLOWER, DOOR LOCK, HTD SEAT, ONSTAR, TBC, TURN/HAZ FR, and TURN/HAZ RR Fuses
RUN/CRANK RELAY BUS - 1 of 3, CRUISE, SIR, and TRANS Fuses
Indicators
Data Communication Schematics
Shift Control Switch Inputs
PPS Sensors and Indicators
Splice Pack SP105 and G105 - 1 of 2