GM Service Manual Online
For 1990-2009 cars only
Makes
🢒
Chevrolet
🢒
2007
🢒
Colorado Pickup - 2WD
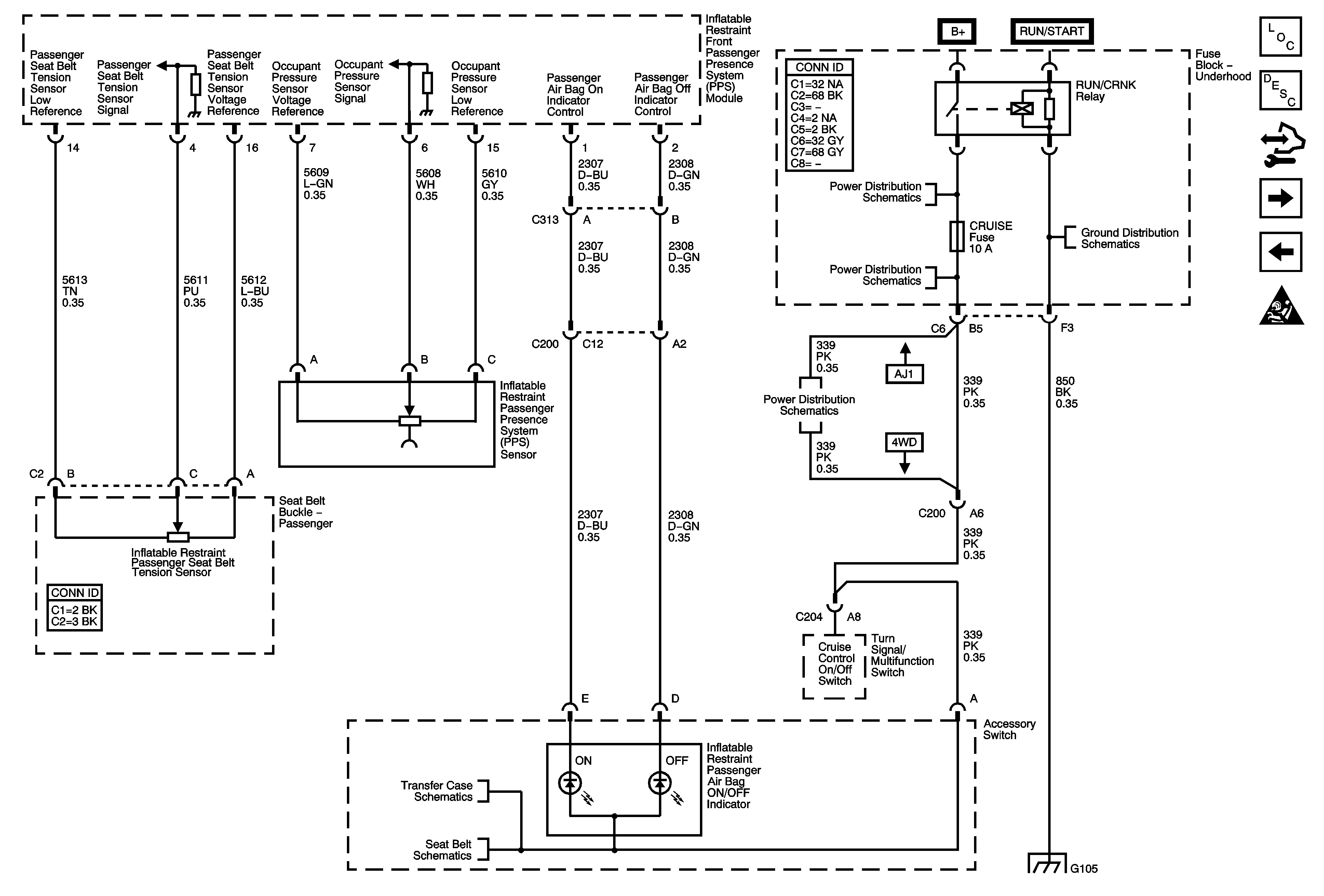
🢒 PPS Sensors and Indicators
PPS Sensors and Indicators
PPS Sensors and Indicators
Master Electrical Component List
SIR System Description and Operation
Body Control Module Programming and Setup
Seat Position Sensors, and Seat Belt Pretensioners
Side Impact Sensors, Front End Sensors, and Modules
SIR Schematic Icons
RUN/CRANK RELAY BUS - 1 of 3, CRUISE, SIR, and TRANS Fuses
RUN/CRANK RELAY BUS - 1 of 3, CRUISE, SIR, and TRANS Fuses
RUN/CRANK RELAY BUS - 1 of 3, CRUISE, SIR, and TRANS Fuses
Shift Control Switch Inputs
Seat Belt Schematics
Splice Pack SP105 and G105 - 1 of 2
Splice Pack SP105 and G105 - 1 of 2