GM Service Manual Online
For 1990-2009 cars only
Makes
🢒
Chevrolet
🢒
2007
🢒
Colorado Pickup - 2WD
🢒 Starting System - M30
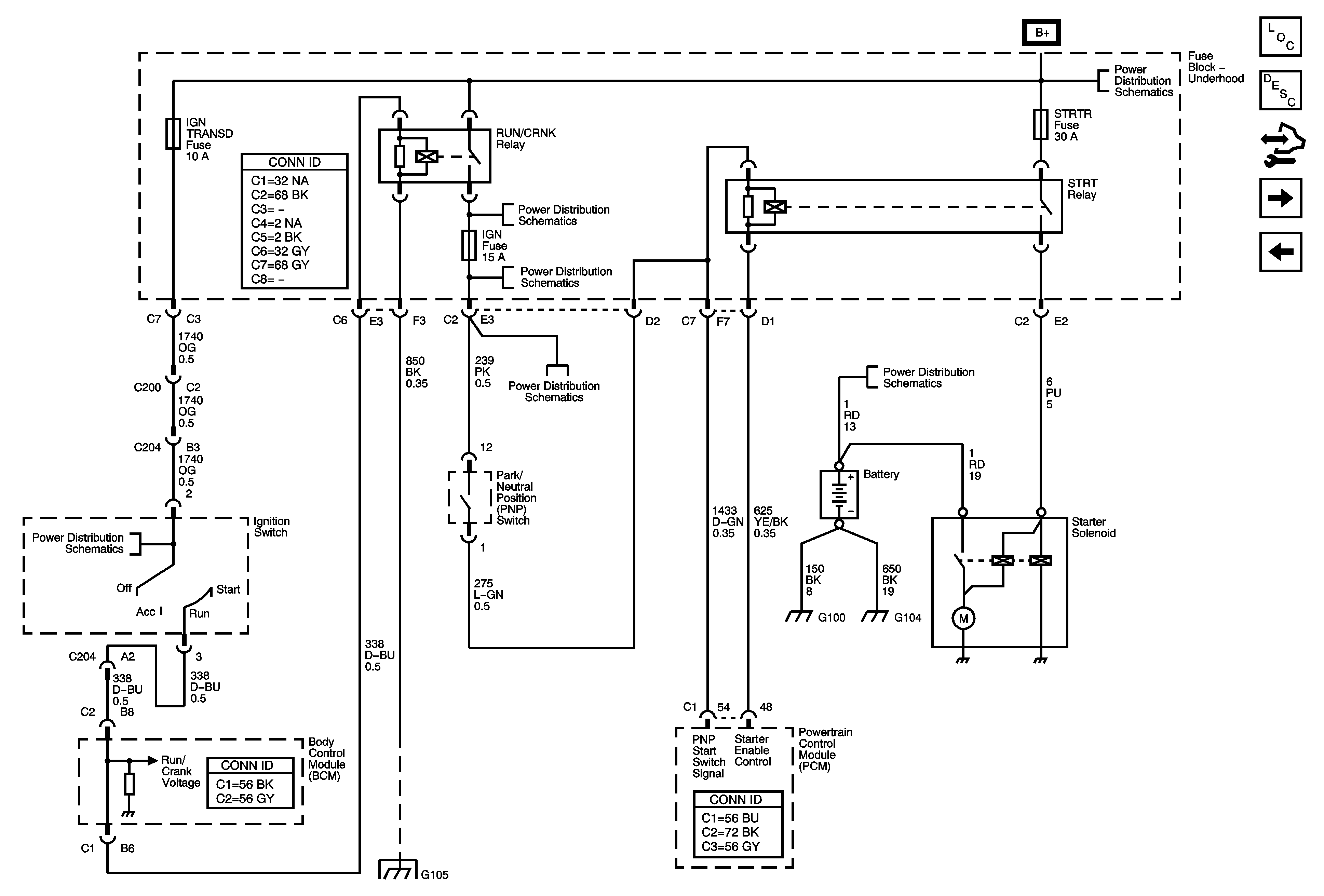
Starting System - M30
Starting System - M30
Master Electrical Component List
Starting System Description and Operation
Body Control Module Programming and Setup
Charging System
Starting System - MA5
B+ Bus - Underhood Fuse Block
B+ Bus - Underhood Fuse Block
RUN/CRANK RELAY BUS - 2 of 3, ABS, BACKUP, and IGN Fuses
RUN/CRANK RELAY BUS - 2 of 3, ABS, BACKUP, and IGN Fuses
B+ Bus - Underhood Fuse Block
Ignition Switch and IGN TRANS D Fuse
Splice Pack SP1`05 and G105 - 1 of 2