GM Service Manual Online
For 1990-2009 cars only
Makes
🢒
Chevrolet
🢒
2007
🢒
Colorado Pickup - 2WD
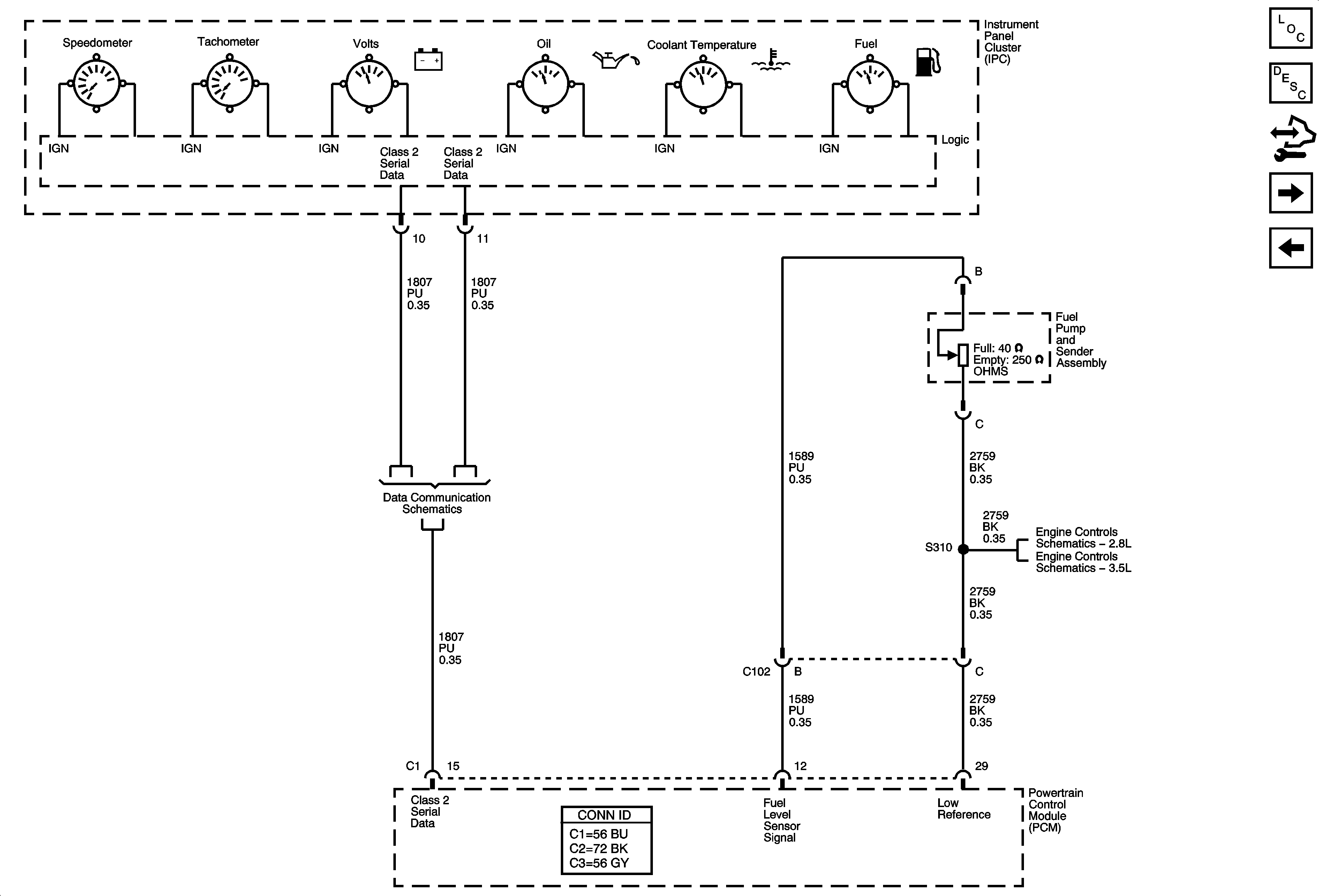
🢒 Gages
Gages
Gages
Master Electrical Component List
Instrument Cluster Description and Operation
Body Control Module Programming and Setup
Indicators
Power, Ground, Serial Data, MIL, and Security
Data Communication Schematics
Fuel Controls - EVAP Controls
Fuel Controls - EVAP Controls