GM Service Manual Online
For 1990-2009 cars only
Makes
🢒
Chevrolet
🢒
2007
🢒
Colorado Pickup - 2WD
🢒 OnStar Schematics
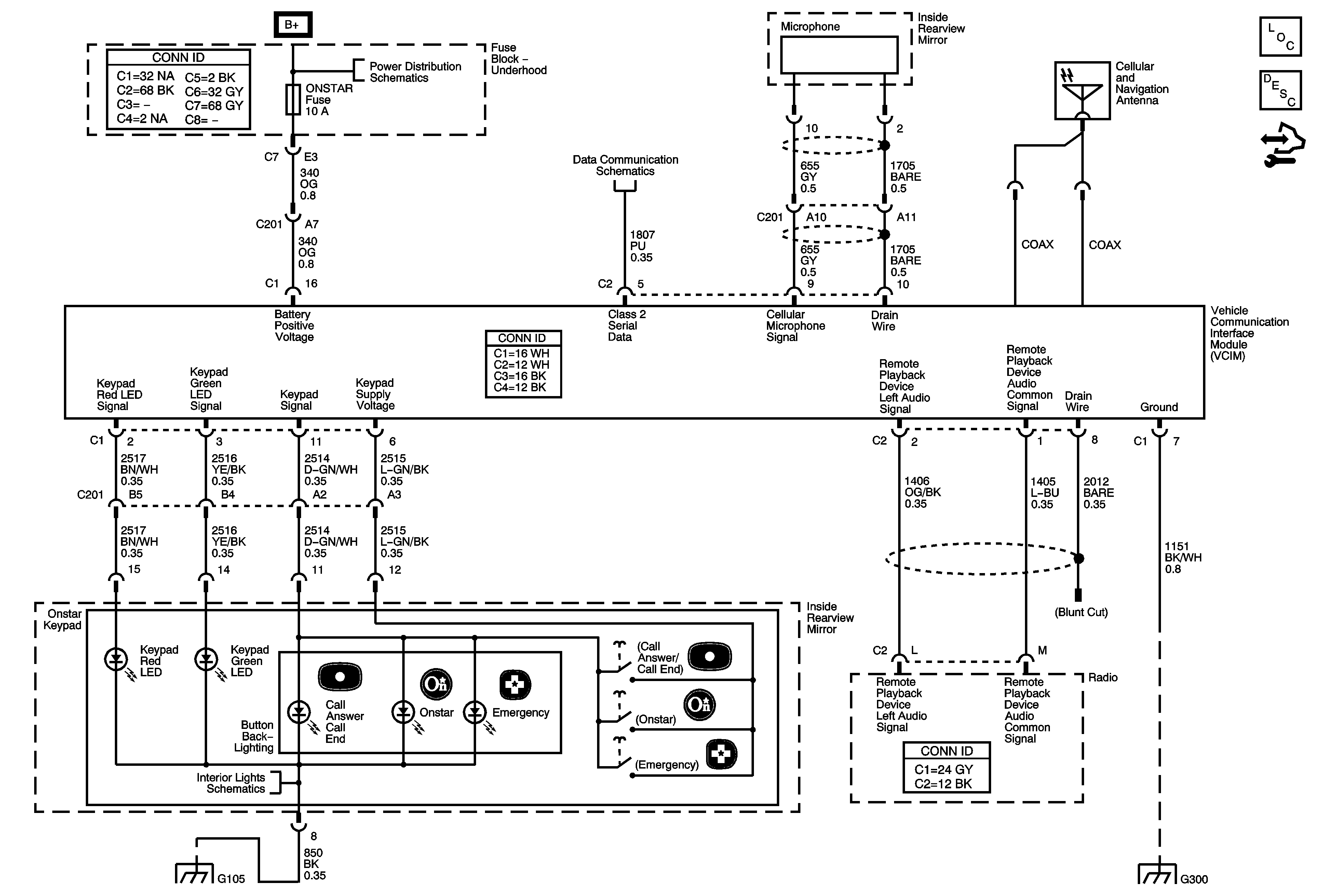
OnStar Schematics
Master Electrical Component List
OnStar Description and Operation
Body Control Module (BCM) Programming/RPO Configuration
B+ Bus - Underhood Fuse Block
Data Communication Schematics
Inside Rearview Mirror, Dome Lamp, Footwell Lamps, and Cargo Lamp
Splice Pack SP105 and G105 - 1 of 2
G300, G301, and G302