GM Service Manual Online
For 1990-2009 cars only

Engine Cranks But Does Not Run 2.2 SFI VIN4

Refer to

Ignition Controls


Object Number: 31684  Size: FS
Engine Controls Components
Electronic Ignition (EI) System
Fuel Controls
Power, Ground, MIL, and DLC
OBD II Symbol Description Notice
Handling ESD Sensitive Parts Notice
Handling ESD Sensitive Parts Notice
and

Fuel Controls


Object Number: 31687  Size: FS
Engine Controls Components
Fuel Metering System Components
Engine Data Sensors
Ignition Controls
OBD II Symbol Description Notice
Handling ESD Sensitive Parts Notice
for wiring view.

Circuit Description

Important: The Camshaft Position (CMP) Sensor is only used for misfire detection and is not part of the ignition system.

This engine is equipped with a distributorless ignition system called, the Electronic Ignition (EI) system. The primary circuit of the EI system consists of two separate ignition coils, an Electronic Ignition Control Module (ICM) and Crankshaft Position (CKP) sensor as well as the related connecting wires and the ignition control portion of the PCM. Each secondary circuit consists of the secondary winding of the coil, two connecting metal strips are molded into the coil housing, the spark plug boot/connector assemblies and spark plugs.

Diagnostic Aids

    • A small amount of resistance in the Battery Positive voltage circuit may cause a no start with a functioning MIL. Check circuit C2-03 for resistance.
    • Check the Throttle Position (TP) sensor for binding or sticking or for being intermittently shorted or open.
    • Check for water or foreign material in the fuel system.
    • Check for a basic engine problem (low compression).
    • Verify that only resistor spark plugs are used.
    • A scan tool can be used to energize the fuel pump ON to check fuel pump operation and for ignition voltage at the injector harness.

Test Description

Number(s) below refer to the step number(s) on the Diagnostic Table.

  1. The OBD System Check prompts the Technician to complete some basic checks and store the Freeze Frame Data and the Failure records on the scan tool if applicable. This creates an electronic copy of the data taken when the fault occurred. This information on the scan tool can be referred to later.

  2. This verifies that the fuel injectors are receiving proper voltage.

  3. The fuel pump should be turned ON by the PCM for 2-3 seconds after ignition is first turned ON. Turn the ignition OFF for at least 10 seconds to assure that the PCM powers down. The PCM will then switch the fuel pump back ON. Whenever the fuel pump does not operate, Engine Cranks But Does Not Run (Fuel Pump Circuit) should be used to diagnose the cause.

  4. Battery voltage should be available at terminal C of the CKP sensor harness, and terminal B should be a good ground.

  5. By grounding the test light to terminal B and B+, ensures the integrity of the ground circuit.

  6. The CKP Activity Counter should go to 256 counts, before starting back at 0. At this point it is important that the CKP Activity Counter is incrementing.

  7. This verifies a frequency output from the PCM.

  8. If ignition control A and ignition control B are shorted together, there will not be a frequency signal. This step determines if ignition control A and ignition control B are shorted together.

  9. Thoroughly examine the CKP sensor connector. It should be free of corrosion and contaminants, and pins should be making proper contact.

  10. This will verify if the open circuit is in the ICM or the circuit.

Engine Cranks But Does Not Run

Step

Action

Value(s)

Yes

No

1

Was the Powertrain On-Board Diagnostic (OBD) System Check performed?

--

Go to Step 2

Go to Powertrain On Board Diagnostic (OBD) System Check

2

Inspect the PCM ground connection at the engine block.

Is the ground connection clean and tight?

--

Go to Step 3

Go to Step 22

3

Inspect the fuel pump/injector fuse and the ignition fuse.

Are the fuses OK?

--

Go to Step 4

Go to Step 31

4

  1. Install a scan tool.
  2. Ignition ON engine OFF, throttle closed.

Does the TP sensor voltage read less than the specified value?

1.0V

Go to Step 5

Go to DTC P0121 Throttle Position (TP) Sensor Performance

5

Is the Engine Coolant Temperature and the Intake Air Temperature close to each other?

--

Go to Step 6

Go to DTC P0118 Engine Coolant Temperature (ECT) Sensor Circuit High Voltage

6

Check the Manifold Absolute Pressure (MAP) sensor while cranking the engine.

Does the MAP sensor voltage change value while cranking the engine?

--

Go to Step 9

Go to Manifold Absolute Pressure Sensor Output Diagnosis

7

  1. Disconnect all the fuel injector electrical connectors.
  2. Install a fuel injector test light on any cylinder.
  3. Crank the engine and observe the light.
  4. Repeat above procedures for cyl. #2, #3, and #4.

Did the test light flash ON and OFF on all the cylinders?

--

Go to Step 8

Go to Step 19

8

  1. Install a fuel pressure gauge. Refer to Fuel System Diagnosis for installation procedure.
  2. Ignition ON for greater than two seconds.

Is the fuel pressure within the specified value?

284-325 kPa (41-47 psi)

System OK Refer to Diagnostic Aids

Go to DTC P1441 Evaporative Emission (EVAP) System Flow During Non-Purge

9

Scan the CKP Act Cnt on the scan tool while cranking the engine.

Does the CKP Act Cnt increment on the scan tool?

--

Go to Step 10

Go to Step 11

10

  1. Install spark plug tester tool J 26792 on cylinder #1.
  2. Leave the other three ignition cables connected.
  3. Crank the engine and check for spark.
  4. Repeat procedure on cylinder #2, #3, and #4.

Is spark observed on all of the cables?

--

Go to Step 7

Go to Step 14

11

  1. Ignition OFF.
  2. Disconnect the Crankshaft Position Sensor electrical connector.
  3. Ignition ON.
  4. With a test light connected to ground.
  5. Probe CKP sensor harness terminal C.

Does the test light illuminate?

--

Go to Step 12

Go to Step 32

12

  1. Ignition OFF.
  2. With a test light connected to B+.
  3. Probe CKP sensor harness terminal 'B'.

Does the test light illuminate?

--

Go to Step 13

Go to Step 20

13

  1. Ignition ON.
  2. Connect a test light to CKP sensor harness terminal A. With the other end of the test light probe the battery positive terminal then the battery negative terminal several times.

Does the CKP Act Cnt increment?

--

Go to Step 23

Go to Step 25

14

  1. Ignition OFF.
  2. Disconnect the 2 pin ICM connector.
  3. Connect a DVM to ground.
  4. Probe the ICM harness connector terminal D.
  5. Check the frequency while cranking the engine.
  6. Repeat the procedures with terminal E on the ICM harness connector.

Do both terminals D and E show frequency between the specified value?

1-10 Hz

Go to Step 15

Go to Step 16

15

  1. Ignition ON.
  2. Disconnect the Ignition Control Module (ICM) electrical connector.
  3. With a DVM, measure the voltage by probing the ICM harness terminal A to B.

Is the voltage within the specified value?

B+

Go to Step 26

Go to Step 28

16

  1. Ignition OFF.
  2. With a test light connected to B+, probe terminal D.
  3. With a test light connected to B+, probe terminal E.

Did the test light illuminate on one or both terminals?

--

Go to Step 17

Go to Step 18

17

  1. Disconnect the PCM electrical connector at the PCM.
  2. Connect a test light to B+, probe terminal D on the harness.
  3. Connect a test light to B+, probe terminal E on the harness.

Did the test light illuminate on one or both terminals?

--

Go to Step 29

Go to Step 24

18

  1. Ignition OFF.
  2. With a DVM measure the resistance across the ICM connector D and E.

Is the resistance within the specified value?

Go to Step 30

Go to Step 29

19

If the injector test light failed to flash on all four cylinders check for an open ignition feed circuit.

Was a problem found

--

Go to Step 33

Go to Step 21

20

Check the CKP sensor ground circuit for a open. Repair as necessary.

Was a problem found?

--

Go to Step 33

Go to Step 24

21

Check for an open or grounded circuit in the cylinder that did not flash the injector test light.

Was a problem found?

--

Go to Step 33

Go to Step 24

22

Repair the PCM ground connection.

Is the action complete?

--

Go to Step 33

--

23

Check the CKP sensor connectors. If OK replace the CKP sensor.

Is the action completed?

--

Go to Step 33

--

24

Check the PCM connector if OK replace the PCM.

Is the action completed?

--

Go to Step 33

--

25

Check for a short or an open in the CKP sensor 7x signal circuit.

Was a problem found?

--

Go to Step 33

Go to Step 24

26

Replace the ignition coil for the affected cylinder(s) that did not spark with a known good ignition coil.

Did the engine start.

--

Go to Step 33

Go to Step 27

27

Replace the Ignition Control Module (ICM).

Is the action completed?

--

Go to Step 33

--

28

  1. Inspect the ground circuit and the ignition circuit for an open.
  2. Repair the circuit as necessary.

Is the action completed?

--

Go to Step 33

--

29

Repair the short in ignition control CKT A or B.

Is the action complete?

--

Go to Step 33

--

30

  1. Check for a short or open in the Ignition Control circuit A and Ignition Control circuit B.
  2. Repair circuit as necessary.

Was a circuit repair necessary?

--

Go to Step 33

Go to Step 24

31

  1. Check for a short to ground in the fuel pump and the injector ignition feed circuit and repair as necessary.
  2. Replace the open fuse.

Is the action completed?

--

Go to Step 33

--

32

Check for an open or short in the CKP positive voltage circuit. Repair as necessary.

Was a repair necessary?

--

Go to Step 33

Go to Step 24

33

  1. Using the scan tool, clear DTCs.
  2. Attempt to start the engine.

Does the engine start and continue to run?

--

Go to Step 34

Go to Step 2

34

  1. Allow the engine to idle until normal operating temperature is reached.
  2. Check if any DTCs are set.

Are any DTCs displayed?

--

Go to applicable DTC Table

System OK

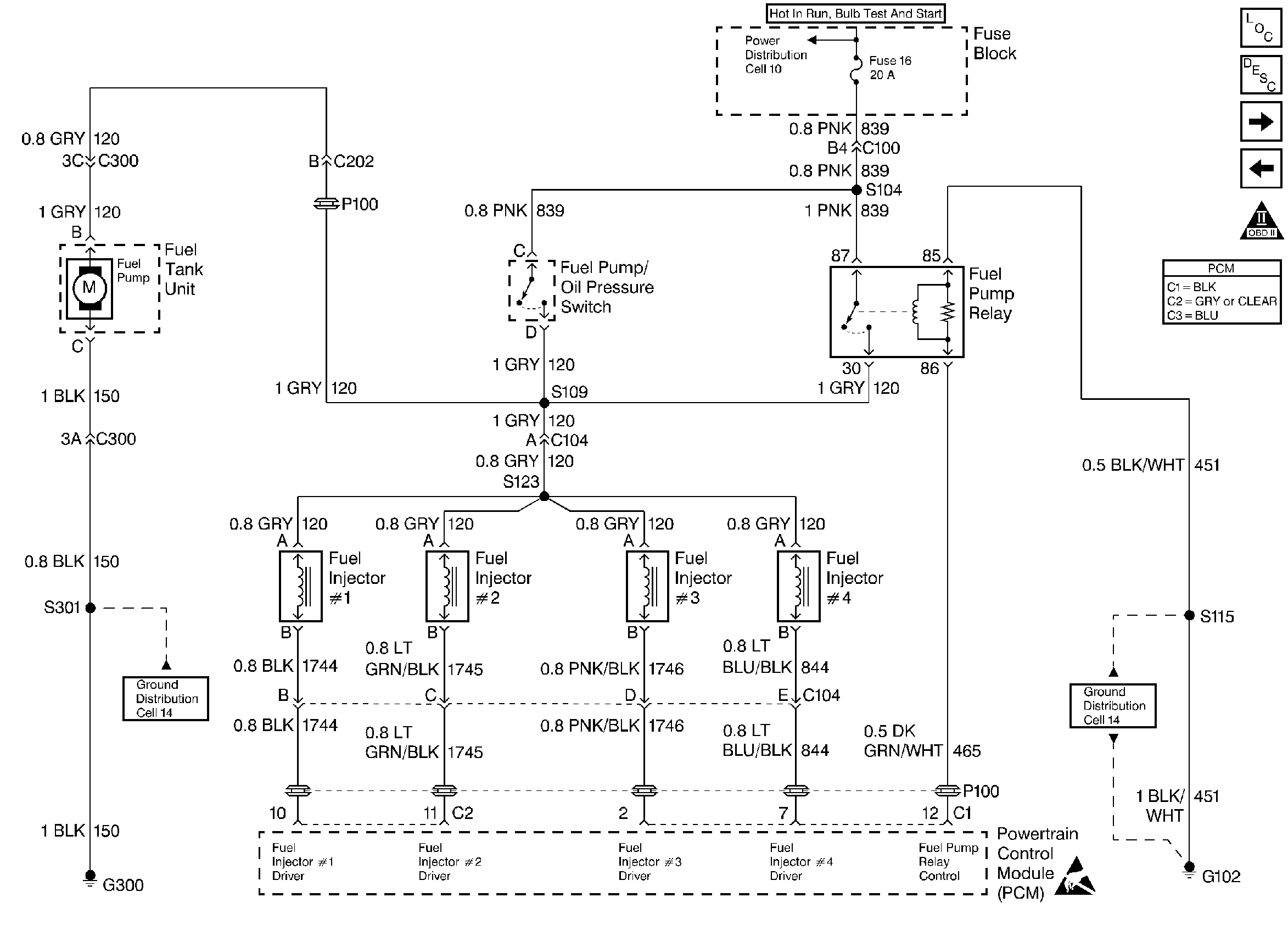
Engine Cranks But Does Not Run Fuel Pump Circuit


Object Number: 32837  Size: LF
Engine Controls Components
Fuel Controls
OBD II Symbol Description Notice
Handling ESD Sensitive Parts Notice

Circuit Description

When the ignition switch is turned ON, the Powertrain Control Module (PCM) turns ON the in-tank fuel pump. It will remain ON as long as the PCM is receiving ignition reference pulses from the electronic Ignition Control Module (ICM). If there are no reference pulses, the PCM will shut OFF the fuel pump about 2-3 seconds after the ignition is turned ON, about 10 seconds after the reference pulses stop.

The fuel pump delivers fuel to the fuel rail and fuel injectors, then to the fuel pressure regulator, where the system pressure is controlled to 283-324 kPa (41-47 psi) with no manifold vacuum or 214-303 kPa (31-44 psi) at idle. Excess fuel is then returned to the fuel tank.

Improper fuel system pressure will result in one or all of the following symptoms:

    • Cranks but will not run
    • DTC P0108
    • DTC P0171
    • DTC P0172
    • DTC P0300
    • DTC P1171
    • Cuts out, may feel like an ignition problem
    • Poor fuel economy, loss of power
    • Hesitation

Diagnostic Aids

An intermittent may be caused by a poor connections, rubbed through wire insulation, or a broken wire inside of the inslation.

Any circuitry, that is suspected as causing an intermittent complaint, should be throughly checked for the following conditions:

    • Backed out terminals
    • Improper mating
    • Broken locks
    • Improperly formed or damaged terminals
    • Physical damage to the wiring harness
    • Corrosion

Test Description

Number(s) below refer to step number(s) on the Diagnostic Table.

  1. The Powertrain OBD System Check prompts the technician to complete some basic checks and stores the freeze frame and failure records data on the scan tool, if applicable. This creates an electronic copy of the data taken when the fault occurred. The information is then stored in the scan tool for later reference.

  2. If the no start condition was due to a open fuse, locate and repair any shorts that may have caused the fuse to open before replacement.

  3. This step determines if the fuel pump circuit can be controlled by the PCM. The PCM should energize the fuel pump relay and turn the fuel pump ON when commanded by the scan tool. If the engine is not cranking or running, the PCM should de-energize the relay and turn OFF the fuel pump after 2-3 seconds.

  4. Jumpering CKT 120 to CKT 839 verifies that the fuel pump relay ignition feed circuit, the fuel pump feed circuit, the fuel pump and fuel ground are all OK.

  5. Check for an open CKT 451.

  6. Replacement PCMs must be reprogrammed. Refer to the latest Techline information for programming procedures.

  7. This step checks CKT 150 on the body side of the body harness only. If CKT 150 is OK, then CKTs 120 or 150 in the fuel tank harness or the fuel pump itself are at fault.

  8. This test will determine if a short to ground on CKT 120 caused the fuse to open. To prevent mis-diagnosis, be sure the fuel pump harness is disconnected before the test.

  9. The fuel pump control circuit includes an engine oil pressure switch with a separate set of normally open contacts. The switch closes at about 28 kPa (4 psi) of oil pressure and provides a second battery feed path to the fuel pump. If the fuel pump relay is inoperative, the fuel pump will continue to run using the battery feed supplied by the closed oil pressure switch.

  10. The only possible place CKT 120 can be open is between the oil pressure switch and the fuel pump relay, injector and the fuel pump splice.

  11. The only possible place CKT 839 can be open is between the oil pressure switch and the fuel pump relay.

Engine Cranks But Will Not Run (Fuel Pump Circuit)

Step

Action

Value(s)

Yes

No

1

Was the Powertrain On-Board Diagnostic (OBD) System Check performed?

--

Go to Step 2

Go to Powertrain On Board Diagnostic (OBD) System Check

2

Inspect the fuel pump relay fuse.

Is the fuse OK?

--

Go to Step 3

Go to Step 20

3

  1. Turn the ignition switch ON.
  2. Install a scan tool.
  3. Command the fuel pump relay ON.

Does the in-tank fuel pump run for seconds after ignition when commanded?

--

Go to Fuel System Diagnosis

Go to Step 4

4

  1. Disconnect the fuel pump relay.
  2. Using a fused jumper wire, connect the fuel pump feed terminal to the fuel pump relay ignition feed terminal.

Does the fuel pump run?

--

Go to Step 5

Go to Step 6

5

  1. With a test light connected to ground, probe the fuel pump relay control terminal.
  2. Command the fuel pump ON with the scan tool.

Does the test light illuminate?

--

Go to Step 7

Go to Step 8

6

With a test light connected to ground, probe the ignition feed terminal to the fuel pump relay.

Is the test light ON?

--

Go to Step 9

Go to Step 10

7

With a test light connected to B+, probe the ground terminal to the fuel pump relay.

Is the test light ON?

--

Go to Step 11

Go to Step 12

8

Check for an open or short to ground in the fuel pump control circuit and repair as necessary.

Was a repair necessary?

--

Go to Step 25

Go to Step 13

9

  1. Reinstall the fuel pump relay.
  2. Disconnected the fuel pump electrical harness at the rear body connector.
  3. Probe the fuel pump feed terminal (body side) with a test light connected to ground.
  4. Command the fuel pump ON with the scan tool.

Does the test light illuminate?

--

Go to Step 14

Go to Step 15

10

Repair the open in the ignition feed circuit for the fuel pump relay.

Is the action complete?

--

Go to Step 25

--

11

Replace the fuel pump relay.

Is the action complete?

--

Go to Step 25

--

12

Repair the open ground circuit to the fuel pump relay.

Is the action complete?

--

Go to Step 25

--

13

Inspect connections and terminals at the PCM and repair as necessary.

Was a repair necessary?

--

Go to Step 25

Go to Step 16

14

With a test light connected to B+, probe the fuel pump ground circuit (body side).

Does the test light illuminate?

--

Go to Step 17

Go to Step 18

15

Repair the open fuel pump feed circuit.

Is the action complete?

--

Go to Step 25

--

16

Replace the PCM.

Is the action complete?

--

Go to Step 25

--

17

Check the fuel pump feed and ground circuits in the fuel pump harness for an open and repair as necessary.

Was a repair necessary?

--

Go to Step 25

Go to Step 19

18

Repair the open fuel pump ground circuit.

Is the action complete?

--

Go to Step 25

--

19

Replace the fuel pump.

Is the action complete?

--

Go to Step 25

--

20

  1. Disconnect the fuel pump electrical harness at the rear body harness connector.
  2. Disconnect the fuel pump relay.
  3. Turn the ignition switch OFF.
  4. Probe the fuel pump feed terminal with a test light connected to B+.

Does the test light illuminate?

--

Go to Step 21

Go to Step 22

21

Repair the short to ground in the fuel pump feed circuit.

Is the action complete?

--

Go to Step 25

--

22

With the test light still connected to B+, probe the fuel pump relay ignition feed circuit terminal.

Does the test light illuminate?

--

Go to Step 23

Go to Step 24

23

Repair the short to ground in the fuel pump relay ignition feed circuit.

Is the action complete?

--

Go to Step 25

--

24

Check the fuel pump feed circuit in the fuel pump harness for a short to ground and repair as necessary.

Was a repair necessary?

--

Go to Step 25

Go to Step 19

25

An additional check of the fuel pump and engine oil pressure switch and circuitry can be made at this point.

Check the fuel pump and engine oil pressure switch and circuitry?

--

Go to Step 26

Go to Step 32

26

  1. Engine idling at normal operating temperature, oil pressure normal.
  2. Disconnect the fuel pump relay.

Does the engine continue to run?

--

Go to Step 32

Go to Step 27

27

  1. Turn the ignition switch ON, engine OFF.
  2. Disconnect the fuel pump and engine oil pressure switch harness.
  3. With a test light connected to ground, probe the ignition feed of the oil pressure switch connector.

Is the test light ON?

--

Go to Step 28

Go to Step 31

28

  1. Reconnect the fuel pump relay and leave the oil pressure switch harness disconnected
  2. Start the engine.
  3. With a test light connected to ground, probe the fuel pump feed terminal at the oil pressure switch connector.

Is the test light ON?

--

Go to Step 29

Go to Step 30

29

Replace the fuel pump and engine oil pressure switch.

Is the action complete?

--

Go to Step 32

--

30

Repair the open fuel pump feed circuit from the fuel pump and the engine oil pressure switch.

Is the action complete?

--

Go to Step 32

--

31

Repair the open in the ignition feed circuit to the fuel pump and engine oil pressure switch.

Is the action complete?

--

Go to Step 32

--

32

  1. Using the scan tool, clear the DTCs.
  2. Attempt to start the engine.

Does the engine start and continue to run?

--

Go to Step 33

Go to Step 2

33

  1. Allow the engine to idle until normal operation temperature is reached.
  2. Check if any DTCs are set.

Are any DTCs displayed that have not been diagnosed?

--

Go to applicable DTC table

System OK