GM Service Manual Online
For 1990-2009 cars only

Refer to

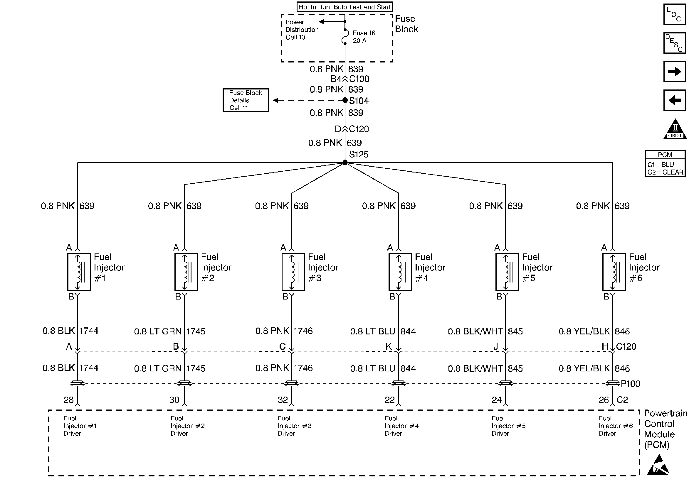
Fuel Injectors


Object Number: 30287  Size: FS
Fuel Tank Unit, Fuel Pump/Oil Pressure Sender/Switch, and Fuel Pump Relay
A/C Refrigerant Pressure, TP, MAP, ECT, and IAT Sensors
OBD II Symbol Description Notice
Handling ESD Sensitive Parts Notice

Circuit Description

The PCM has the ability to detect a misfire by monitoring the 3X reference and camshaft position input signals from the Ignition Control Module. The PCM monitors crankshaft speed variations (reference period differences) to determine if a misfire is occurring.

If 2% or more of all cylinder firing events are misfires, emission levels may exceed mandated standards. The PCM determines misfire level based on the number of misfire events monitored during a 200 engine revolution test sample. The PCM continuously tracks 16 consecutive 200 revolution test samples. If 11 or more misfires are detected during any 5 of the 16 samples, DTC P0300 will set. If the misfire is large enough to cause possible three-way catalytic converter damage, DTC P0300 may set during the first 200 revolution sample in which the misfire was detected. In the case of a catalyst damaging misfire, the MIL will flash to alert the vehicle operator of the potential of catalyst damage.

Conditions for Setting the DTC

    • No VSS, Transmission, TP sensor, Fuel trim, Fuel injector, MAP sensor, EVAP, HO2S, IC/Bypass line monitor, EGR flow, EGR pintle position, ECT sensor, CKP sensor CMP sensor, or MAF sensor DTC(s) set.
    • Engine speed between 450 and 5800 RPM.
    • System voltage between 9 and 16 volts.
    • The ECT indicates an engine temperature between -7°C (19°F) and 120°C (248°F).
    • Throttle angle steady.
    • The PCM is detecting a crankshaft RPM variation indicating a misfire sufficient to cause three-way catalytic converter damage or emissions levels to exceed mandated standard.

Action Taken When the DTC Sets

    • The PCM will illuminate the malfunction indicator lamp (MIL) during the second consecutive trip in which the diagnostic test has been run and failed.
    • The PCM will store conditions which were present when the DTC set as Freeze Frame and Failure Records data.

Conditions for Clearing the MIL/DTC

    • The PCM will turn OFF the MIL during the third consecutive trip in which the diagnostic has been run and passed.
    • The History DTC will clear after 40 consecutive warm-up cycles have occurred without a malfunction.
    • The DTC can be cleared by using the scan tool.

Diagnostic Aids

The scan tool provides information that can be useful in identifying the misfiring cylinder. If the DTC P0300 is currently stored as Test failed since code clear, the misfire history counters (Misfire Hist #;1 - #;6) will still contain a value that represents the level of misfire for each cylinder.

The scan tool displayed misfire counter values (Misfire Hist. #; 1 through #;6) can be useful in determining whether the misfire is isolated to a single cylinder or to a cylinder pair (cylinders that share an ignition coil-1/4, 2/5, 3/6.) If the largest amount of activity is isolated to a cylinder pair, check for the following conditions:

    • Secondary Ignition Wires: Check wires for affected cylinder pair for disconnected ignition wires or for excessive resistance (the wires should measure under 30 Kohms
    • Damaged Or Faulty Ignition Coil: Check for cracks, carbon tracking or other damage. Also check coil secondary resistance. Secondary resistance should be between 5000 ohms and 8000 ohms (5K ohms and 8K ohms).
    • Substitute a Known Good Coil: Swap ignition coils and retest. If the misfire follows the coil, replace the ignition coil.

If the misfire is random, check for the following conditions:

    • System Grounds: Ensure all connections are clean and properly tightened.
    • MAF: A Mass Air Flow (MAF) sensor output that causes the PCM to sense a lower than normal air flow will cause a lean condition.
    • Air Induction System: Air leaks into the induction system which bypass the MAF sensor will cause a lean condition. Check for disconnected or damaged vacuum hoses, incorrectly installed or faulty crankcase ventilation valve, or for vacuum leaks at the throttle body, EGR valve, and intake manifold mounting surfaces.
    • Fuel Pressure: Perform a fuel system pressure test. A faulty fuel pump, plugged filter, or faulty fuel system pressure regulator will contribute to a lean condition.
    • Injector(s): Perform injector coil/balance test to locate faulty injector(s) contributing to a lean or flooding condition. In addition to the above test, check the condition of the injector O rings.
    • EGR: Check for leaking valve, adapter, or feed pipes which will contribute to a lean condition or excessive EGR flow.

Reviewing the Fail Records vehicle mileage since the diagnostic test last failed may help determine how often the condition that caused the DTC to be set occurs. This may assist in diagnosing the condition.

Test Description

Number(s) below refer to the step number(s) on the Diagnostic Table.

  1. A faulty injector or injector circuit will cause a misfire DTC to be set. The DTC P1200 table diagnoses any problems with the injector circuits.

  2. The Misfire Cur # display may normally display a small amount of activity (0 - 10 counts) but should not steadily increment during an entire 200 revolution test sample period.

  3. Depending on the cause of the misfire, the misfire history counter will display a very large number for the misfiring cylinder(s); values for the non-misfiring cylinders will be less than 1/2 as great as the misfiring cylinder(s). When investigating a misfire, always start with items associated with the cylinder(s) that has the largest number of counts stored in the misfire history counter.

  4. Steps 5 through 13 check for conditions that can cause a random cylinder misfire.

  5. Steps 14 through 16 check for injector faults using J 34730-380. While using this tool DTC P0107, P0117, P1107 and P1114 may be stored as active. This is from disconnecting the 10-way injector connector to install the tool (the MAP sensor and ECT sensor circuits also pass through this connector). Disregard these DTCs when using this tool.

  6. Steps 17 through 25 check for conditions that can cause a non-random or single cylinder misfire.

  7. This vehicle is equipped with a PCM which utilizes an Electrically Erasable Programmable Read Only Memory (EEPROM). When the PCM is being replaced, the new PCM must be programmed. Refer to EEPROM Programming procedures.

DTC P0300 - Engine Misfire Detected

Step

Action

Value(s)

Yes

No

1

Was the Powertrain On-Board Diagnostic (OBD) System Check performed?

--

Go to Step 2

Go to the Powertrain OBD System Check

2

Is DTC P1200 also set?

--

Go to DTC P1200 Injector Control Circuit

Go to Step 3

3

  1. Start and idle the engine.
  2. Review and record scan tool Freeze Frame data.
  3. Operate the vehicle to duplicate the conditions present when the DTC was set (as defined by the Freeze Frame data).
  4. Monitor the scan tool Misfire Cur. # display for each cylinder.

Does Misfire Cur. # display increment for any cylinder (indicating a misfire currently occurring)?

--

Go to Step 4

Go to Diagnostic Aids

4

Does Misfire Hist. # display a very large value for more than one cylinder?

--

Go to Step 5

Go to Step 14

5

  1. Visually and physically inspect the vacuum hoses for splits, kinks, and improper connections.
  2. If a problem is found, repair as necessary.

Was problem found?

--

Go to Step 30

Go to Step 6

6

  1. Visually and physically inspect the PCV valve for improper installation and for damaged O-rings. Go to Positive Crankcase Ventilation Valve.
  2. If a problem is found, repair as necessary.

Was problem found?

--

Go to Step 30

Go to Step 7

7

  1. Inspect the throttle body inlet screen for damage or for the presence of foreign objects that may partially block the air flow sample through the MAF sensor.
  2. If a problem is found, repair as necessary.

Was problem found?

--

Go to Step 30

Go to Step 8

8

  1. Check fuel pressure.
  2. Refer Fuel System Pressure Test.

  3. If a problem is found, repair as necessary.

Was problem found?

--

Go to Step 30

Go to Step 9

9

  1. Check the fuel for excessive water, alcohol, or other contaminants. Refer to Alcohol-in-Fuel Testing Procedure
  2. If a problem was found, repair as necessary.

Was a problem found?

--

Go to Step 30

Go to Step 10

10

  1. Visually and physically inspect the PCM injector grounds, power grounds and sensor grounds to ensure that they are clean, tight, and in their proper locations. Refer to Ground Distribution in Electrical Diagnosis.
  2. If a problem is found, repair as necessary. Refer to Repair Procedures in Electrical Diagnosis.

Was a problem found?

--

Go to Step 30

Go to Step 11

11

  1. Disconnect the MAF sensor electrical connector.
  2. Operate the vehicle to duplicate the conditions present when the DTC was set (as defined by the Freeze Frame data).
  3. Monitor the scan tool Misfire Cur. #. display for each cylinder.

Does Misfire Cur. # display increment for any cylinder (indicating a misfire currently occurring)?

--

Go to Step 12

Go to Step 27

12

  1. Visually and physically inspect the following areas for vacuum leaks:
  2. • Intake manifold.
    • EGR adapter.
    • EGR valve.
    • EGR feed pipes.
    • Injector O-rings.
  3. If a problem is found, repair as necessary.

Was a problem found?

--

Go to Step 30

Go to Step 13

13

  1. Remove the EGR valve. Go to EGR Valve.
  2. Visually/physically inspect the valve to ensure that the pintle is not sticking partially open. Also, inspect the EGR valve pintle and seat for carbon deposits or burrs that may interfere with the pintle closing completely.
  3. If a problem is found, repair as necessary.

Was a problem found?

--

Go to Step 30

Go to Step 14

14

  1. Check for proper injector operation.
  2. Install J 34730-380 using J 34730-385 Adaptor Harness to 10-Way Fuel Injector Harness Connector.
  3. While observing tool attempt to start the vehicle.

Do all LEDs for cylinders 1-6 Flash?

--

Go to Step 15

Go To Step 16

15

  1. Check for proper fuel injector operation. Go to the Fuel Injector Coil Test.
  2. If a problem is found, repair as necessary.

Was a problem found?

--

Go to Step 30

Go to Step 17

16

  1. Check affected Injector Driver circuit(s) from PCM for the following:
  2. • Opens
    • Shorted to ground
    • Poor connections
  3. If a problem is found, repair as necessary. Refer to Repair Procedures in Electrical Diagnosis.

Was a problem found?

--

Go to Step 30

Go to Step 29

17

  1. Visually and physically inspect the ignition wires associated with the cylinder(s) which were misfiring to ensure that they are not damaged and are connected to the proper cylinders at the coils and at the spark plugs.
  2. If a problem is found, repair as necessary. Refer to Secondary Wiring in Ignition System.

Was a problem found?

--

Go to Step 30

Go to Step 18

18

  1. Install a J 26792 spark tester at the spark plug end of the ignition wire for the cylinder that is indicated by the Misfire Cur Counters or Misfire Hist. Counters as having the most severe misfire (largest number of counts).
  2. Jumper the spark plug end of the companion cylinder ignition wire to engine ground.
  3. The companion cylinder is the cylinder that shares the same ignition coil (i.e., 1/4; 2/5; 3/6).

  4. Crank the engine while observing the spark tester. A crisp, blue spark should be observed.

Is adequate spark present?

--

Go to Step 23

Go to Step 19

19

  1. Remove and visually/physically inspect the ignition coil(s) associated with the cylinders that were indicated as misfiring. Ensure that the coil(s) and coil towers are free of cracks and carbon tracking.
  2. If a problem is found, replace damaged ignition coil(s) as necessary. Refer to Ignition Control Module - Ignition Coils.

Was a problem found?

--

Go to Step 30

Go to Step 20

20

  1. Measure the ignition coil secondary resistance.
  2. If resistance is outside the specified values, replace the faulty ignition coil(s) as necessary. Refer to Ignition Control Module - Ignition Coils.

Was a problem found?

5K-8K  ohms (5000-8000 ohms)

Go to Step 30

Go to Step 21

21

  1. Remove and visually/physically inspect the ignition wires associated with the cylinders that were indicated as misfiring. Ensure that the wires and boots are free of carbon tracking and the insulation is not damaged.
  2. If a problem is found, replace faulty ignition wire(s) as necessary.

Was a problem found?

--

Go to Step 30

Go to Step 22

22

  1. Measure the resistance of the ignition wires associated with the cylinders that were indicated as misfiring.
  2. Replace any ignition wire(s) that measure greater than the specified value. Go to Secondary Wiring in Ignition System.

Was a problem found?

30 K ohms (30,000 ohms)

Go to Step 30

Go to Step 28

23

  1. Remove the spark plugs from the cylinders that were indicated as misfiring. Go to Spark Plugs in Ignition System.
  2. Visually inspect the spark plug electrodes for excessive fouling. Refer to Spark Plug Visual Diagnosis in Ignition System.

Was a problem found?

--

Refer to Engine Mechanical Diagnosis

Go to Step 24

24

  1. Visually inspect spark plug insulators for cracks, carbon tracking, or other damage. Refer to Spark Plug Visual Diagnosis in Ignition System.
  2. If a problem is found, replace faulty spark plug(s) as necessary. Go to Spark Plugs in Ignition System.

Was problem found?

--

Go to Step 30

Go to Step 25

25

  1. Check for an engine mechanical problem. Refer to Base Engine Misfire Diagnosis in Engine Mechanical to diagnose the following conditions:
  2. • Bent push rods.
    • Faulty or incorrect camshaft.
    • Leaking or sticky valves or rings.
    • Excessive valve deposits.
    • Loose or worn rocker arms.
    • Weak valve springs.
    • Incorrect valve timing.
    • Leaking head gasket.
  3. If a problem is found, repair as necessary.

Was a problem found?

--

Go to Step 30

Go to Step 26

26

  1. Check for a transaxle TCC problem. Refer to 4T60-E Automatic Transaxle Diagnosis.
  2. If a problem is found, repair the transaxle as necessary. Refer to 4T60-E Automatic Transaxle Unit Repair.

Was a problem found?

--

Go to Step 30

Go to Diagnostic Aids

27

Replace the MAF sensor. Go to MAF Sensor.

Is action complete?

--

Go to Step 30

--

28

Replace the ignition control module. Go to Ignition Control Module.

Is action complete?

--

Go to Step 30

--

29

Replace PCM. Go to PCM replacement

Is action complete?

--

Go to Step 30

--

30

  1. Review and record Freeze Frame data
  2. Clear DTCs.
  3. Start and idle the engine.
  4. Operate the vehicle to duplicate the conditions present when the DTC was set (as defined by the Freeze Frame data).
  5. Monitor the scan tool Misfire Cur. #. display for each cylinder.

Does Misfire Cur. # display increment for any cylinder (indicating a misfire currently occurring)?

--

Go to Step 2

System OK