GM Service Manual Online
For 1990-2009 cars only
Makes
🢒
Chevrolet
🢒
1996
🢒
Corvette
🢒 Engine Data Sensors
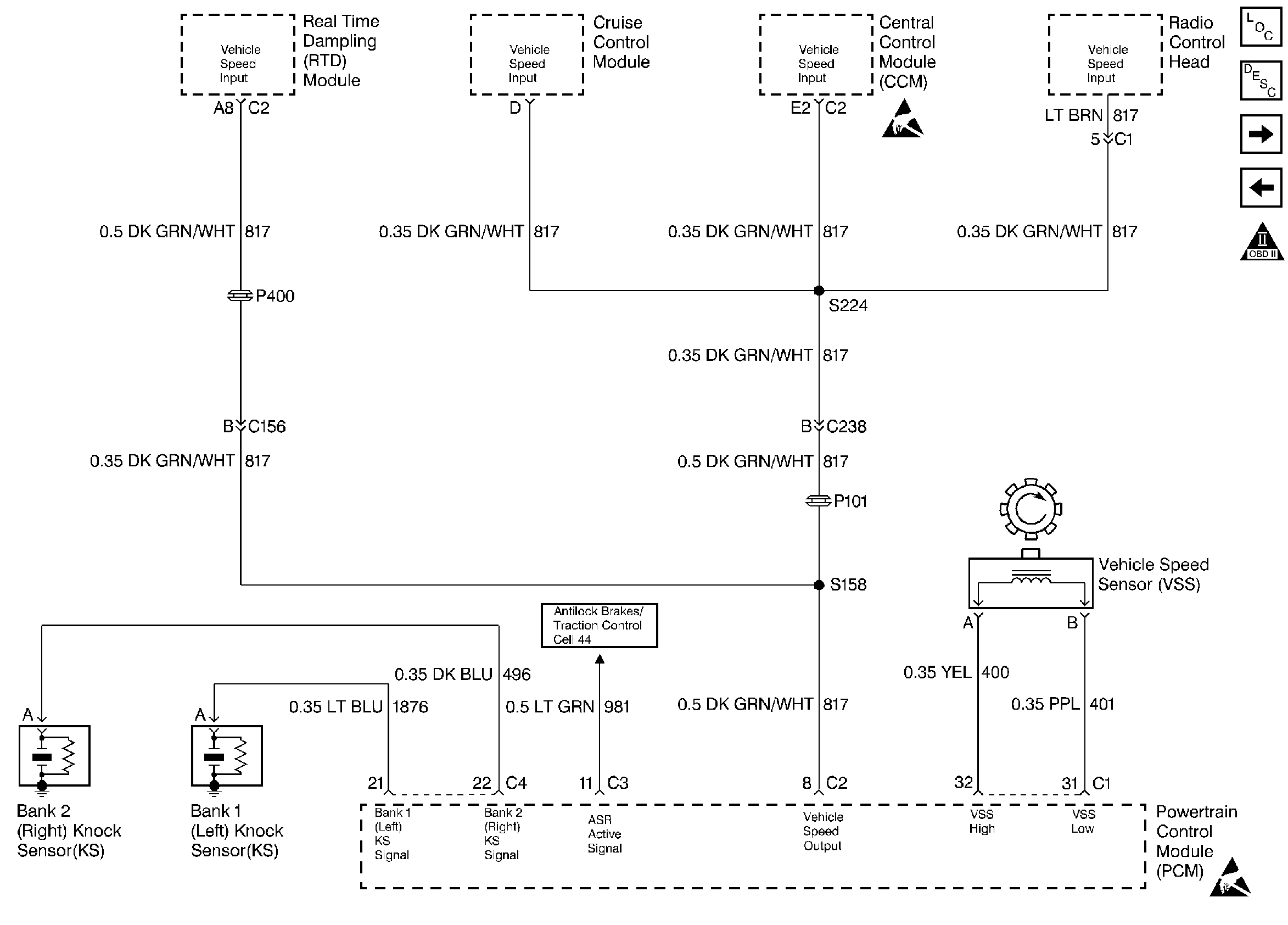
Engine Data Sensors
Engine Data Sensors
Engine Controls Components
Information Sensors
Engine Data Sensors and Controlled Devices
Heated Oxygen Sensors - HO2S
OBD II Symbol Description Notice
Handling ESD Sensitive Parts Notice
Handling ESD Sensitive Parts Notice