GM Service Manual Online
For 1990-2009 cars only
Makes
🢒
Chevrolet
🢒
1996
🢒
Corvette
🢒 Engine Data Sensors and Controlled Devices
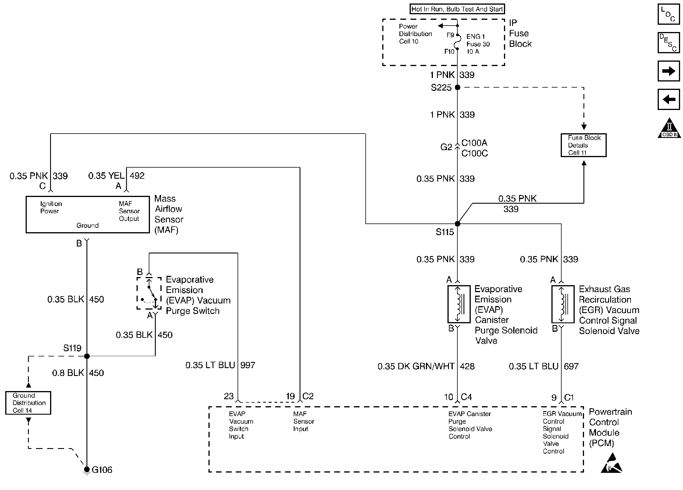
Engine Data Sensors and Controlled Devices
Engine Data Sensors and Controlled Devices
Engine Controls Components
Information Sensors
AIR and IAC
Engine Data Sensors
OBD II Symbol Description Notice
Handling ESD Sensitive Parts Notice