GM Service Manual Online
For 1990-2009 cars only
Makes
🢒
Chevrolet
🢒
1999
🢒
Corvette
🢒
Transmission/Transaxle
🢒
Automatic Transmission - 4L60-E
🢒 Automatic Transmission Controls Schematics
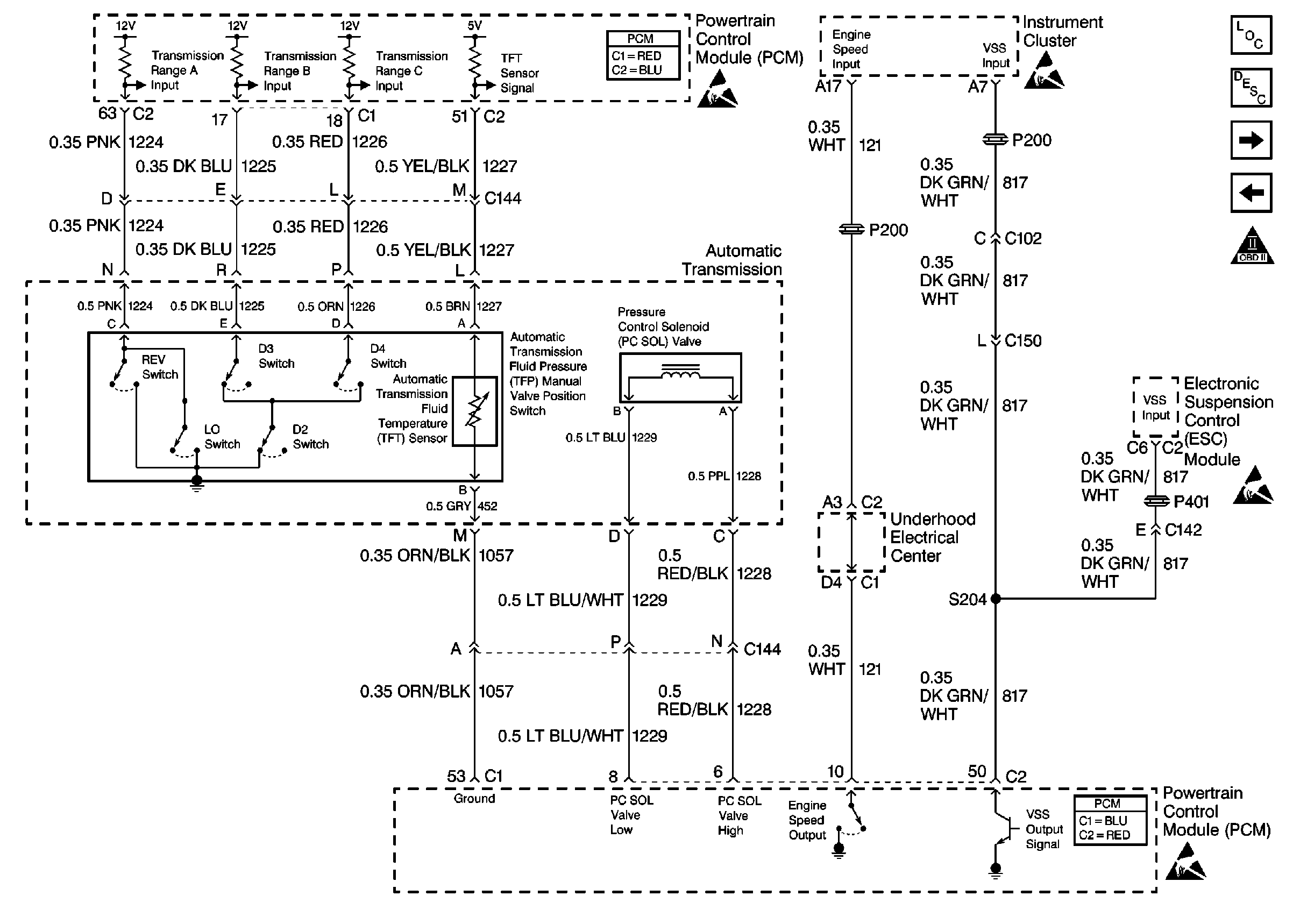
Figure
1:
Cell 39: Stoplamp Switch
Automatic Transmission Components
Electronic Component Description
Cell 39: Automatic Transmission Controls
OBD II Symbol Description Notice
Cell 10: U/H Fuses 16, 19, Relay 42
Cell 10: U/H Fuses 16, 19, Relay 42
Cell 39: Automatic Transmission Controls
Cell 14: SP122, G106, G105
Powertrain Control Module Connector End Views
Handling ESD Sensitive Parts Notice
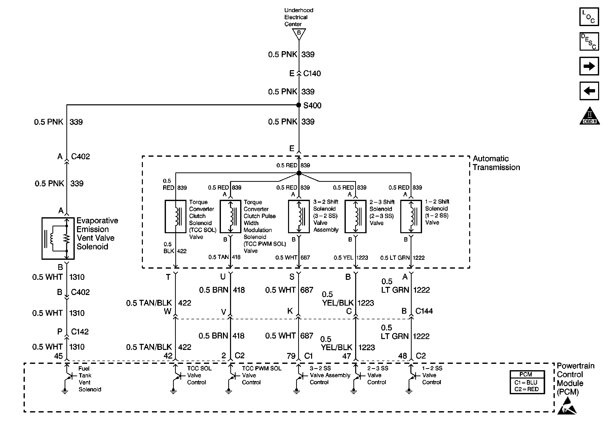
Figure
2:
Cell 39: Automatic Transmission Controls
Automatic Transmission Components
Electronic Component Description
Cell 39: Automatic Transmission Controls and VSS Output
Cell 39: Stoplamp Switch
OBD II Symbol Description Notice
Cell 39: Stoplamp Switch
Powertrain Control Module Connector End Views
Handling ESD Sensitive Parts Notice
Figure
3:
Cell 39: Automatic Transmission Controls and VSS Output
Automatic Transmission Components
Electronic Component Description
Cell 39: Park Neutral Position and Back Up Switch
Cell 39: Automatic Transmission Controls
OBD II Symbol Description Notice
Handling ESD Sensitive Parts Notice
Handling ESD Sensitive Parts Notice
Powertrain Control Module Connector End Views
Powertrain Control Module Connector End Views
Handling ESD Sensitive Parts Notice
Handling ESD Sensitive Parts Notice
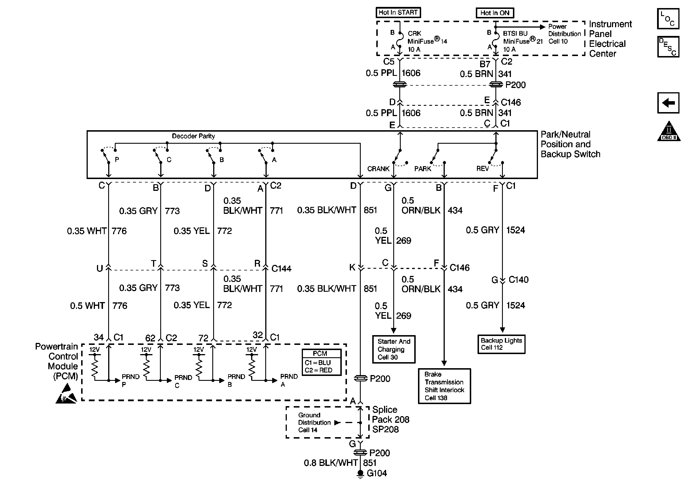
Figure
4:
Cell 39: Park Neutral Position and Back Up Switch
Automatic Transmission Components
Electronic Component Description
Cell 39: Automatic Transmission Controls and VSS Output
OBD II Symbol Description Notice
Cell 10: I/P Fuses 21, 18, 48, Relay 44
Cell 30: Starting System
Powertrain Control Module Connector End Views
Cell 14: SP102, SP208, G104
Handling ESD Sensitive Parts Notice
Cell 138
Cell 112