GM Service Manual Online
For 1990-2009 cars only
Makes
🢒
Chevrolet
🢒
1999
🢒
Corvette
🢒
Steering
🢒
Variable Effort Steering
🢒 Steering Assist Schematics
Figure
1:
Cell 45: Power, Ground and DLC
Cell 45: Steering Wheel Position Sensor
Class 2 Serial Data Cell 50
Class 2 Serial Data Cell 50
Cell 43: Power, Ground and DLC
Cell 10: U/H Fuses 52, 53, 4, 3, 23
Steering Controls Components
Variable Effort Steering Circuit Operation
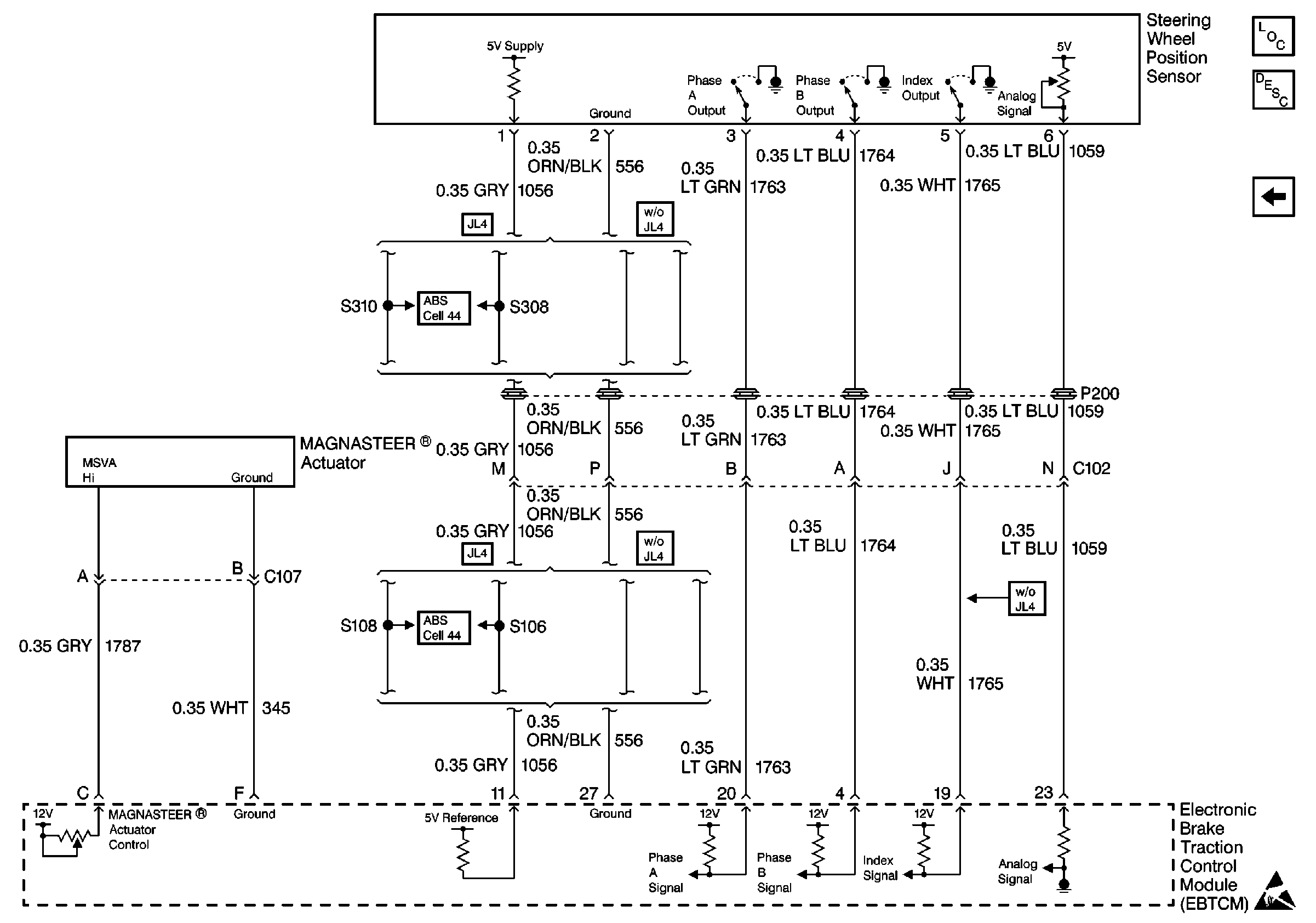
Figure
2:
Cell 45: Steering Wheel Position Sensor
Cell 45: Power, Ground and DLC
Cell 44: Miscellaneous Sensor Inputs (JL4)
Cell 44: Miscellaneous Sensor Inputs (JL4)
Handling ESD Sensitive Parts Notice
Steering Controls Components
Variable Effort Steering Circuit Operation