GM Service Manual Online
For 1990-2009 cars only
Makes
🢒
Chevrolet
🢒
1999
🢒
Corvette
🢒
Body and Accessories
🢒
Lighting Systems
🢒 Headlights/Daytime Running Lights (DRL) Schematics
Figure
1:
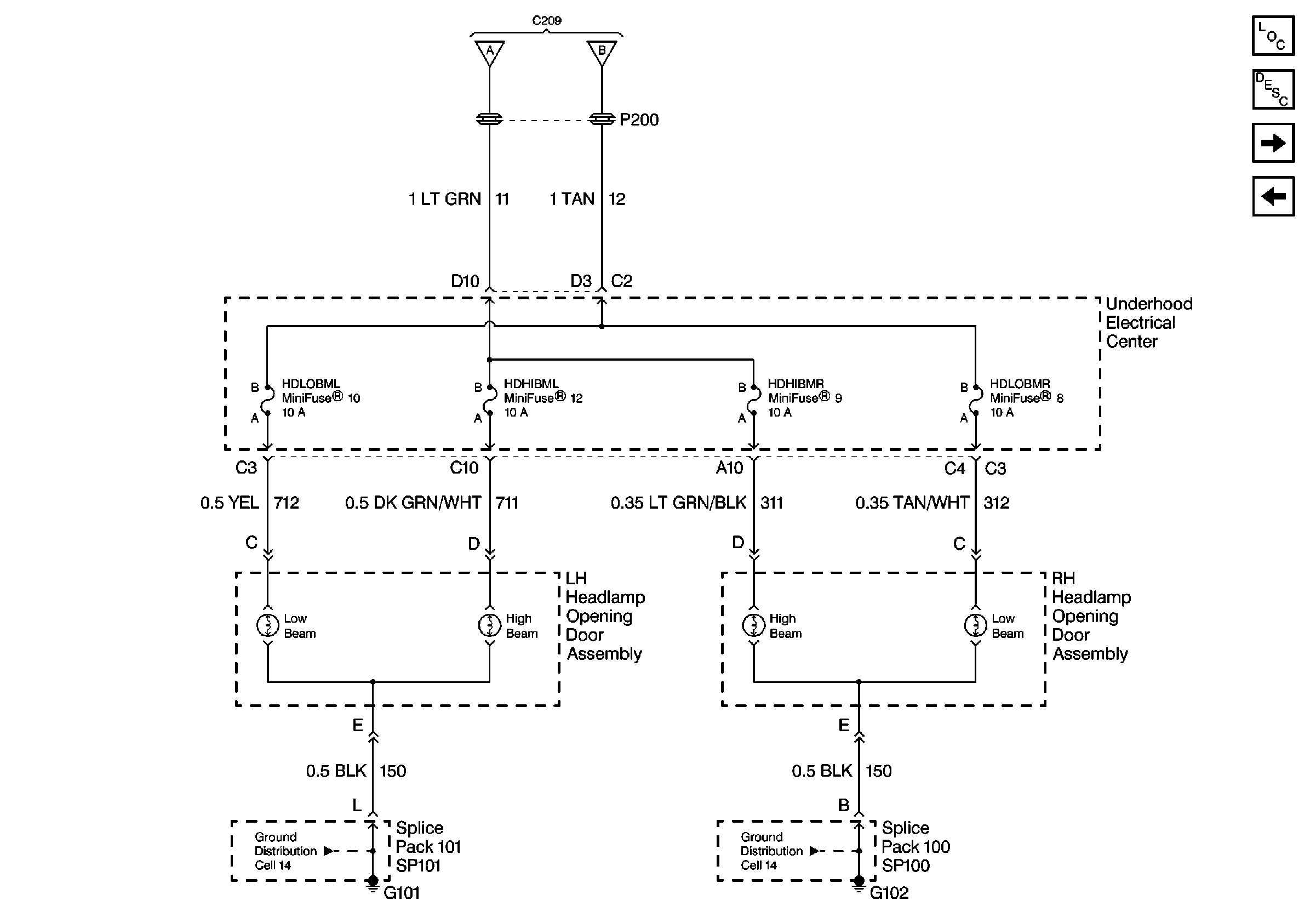
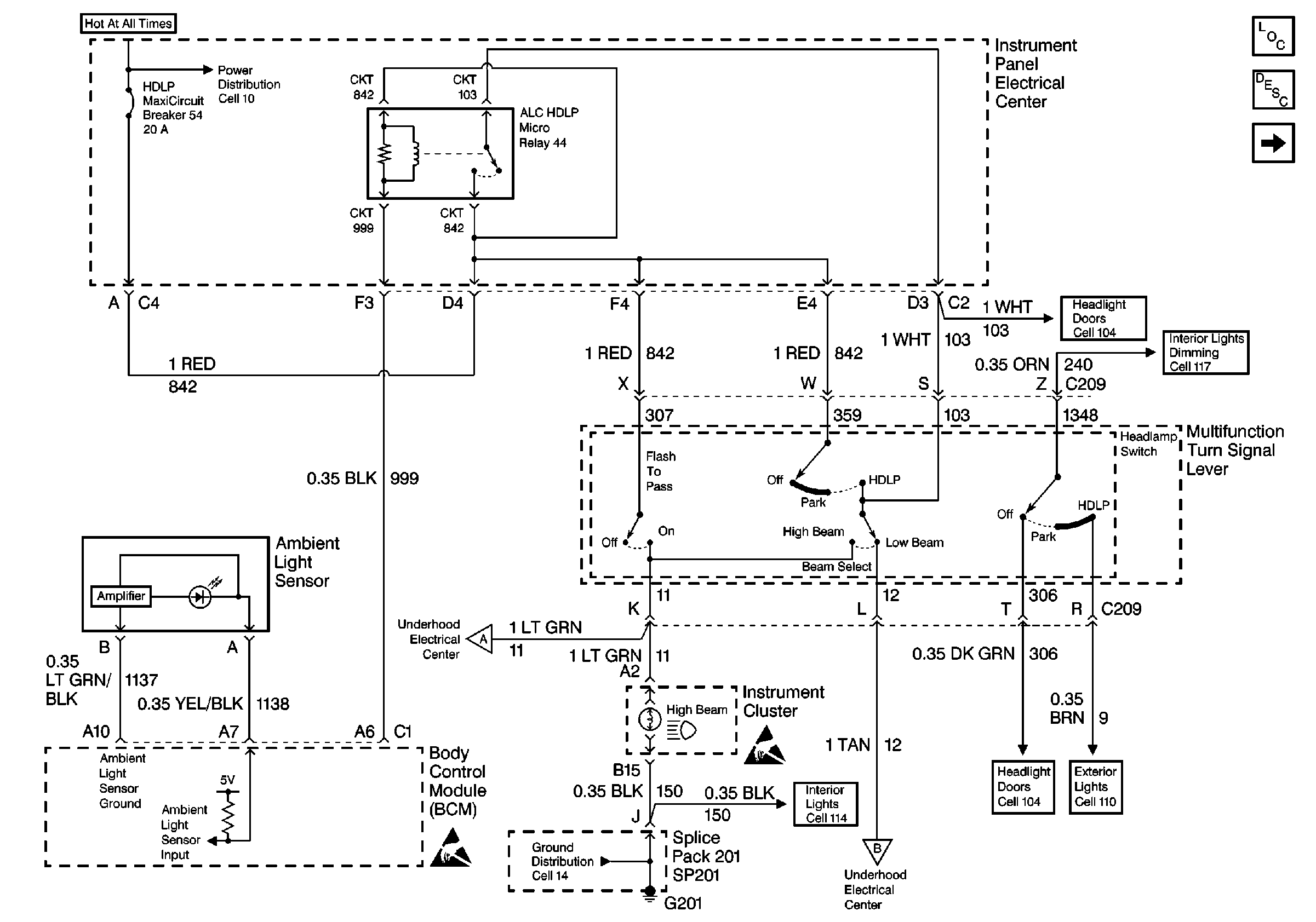
Cell 102: Headlamp Switch and Ambient Light Sensor
Lighting Systems Components
Cell 102: High and Low Beams
Cell 117: ALC PRK LP Relay
Cell 104: Power and Ground
Cell 10: I/P Fuses 52, 6, Relays 43, 44, Circuit Breaker 54
Cell 102: High and Low Beams
Handling ESD Sensitive Parts Notice
Cell 14: SP201, SP203, G201
Handling ESD Sensitive Parts Notice
Cell 114: CTSY LP Relay Control
Cell 102: High and Low Beams
Cell 104: Power and Ground
Cell 110: ALC PRK LP Relay
Figure
2:
Cell 102: High and Low Beams
Lighting Systems Components
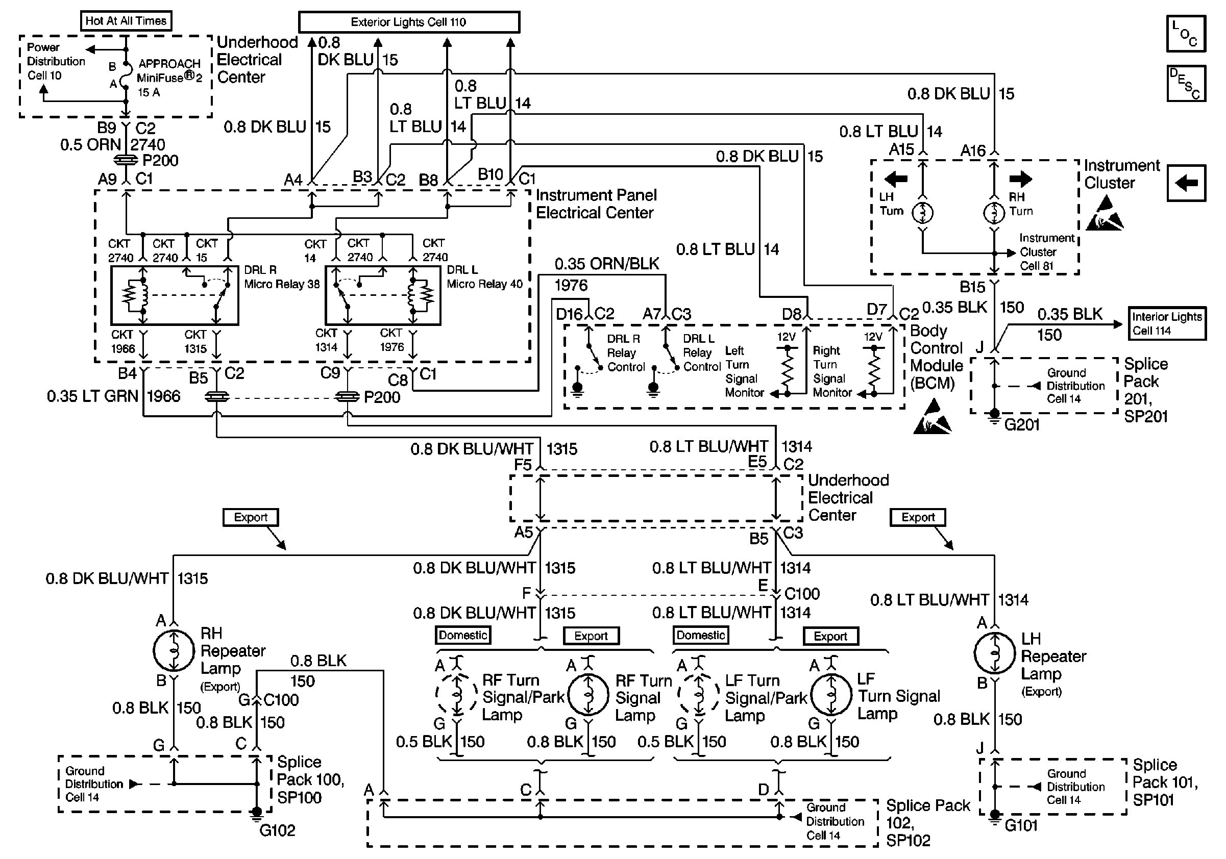
Cell 102: DRL Domestic and Export
Cell 102: Headlamp Switch and Ambient Light Sensor
Cell 102: Headlamp Switch and Ambient Light Sensor
Cell 14: SP101, SP100, G101, G102
Cell 14: SP101, SP100, G101, G102
Figure
3:
Cell 102: DRL Domestic and Export
Lighting Systems Components
Cell 102: High and Low Beams
Handling ESD Sensitive Parts Notice
Cell 114: CTSY LP Relay Control
Cell 14: SP201, SP203, G201
Handling ESD Sensitive Parts Notice
Cell 14: SP101, SP100, G101, G102
Cell 14: SP102, SP208, G104
Cell 14: SP101, SP100, G101, G102
Cell 10: U/H Fuses 49, 11, 6, 2, Relays 45, 36, 39, 38