GM Service Manual Online
For 1990-2009 cars only
Makes
🢒
Chevrolet
🢒
1999
🢒
Corvette
🢒
Body and Accessories
🢒
Theft Deterrent
🢒 Theft Deterrent System Schematics
Figure
1:
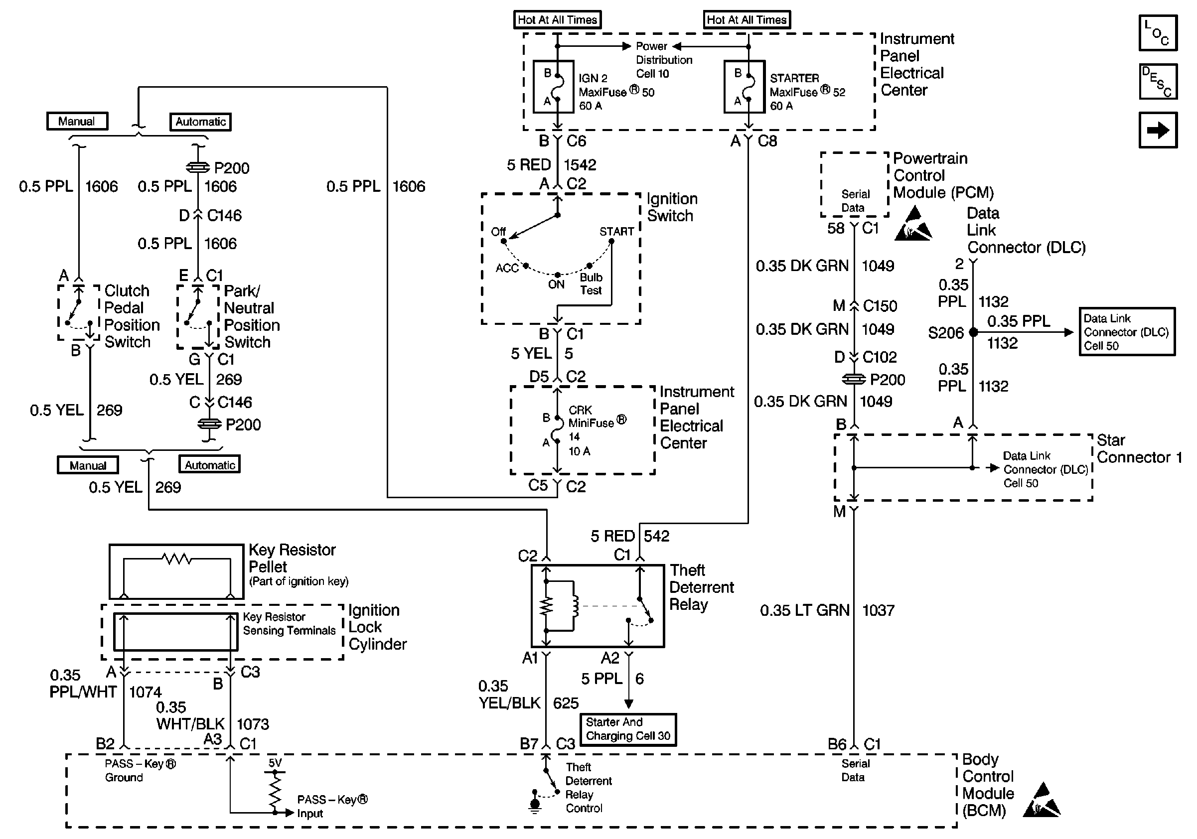
Cell 133: Theft Relay and Key Input Systems
Theft Deterrent System Components
Content Theft Deterrent (CTD) Description
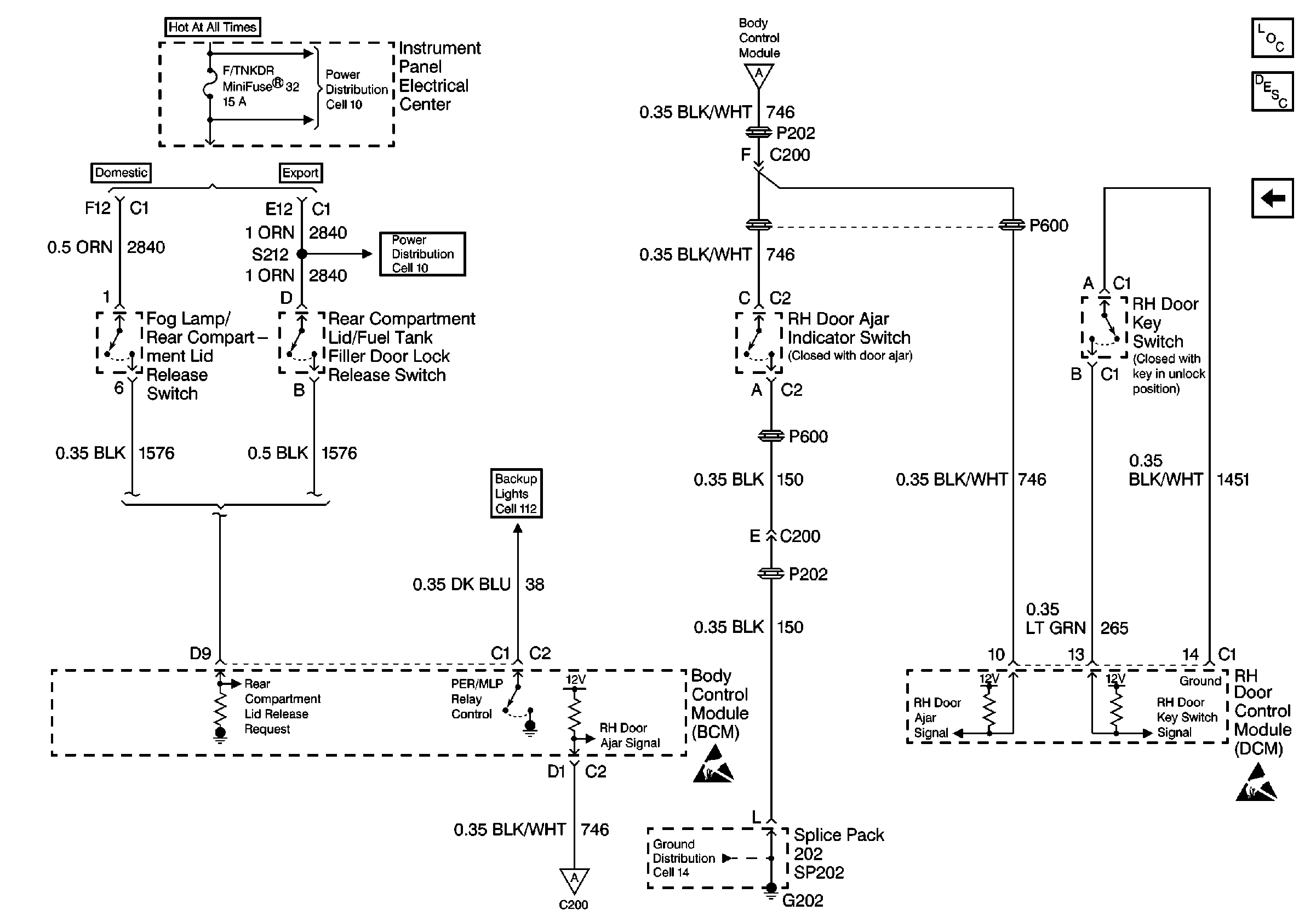
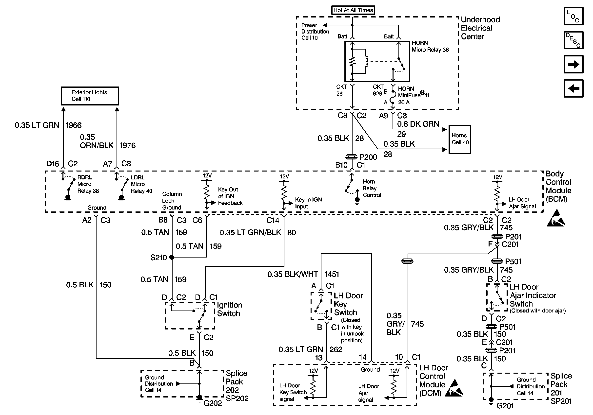
Cell 133: Horn Control and LH Door Ajar Input
Class 2 Serial Data Cell 50
Class 2 Serial Data Cell 50
Handling ESD Sensitive Parts Notice
Handling ESD Sensitive Parts Notice
Cell 30: Starting System
Cell 10: I/P Fuses 52, 6, Relays 43, 44, Circuit Breaker 54
Figure
2:
Cell 133: Horn Control and LH Door Ajar Input
Theft Deterrent System Components
Content Theft Deterrent (CTD) Description
Cell 133: RH Door Ajar Input
Cell 133: Theft Relay and Key Input Systems
Handling ESD Sensitive Parts Notice
Cell 14: SP201, SP203, G201
Handling ESD Sensitive Parts Notice
Cell 40
Cell 10: U/H Fuses 49, 11, 6, 2, Relays 45, 36, 39, 38
Cell 110: DRL Control
Cell 14: SP202, G202
Figure
3:
Cell 133: RH Door Ajar Input
Theft Deterrent System Components
Content Theft Deterrent (CTD) Description
Cell 133: Horn Control and LH Door Ajar Input
Handling ESD Sensitive Parts Notice
Handling ESD Sensitive Parts Notice
Cell 14: SP202, G202
Cell 112
Cell 10: I/P Fuses 32, 26, Relay 39
Cell 10: I/P Fuses 32, 26, Relay 39