GM Service Manual Online
For 1990-2009 cars only

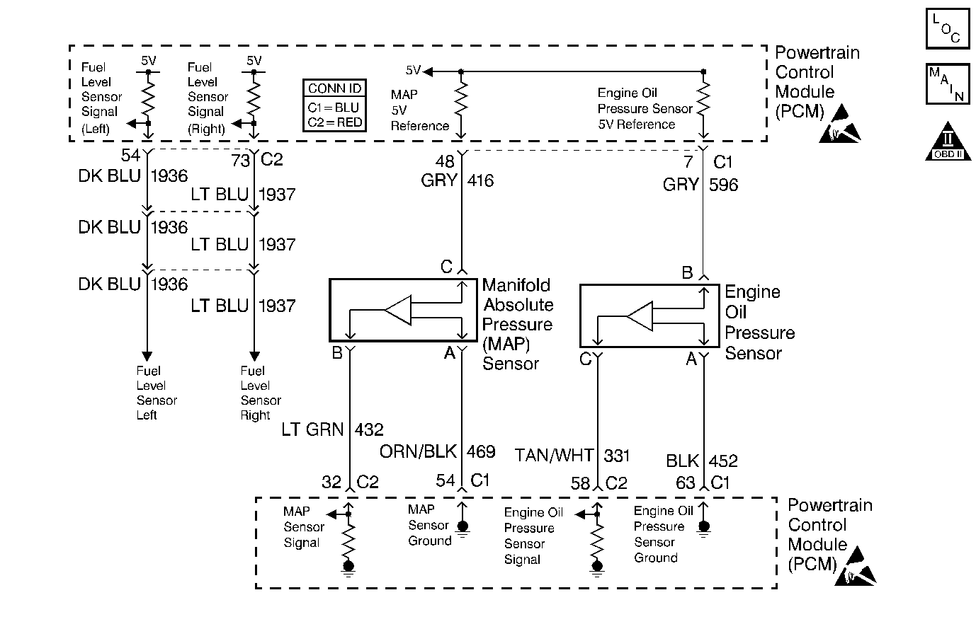
Object Number: 383773  Size: MF
Engine Controls Component Views
Cell 20: Engine Data Sensors
OBD II Symbol Description Notice
Handling ESD Sensitive Parts Notice
Handling ESD Sensitive Parts Notice

Circuit Description

The PCM uses a common 5 Volt Reference 1 circuit as a sensor feed. This circuit supplies 5 volts to the following sensors:

    • The MAP sensor
    • The Engine Oil Pressure sensor

The PCM monitors the voltage on the 5 Volt Reference 1 circuit. If the voltage is out of range, this DTC sets.

Conditions for Running the DTC

The engine is operating.

Conditions for Setting the DTC

    • The 5 volt reference circuit is out of range.
    • The above condition is present for greater than 2 seconds.

Action Taken When the DTC Sets

    • The PCM illuminates the malfunction indicator lamp (MIL) on the second consecutive ignition cycle that the diagnostic runs and fails.
    • The PCM records the operating conditions at the time the diagnostic fails. The first time the diagnostic fails, the PCM stores this information in the Failure Records. If the diagnostic reports a failure on the second consecutive ignition cycle, the PCM records the operating conditions at the time of the failure. The PCM writes the conditions to the Freeze Frame and updates the Failure Records.

Conditions for Clearing the MIL/DTC

    • The PCM turns OFF the malfunction indicator lamp (MIL) after 3 consecutive ignition cycles that the diagnostic runs and does not fail.
    • A last test failed, or current DTC, clears when the diagnostic runs and does not fail.
    • A history DTC clears after 40 consecutive warm-up cycles, if no failures are reported by this or any other emission related diagnostic.
    • Use a scan tool in order to clear the MIL and the DTC.

Diagnostic Aids

Important: 

   • Remove any debris from the PCM\TAC module connector surfaces before servicing the PCM\TAC module. Inspect the PCM\TAC module connector gaskets when diagnosing/replacing the modules. Ensure that the gaskets are installed correctly. The gaskets prevent contaminate intrusion into the PCM\TAC modules.
   • For any test that requires probing the PCM or a component harness connector, use the Connector Test Adapter Kit J 35616 . Using this kit prevents damage to the harness/component terminals. Refer to Using Connector Test Adapters in Wiring Systems.

    • Using the Freeze Frame and/or Failure Records data may aid in locating an intermittent condition. If you cannot duplicate the DTC, the information included in the Freeze Frame and/or Failure Records data can help determine how many miles since the DTC set. The Fail Counter and Pass Counter can also help determine how many ignition cycles the diagnostic reported a pass and/or a fail. Operate vehicle within the same freeze frame conditions (RPM, load, vehicle speed, temperature etc.) that you observed. This will isolate when the DTC failed.
    •  For an intermittent condition, refer to Symptoms .

Test Description

The numbers below refer to the step numbers on the diagnostic table.

  1. The 5 volt reference circuits for the sensors are connected together inside the PCM. Both DTCs P1635 and P1639 set at the same time, indicates a 5 reference circuit is shorted to a voltage.

  2. The 5 volt reference circuits for the sensors are connected together inside the PCM. When only P1635 is set, this indicates a short to ground on one of the 5 volt reference circuits.

  3. This step isolates the 5  volt reference circuit from the sensor signal circuit.

  4. This step determines if the 5 volt reference circuits or the fuel level sensor signal circuit are only shorted when the fuel pump is enabled. You may have to enable the fuel pump a couple of times to see if the voltages increase. Inspect the fuel pump harness thoroughly for being shorted to the fuel tank pressure sensor and/or the fuel level sensors.

  5. The 5 volt reference circuits may be shorted to another PCM circuit. The shorted circuit may not be apparent when the PCM harness connector is disconnected. Testing continuity from each 5 volt reference circuit isolates the shorted circuit. For detailed circuit information, refer to Full page schematics.

  6. For detailed circuit information, refer to the Full Page Schematic.

Step

Action

Value(s)

Yes

No

1

Did you perform the Powertrain On-Board Diagnostic (OBD) System Check?

--

Go to Step 2

Go to Powertrain On Board Diagnostic (OBD) System Check

2

  1. Install a scan tool.
  2. Start the engine.
  3. Idle the engine for 2 minutes.
  4. Monitor the Diagnostic Trouble Code (DTC) Information using a scan tool.

Did both DTCs P1635 and P1639 fail this ignition?

--

Go to Step 5

Go to Step 3

3

Did DTC P1635 fail this ignition?

--

Go to Step 9

Go to Step 4

4

Important: If DTCs P1635 and P1639 set go to step 5. If only DTC P1635 sets go to step 9.

  1. Turn ON the ignition leaving the engine OFF.
  2. Review the Freeze Frame and/or Failure Records data for this DTC and observe the parameters.
  3. Turn OFF the ignition for 15 seconds.
  4. Start the engine.
  5. Operate the vehicle within the conditions required for this diagnostic to run, and as close to the conditions recorded in Freeze Frame/Failure Records as possible. Special operating conditions that you need to meet before the PCM will run this diagnostic, where applicable, are listed in Conditions for Running the DTC.
  6. Select the Diagnostic Trouble Code (DTC) option, the Specific DTC option, then enter the DTC number using the scan tool. You will have to select P1635 and P1639 to determine if both DTCs set at the same time.

Does the scan tool indicate that DTC P1635 or P1635 and P1639 set this ignition?

--

Go to Step 5

Go to Diagnostic Aids

5

  1. Allow the engine to idle.
  2. Monitor the voltages for the following sensors:
  3. • The Fuel Level sensor(s)
    • The Fuel Tank Pressure sensor
    • The Engine Oil Pressure sensor
    • The A/C Refrigerant Pressure sensor
    • The MAP sensor

Does the scan tool display any of the voltages at or above the specified value?

5V

Go to Step 15

Go to Step 6

6

  1. Turn OFF the engine leaving the ignition ON.
  2. Monitor the following voltages using a scan tool:
  3. • The Fuel Level sensor(s)
    • The Fuel Tank Pressure sensor
    • The Engine Oil Pressure sensor
    • The A/C Refrigerant Pressure sensor
    • The MAP sensor
  4. Enable the fuel pump using the scan tool.

Do any of the voltages increase when the fuel pump was turned ON?

--

Go to Step 11

Go to Step 7

7

  1. Turn OFF the ignition.
  2. Disconnect the PCM harness connector C1. Refer to Powertrain Control Module/Throttle Actuator Control Module Replacement .
  3. Turn ON the ignition leaving the engine OFF.
  4. Connect the DMM J 39200 to ground.
  5. Probe the other lead of the DMM to each 5 volt reference circuit at the PCM harness connector for the following components:
  6. • The Fuel Tank Pressure sensor
    • The Engine Oil Pressure sensor
    • The A/C Refrigerant Pressure sensor
    • The MAP sensor

Do any of the circuits measure greater than the specified value?

5.1V

Go to Step 12

Go to Step 8

8

  1. Turn OFF the ignition.
  2. Test continuity from each 5 volt reference circuit to all other PCM circuits at the PCM harness connector using the DMM J 39200 . Example: probe one lead to the MAP sensor 5  volt reference (at the PCM harness connector) circuit and probe the other lead to each terminal at the PCM harness connector. This must be performed for each 5  volt reference circuit. Refer to Testing for Continuity in Wiring Systems.

Do any of the circuits indicate a resistance within the specified range?

0-2ohms

Go to Step 13

Go to Step 16

9

  1. Turn OFF the ignition.
  2. Disconnect the PCM connector C1 located on the same side of the manufacturer's logo. Refer to Powertrain Control Module/Throttle Actuator Control Module Replacement .
  3. Connect the Test Lamp J 35616-200 to B+.
  4. Probe the Test Lamp to the PCM connector 5 volt reference circuits for the following components:
  5. • The MAP sensor
    • The Engine Oil Pressure sensor

Does the test lamp illuminate for any of the circuits?

--

Go to Step 14

Go to Step 10

10

Test continuity from each 5 volt reference circuit to all other PCM circuits at the PCM harness connector using the DMM J 39200 . Example: probe one lead to the MAP sensor 5 volt reference (at the PCM harness connector) circuit and probe the other lead to each terminal at the PCM harness connector. This must be performed for each 5 volt reference circuit. Refer to Testing for Continuity in Wiring Systems.

Do any of the circuits indicate a resistance within the specified range?

0-2ohms

Go to Step 13

Go to Step 16

11

Repair the short between the fuel pump circuit and the appropriate 5 volt reference circuit or signal circuit. Refer to Wiring Repairs in Wiring Systems.

Is the action complete?

--

Go to Step 17

--

12

Repair the short to voltage on the appropriate 5 volt reference circuit. Refer to Wiring Repairs in Wiring Systems.

Is the action complete?

--

Go to Step 17

--

13

Repair the short between the appropriate 5 volt reference circuit and the PCM circuit that had continuity. Refer to Wiring Repairs in Wiring Systems.

Is the action complete?

--

Go to Step 17

--

14

Repair the short to ground on the appropriate 5 volt reference circuit. Refer to Wiring Repairs in Wiring Systems.

Is the action complete?

--

Go to Step 17

--

15

Repair the short to voltage on the appropriate signal circuit. Refer to Wiring Repairs in Wiring Systems.

Is the action complete?

--

Go to Step 17

--

16

Important:: Program the replacement PCM. Refer to Powertrain Control Module/Throttle Actuator Control Module Replacement .

Replace the PCM.

Is the action complete?

--

Go to Step 17

--

17

  1. Select the Diagnostic Trouble Codes (DTC) option and the Clear DTC Information option using the scan tool.
  2. Idle the engine at the normal operating temperature.
  3. Select the Specific DTC option under the Diagnostic Trouble Code (DTC) option using a scan tool.
  4. Operate the vehicle within the Conditions for Running the DTC as specified in the supporting text if applicable.

Does the scan tool indicate that this test ran and passed?

--

Go to Step 18

Go to Step 2

18

Select the Capture Info option and the Review Info option using the scan tool.

Are any DTCs displayed that you have not diagnosed?

--

Go to applicable DTC table

System OK