GM Service Manual Online
For 1990-2009 cars only
Makes
🢒
Chevrolet
🢒
2000
🢒
Corvette
🢒
Brakes
🢒
Antilock Brake System
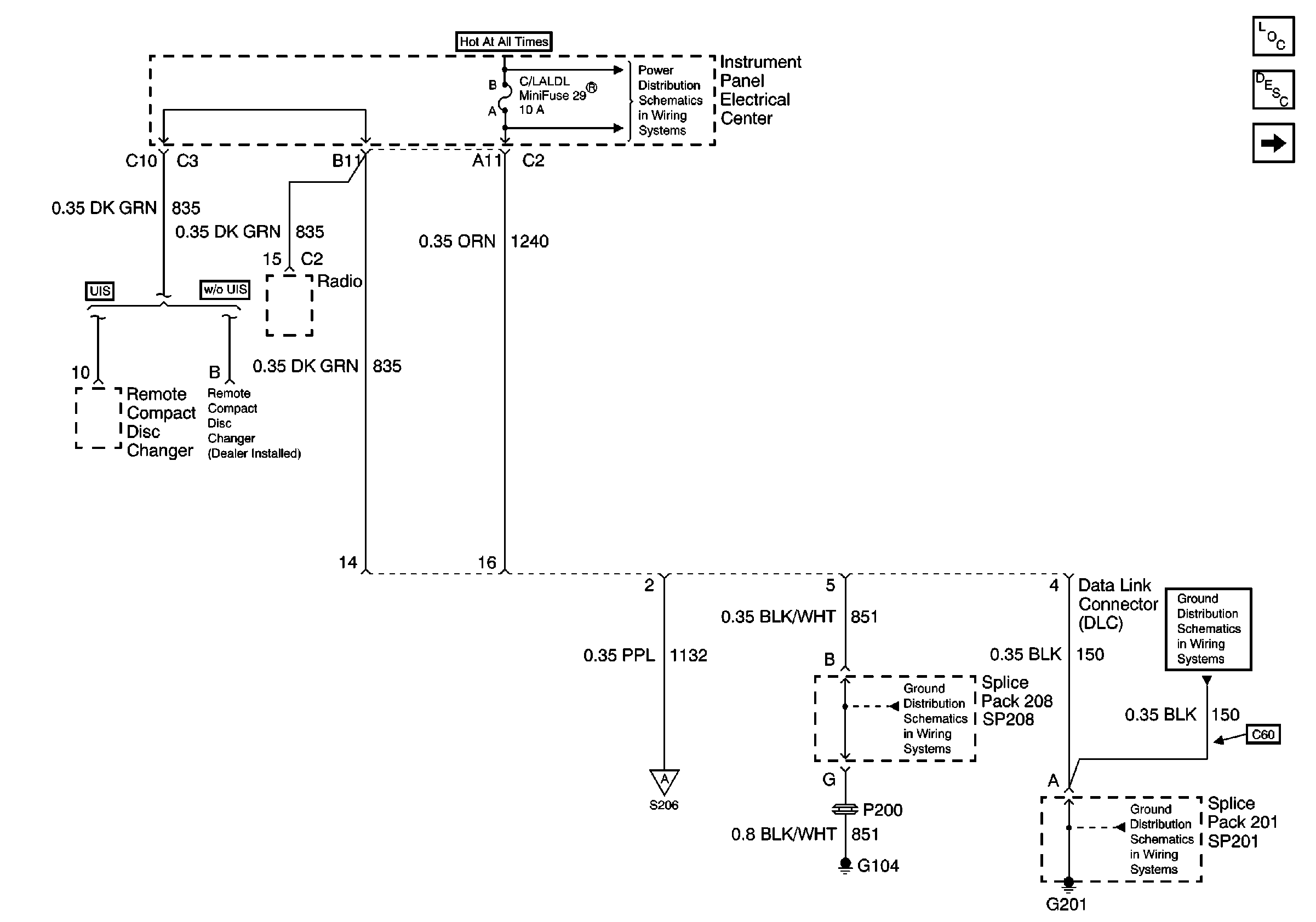
🢒 Data Link Connector Schematics
Figure
1:
Power And Ground
Data Link Communications Components
Data Link Communications Description
Class 2 Serial Data
Power Distribution Schematics
Ground Distribution Schematics
Ground Distribution Schematics
Ground Distribution Schematics
Class 2 Serial Data
Figure
2:
Class 2 Serial Data
Data Link Communications Components
Data Link Communications Description
Power And Ground
Power And Ground