GM Service Manual Online
For 1990-2009 cars only
Makes
🢒
Chevrolet
🢒
2000
🢒
Corvette
🢒
Steering
🢒
Steering Wheel and Column - Tilt
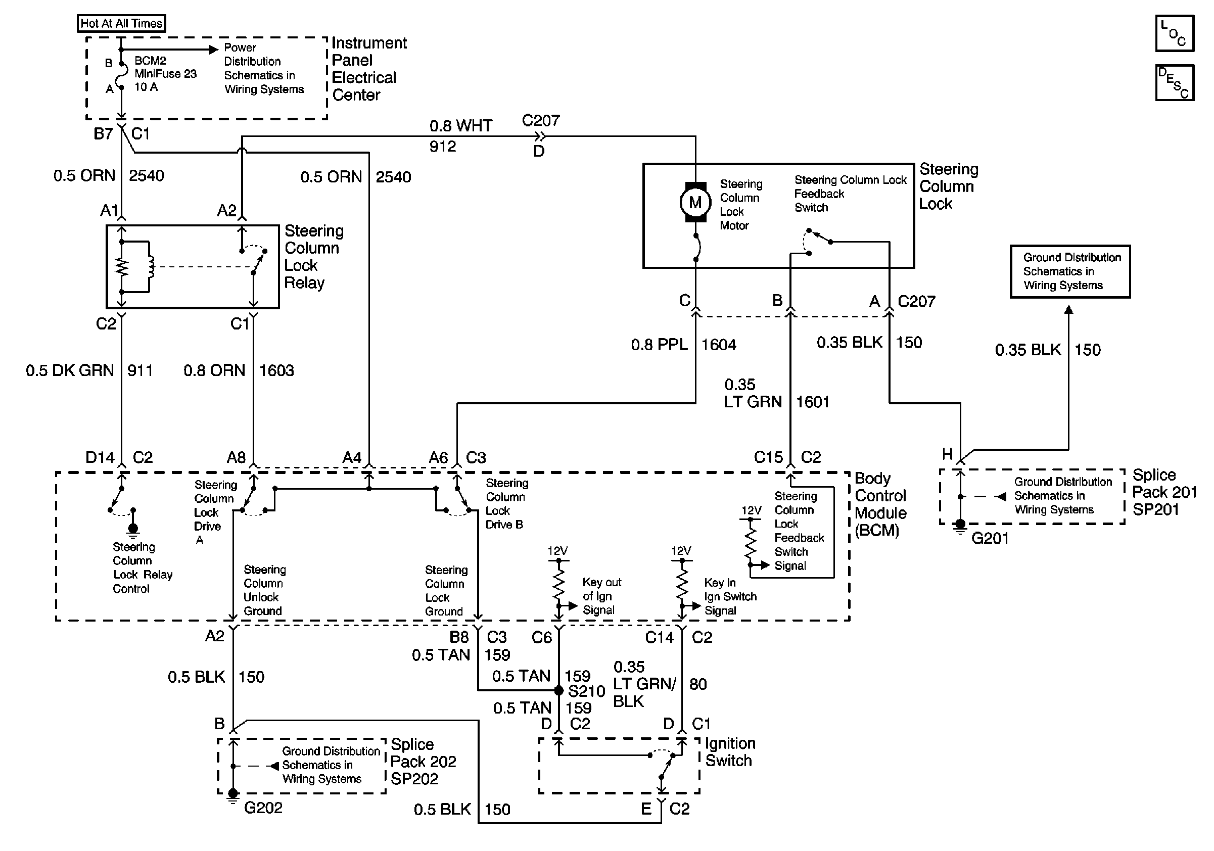
🢒 Column/Ignition Lock Schematics
Tilt Wheel/Column Components
Steering Column Lock Description
Power Distribution Schematics
Ground Distribution Schematics
Ground Distribution Schematics
Ground Distribution Schematics