GM Service Manual Online
For 1990-2009 cars only
Makes
🢒
Chevrolet
🢒
2000
🢒
Corvette
🢒
Steering
🢒
Variable Effort Steering
🢒 Steering Assist Schematics
Figure
1:
Power, Ground and DLC
Steering Controls Components
Variable Effort Steering Circuit Operation
Steering Wheel Position Sensor
Power Distribution Schematics
Data Link Connector Schematics
Data Link Connector Schematics
Suspension Controls Schematics
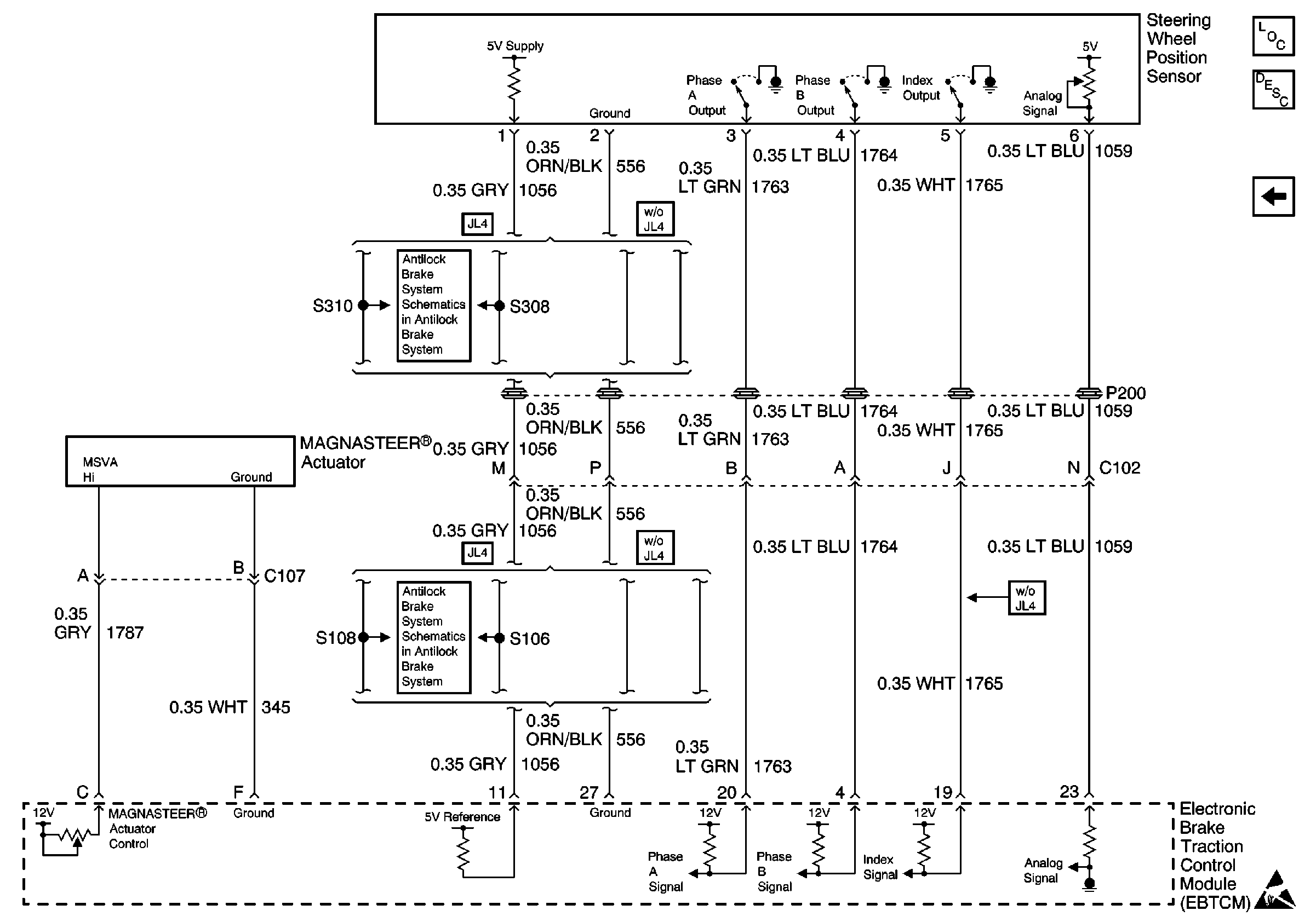
Figure
2:
Steering Wheel Position Sensor
Steering Controls Components
Variable Effort Steering Circuit Operation
Power, Ground and DLC
Antilock Brake System Schematics
Antilock Brake System Schematics