GM Service Manual Online
For 1990-2009 cars only
Makes
🢒
Chevrolet
🢒
2000
🢒
Corvette
🢒
HVAC
🢒
HVAC Systems - Manual
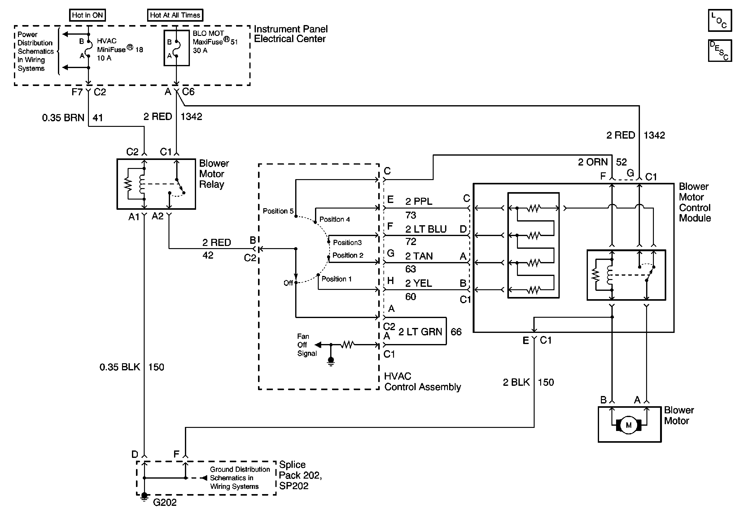
🢒 HVAC Blower Control Schematics
HVAC Components
Power Distribution Schematics
Ground Distribution Schematics
HVAC Blower Controls Circuit Description