GM Service Manual Online
For 1990-2009 cars only
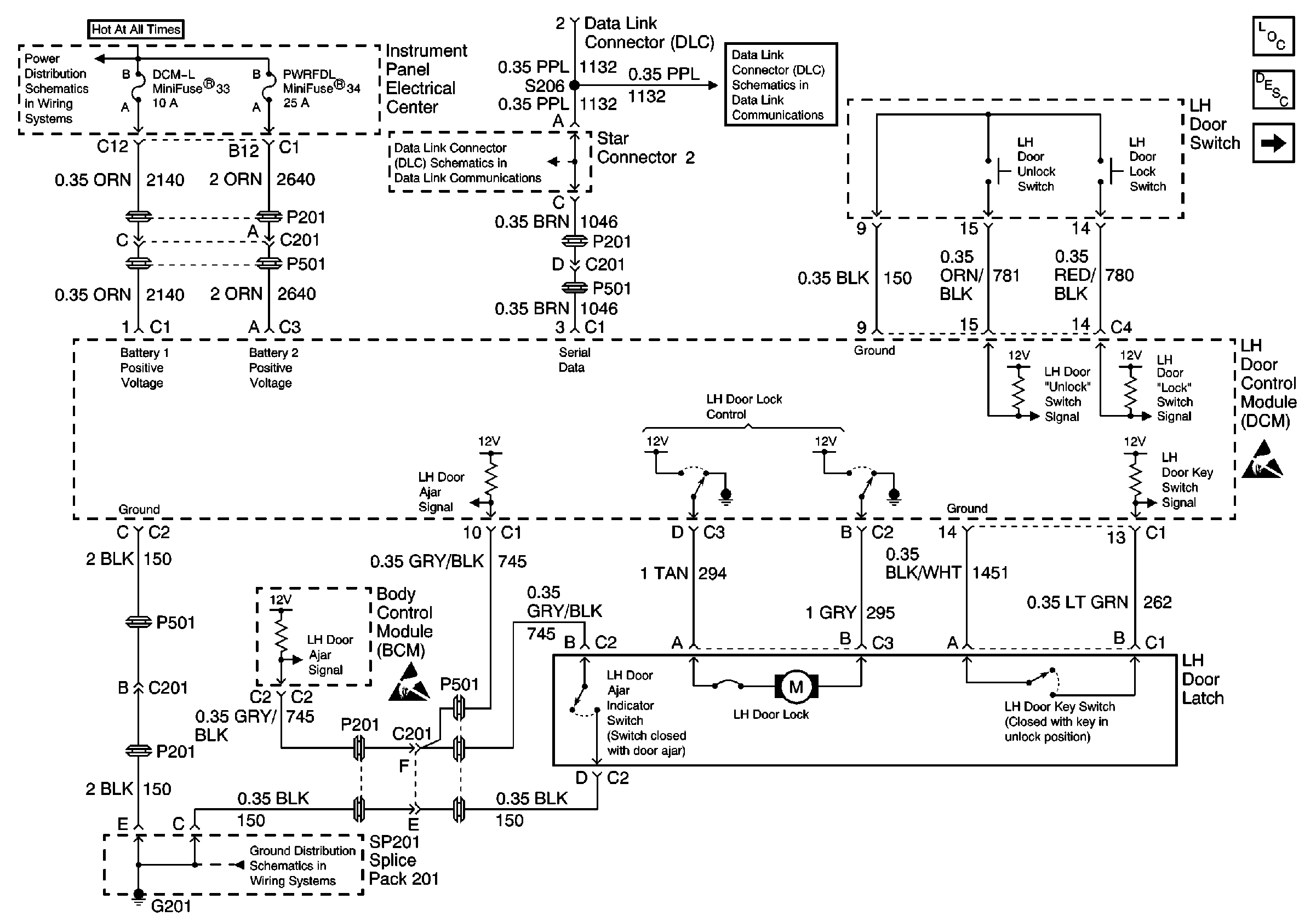
Figure 1:

LH Door Power, Ground and DLC


Object Number: 586755  Size: FS
Power Door Systems Components
Power Door Locks Description
LH Door Switch Signals
Power Distribution Schematics
Ground Distribution Schematics
Data Link Connector Schematics
Data Link Connector Schematics
Handling ESD Sensitive Parts Notice
Handling ESD Sensitive Parts Notice
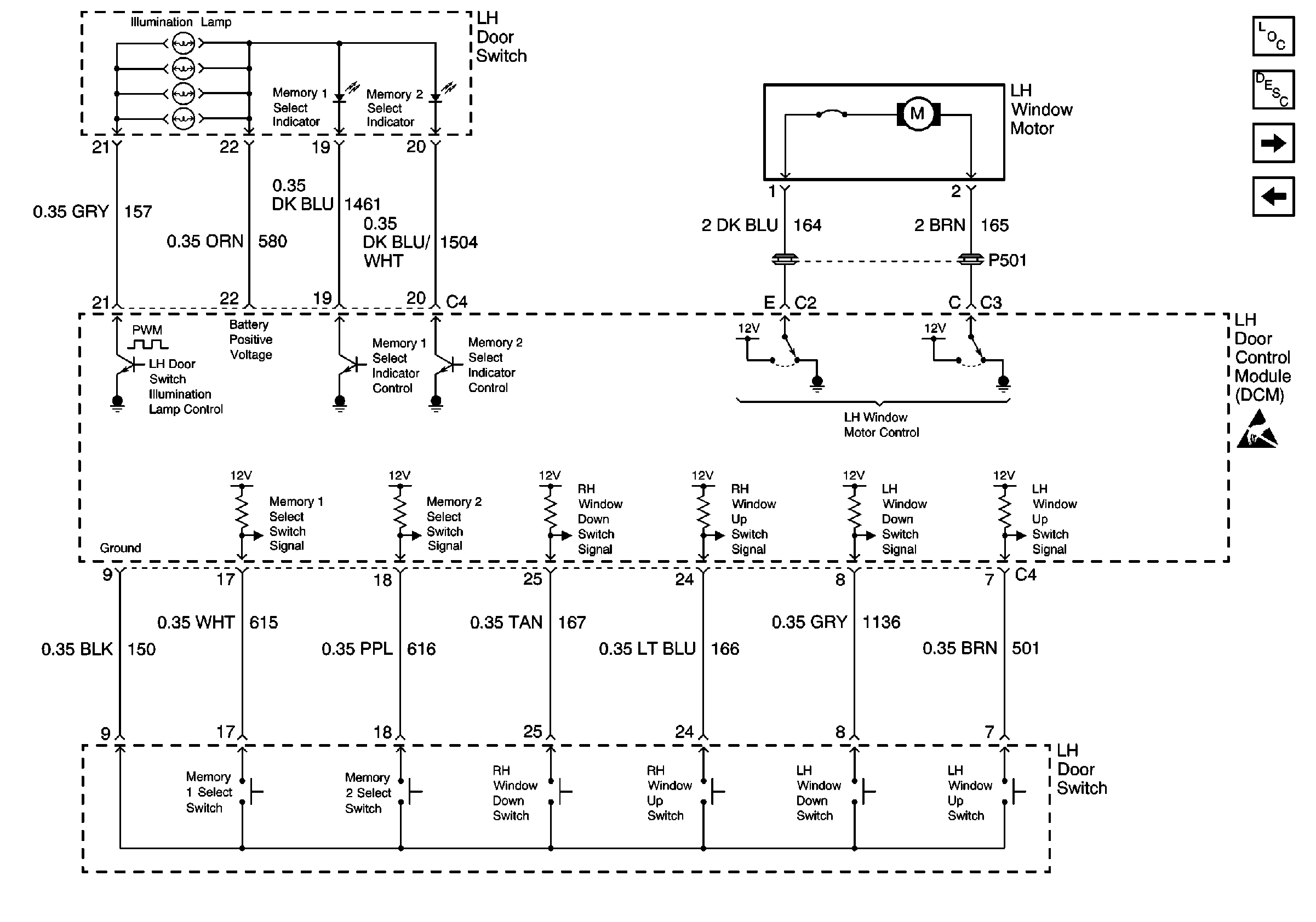
Figure 2:

LH Door Switch Signals


Object Number: 586767  Size: FS
Power Door Systems Components
Power Windows Description
LH Door Mirror Control
LH Door Power, Ground and DLC
Handling ESD Sensitive Parts Notice
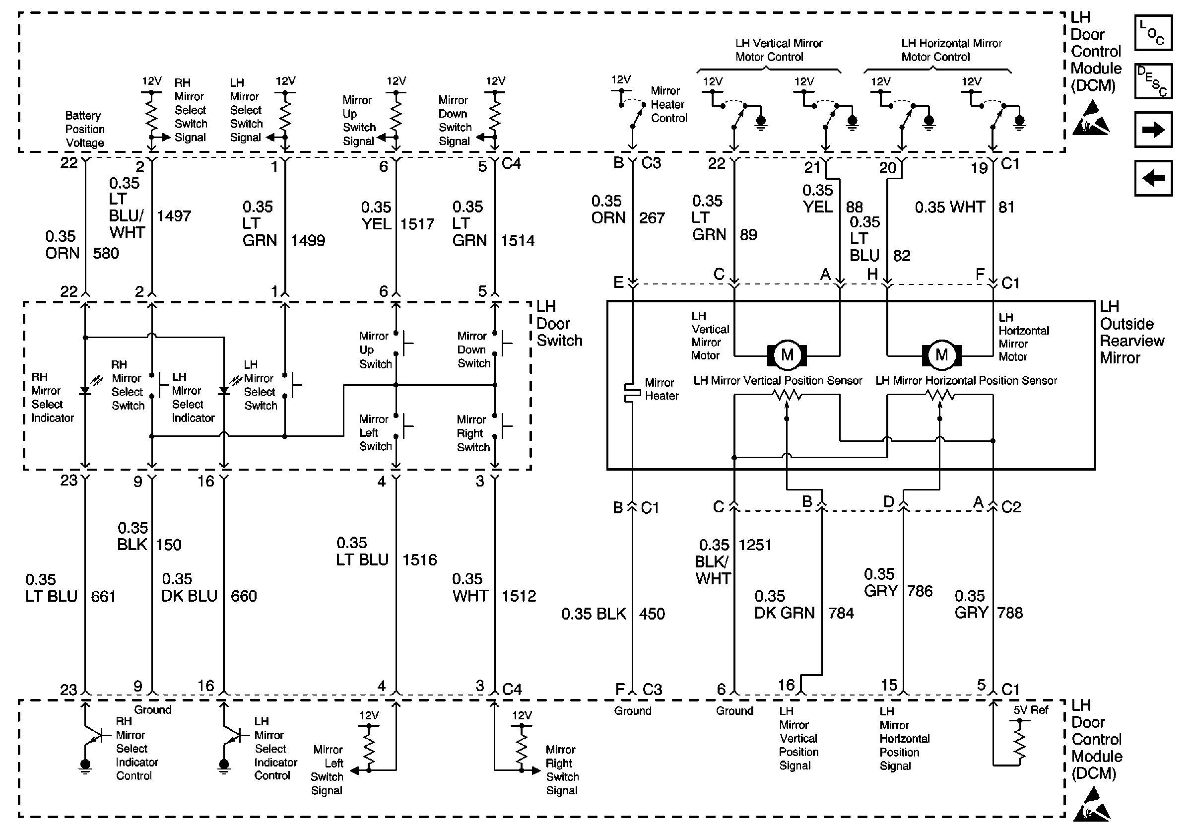
Figure 3:

LH Door Mirror Control


Object Number: 586807  Size: FS
Power Door Systems Components
Outside Mirrors Description
RH Door Power, Ground and DLC
LH Door Switch Signals
Handling ESD Sensitive Parts Notice
Handling ESD Sensitive Parts Notice
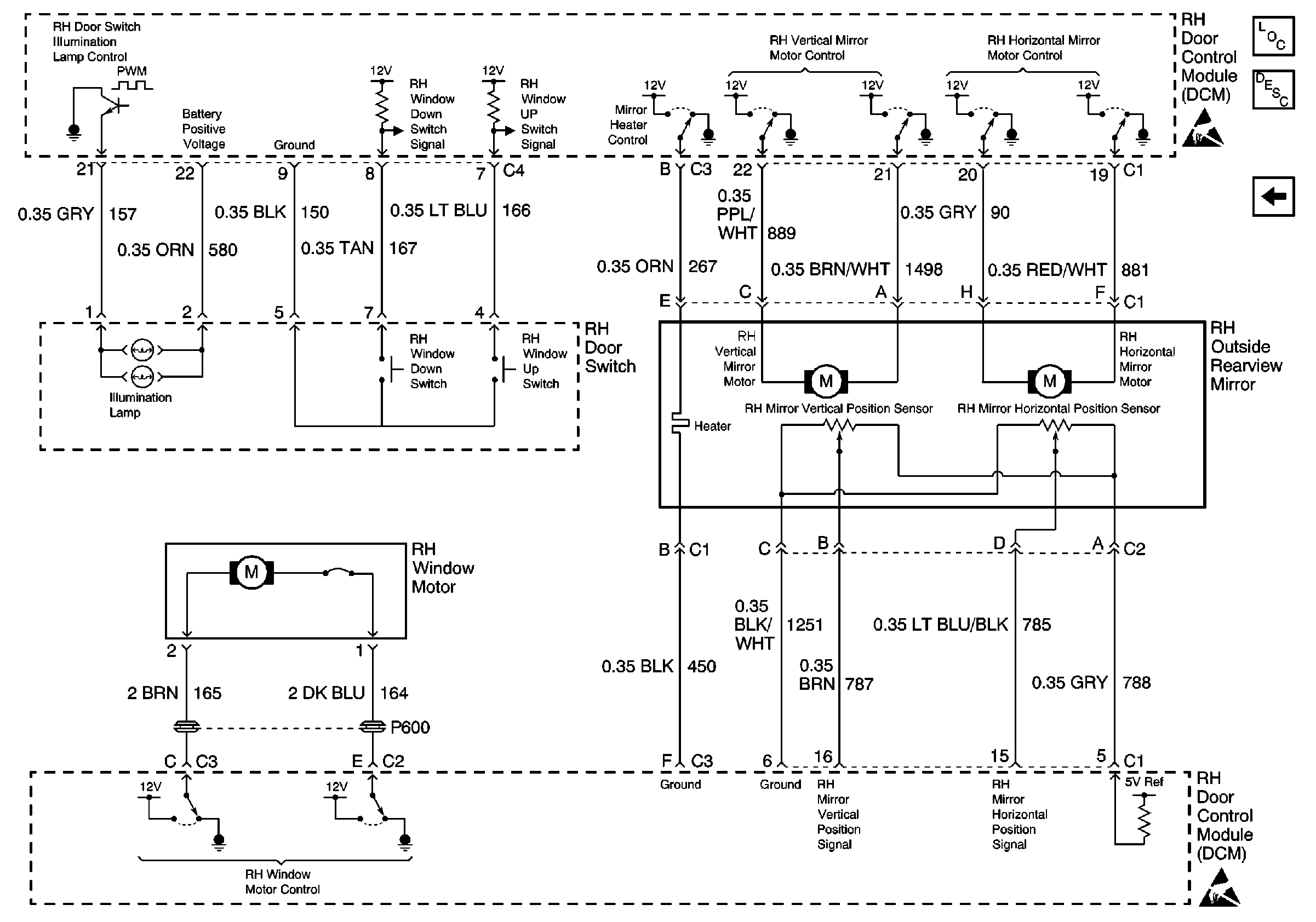
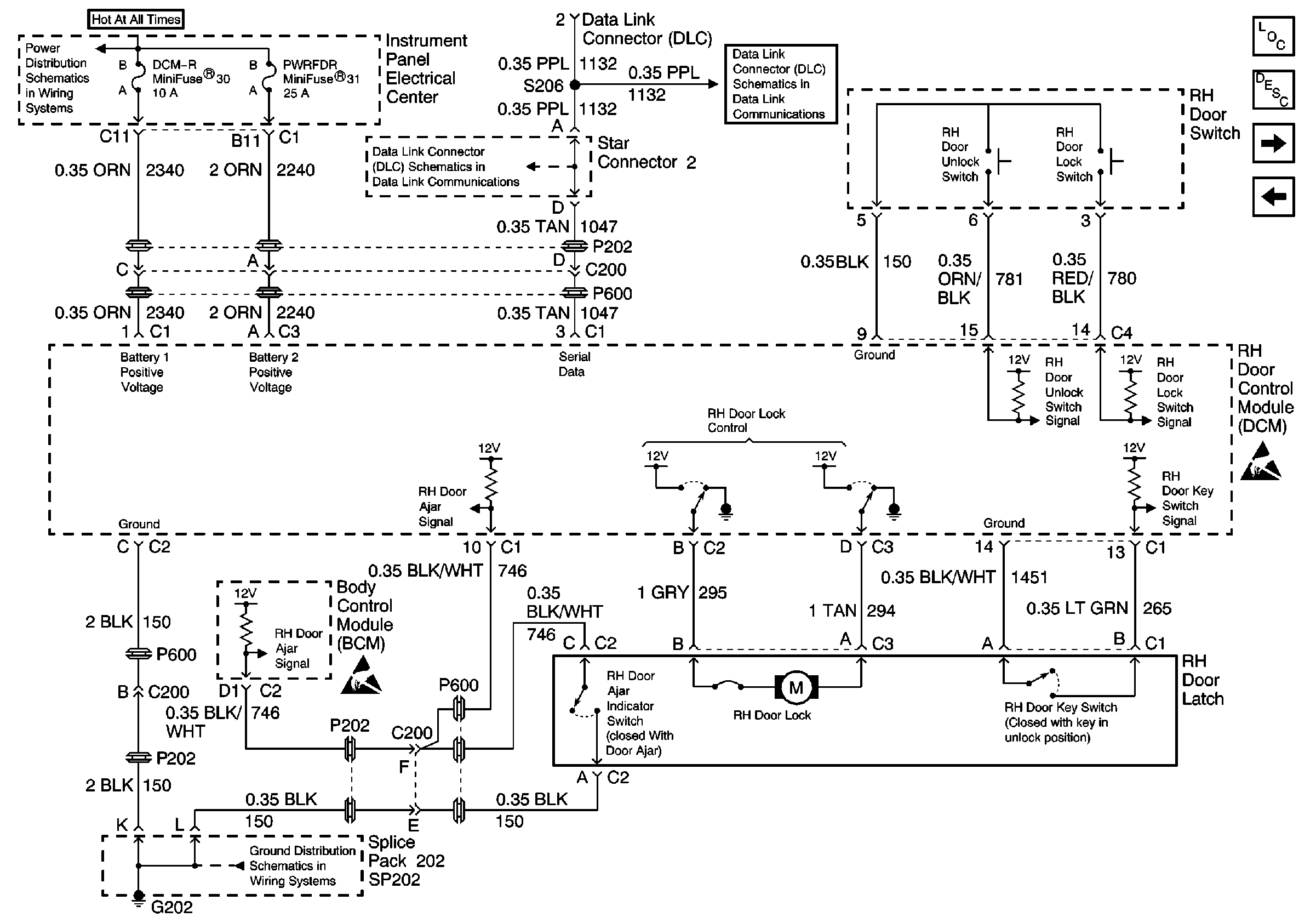
Figure 4:

RH Door Power, Ground and DLC


Object Number: 586815  Size: FS
Power Door Systems Components
Power Door Locks Description
RH Door Mirror and Window Control
LH Door Mirror Control
Power Distribution Schematics
Ground Distribution Schematics
Data Link Connector Schematics
Data Link Connector Schematics
Handling ESD Sensitive Parts Notice
Handling ESD Sensitive Parts Notice
Figure 5:

RH Door Mirror and Window Control


Object Number: 586818  Size: FS
Power Door Systems Components
Outside Mirrors Description
RH Door Power, Ground and DLC
Handling ESD Sensitive Parts Notice
Handling ESD Sensitive Parts Notice