GM Service Manual Online
For 1990-2009 cars only
Figure 1:

Power, Ground and DLC


Object Number: 587101  Size: FS
Body Rear End Components
Rear Compartment Lid Release Circuit Description
Rear Compartment Lid Release (Hardtop/Convertible)
Power Distribution Schematics
Power Distribution Schematics
Power Distribution Schematics
Ground Distribution Schematics
Data Link Connector Schematics
Data Link Connector Schematics
Handling ESD Sensitive Parts Notice
Handling ESD Sensitive Parts Notice
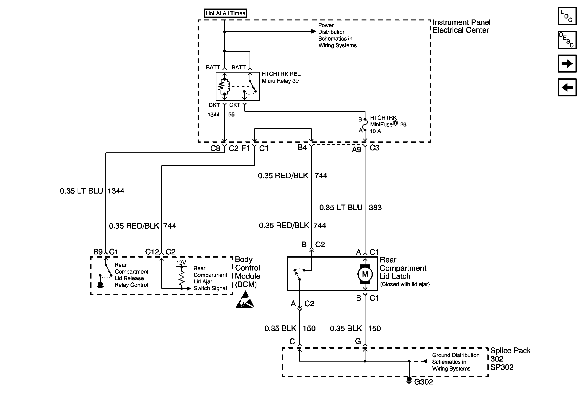
Figure 2:

Rear Compartment Lid Release (Hardtop/Convertable)


Object Number: 587105  Size: FS
Body Rear End Components
Rear Compartment Lid Release Circuit Description
Rear Compartment Lid Release (Coupe)
Power, Ground and DLC
Power Distribution Schematics
Ground Distribution Schematics
Handling ESD Sensitive Parts Notice
Figure 3:

Rear Compartment Lid Release (Coupe)


Object Number: 587108  Size: FS
Body Rear End Components
Rear Compartment Lid Release Circuit Description
Folding Top Control
Rear Compartment Lid Release (Hardtop/Convertible)
Power Distribution Schematics
Ground Distribution Schematics
Handling ESD Sensitive Parts Notice
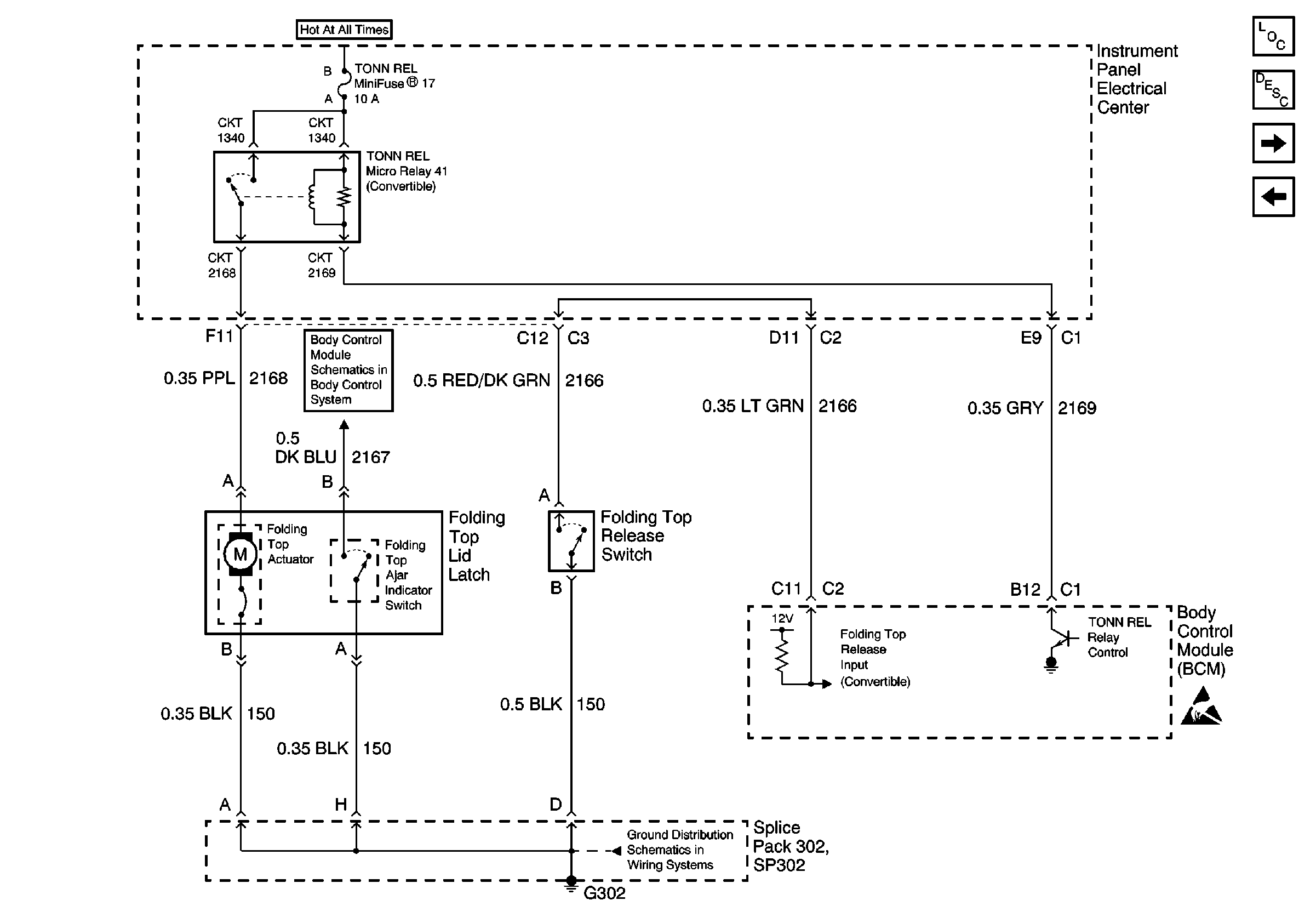
Figure 4:

Folding Top Control


Object Number: 587109  Size: FS
Body Rear End Components
Folding Top Cover Release Circuit Description
Fuel Tank Filler Door Release
Rear Compartment Lid Release (Coupe)
Ground Distribution Schematics
Body Control System Schematics
Handling ESD Sensitive Parts Notice
Figure 5:

Fuel Tank Filler Door Release


Object Number: 587111  Size: FS
Body Rear End Components
Fuel Filler Door Release Circuit Description
Folding Top Control
Power Distribution Schematics
Ground Distribution Schematics