GM Service Manual Online
For 1990-2009 cars only
Makes
🢒
Chevrolet
🢒
2000
🢒
Corvette
🢒 Fuel Pump, Fuel Level Sensors and Fuel Tank Pressure Sensor
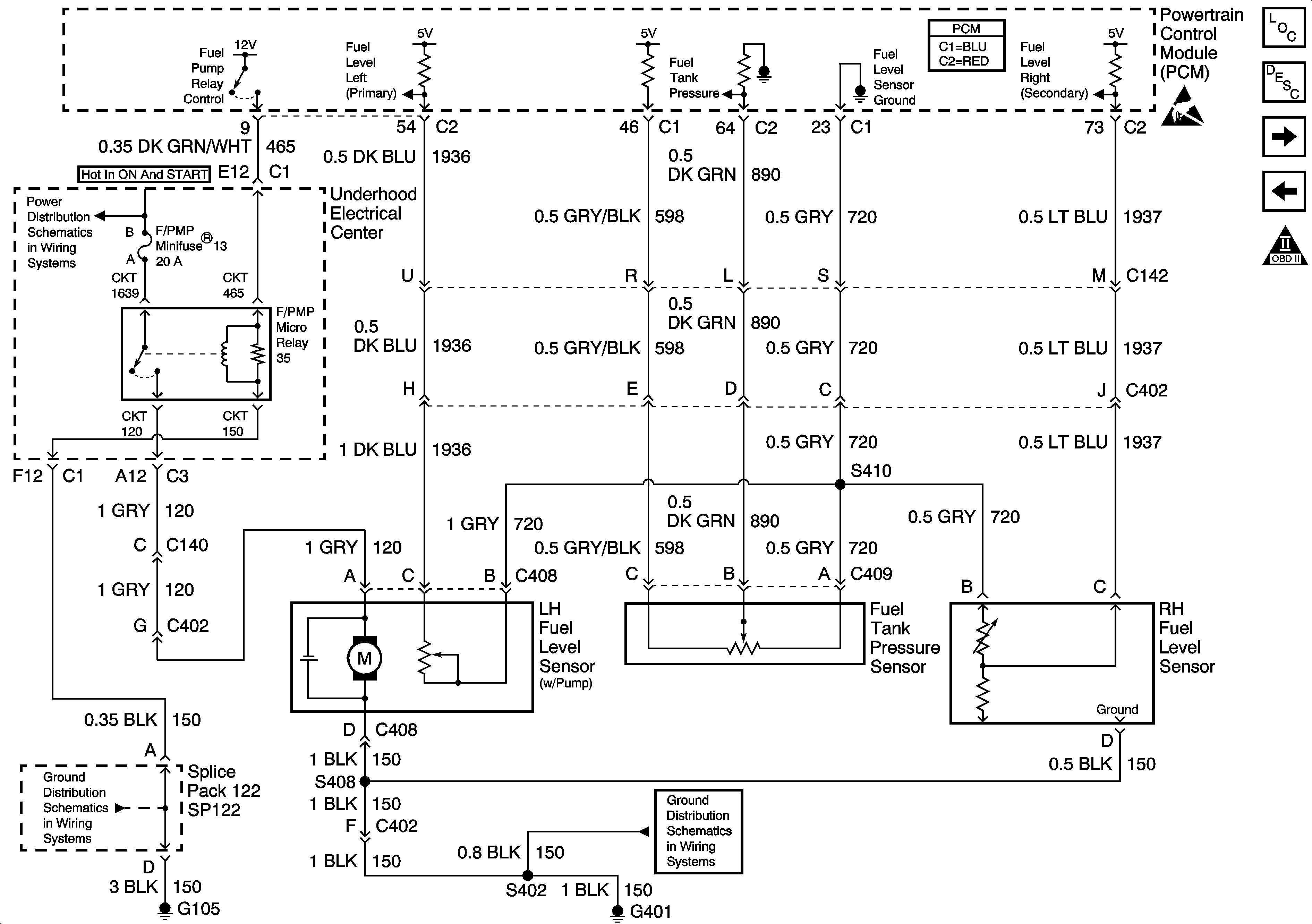
Fuel Pump, Fuel Level Sensors and Fuel Tank Pressure Sensor
Fuel Pump, Fuel Level Sensors and Fuel Tank Pressure Sensor
Engine Controls Components
Fuel Injectors 2, 4, 6 and 8
CKP, CMP, KS and Traction Control System
OBD II Symbol Description Notice
Power Distribution Schematics
Ground Distribution Schematics
Ground Distribution Schematics
Handling ESD Sensitive Parts Notice