GM Service Manual Online
For 1990-2009 cars only
Makes
🢒
Chevrolet
🢒
2004
🢒
Corvette
🢒
Engine
🢒
Engine Electrical
🢒 Starting and Charging Schematics
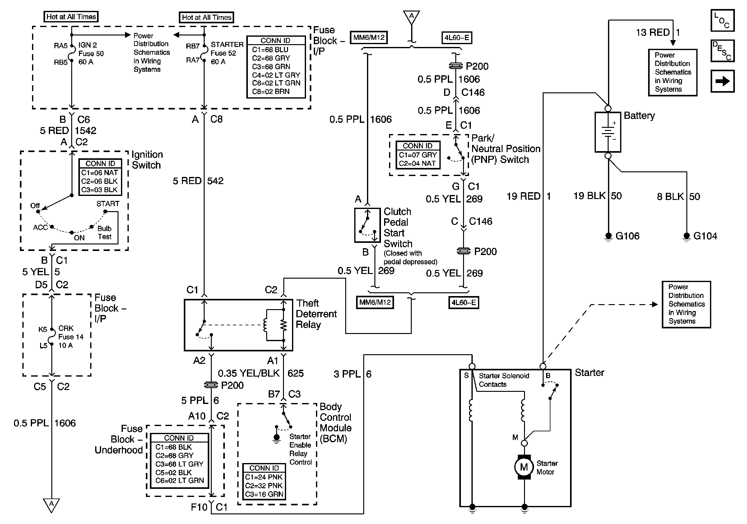
Figure
1:
Starter
Master Electrical Component List
Starting System Description and Operation
Generator
Fuse Block-I/P Bussing (2 of 2)
Fuse Block-Underhood Bussing 1 of 2
Fuse Block-Underhood Bussing 1 of 2
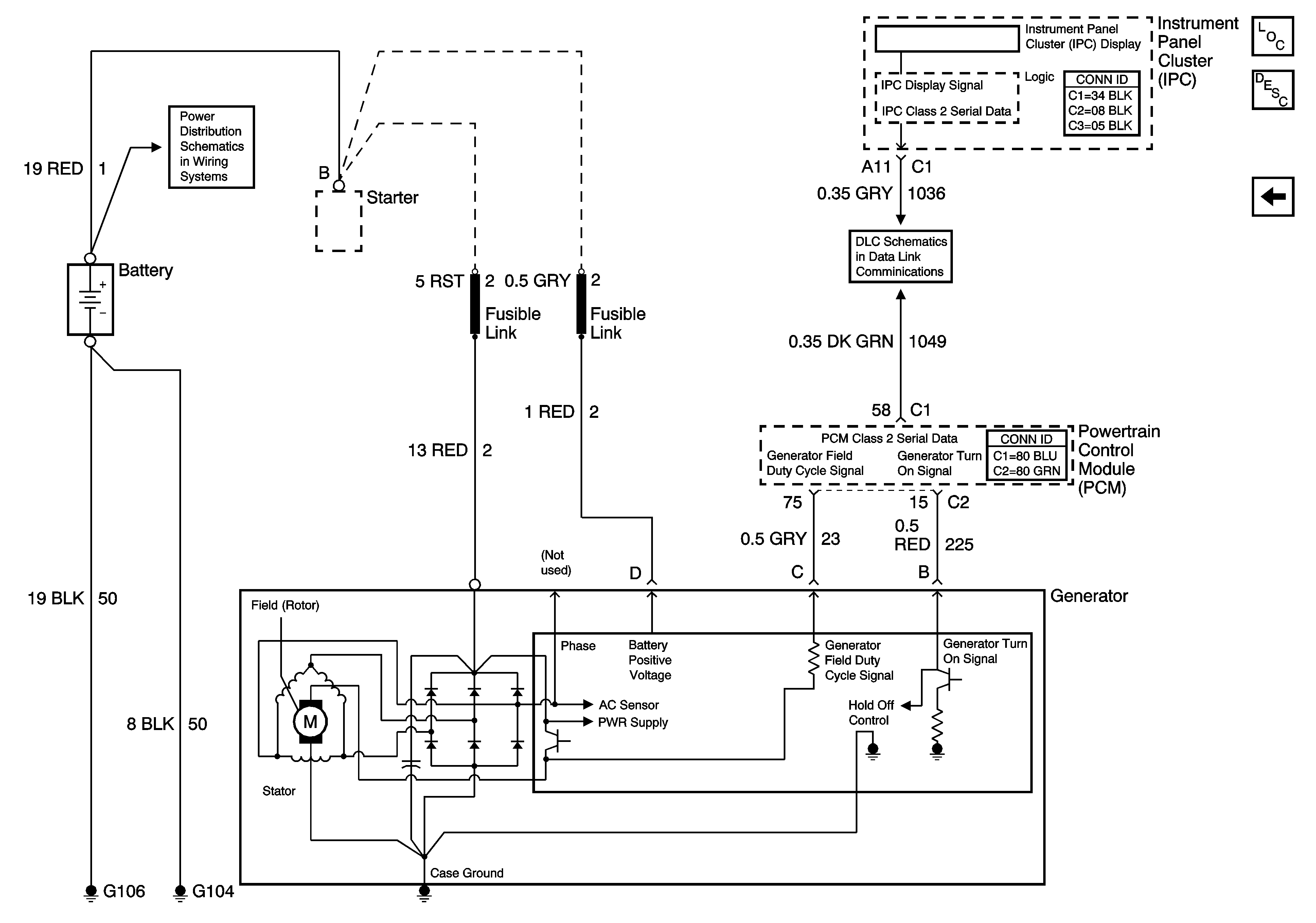
Figure
2:
Generator
Master Electrical Component List
Charging System Description and Operation
Starter
Star Connectors
Fuse Block-Underhood Bussing 1 of 2