GM Service Manual Online
For 1990-2009 cars only
Makes
🢒
Chevrolet
🢒
2004
🢒
Corvette
🢒
Accessories
🢒
Keyless Entry
🢒 Keyless Entry Schematics
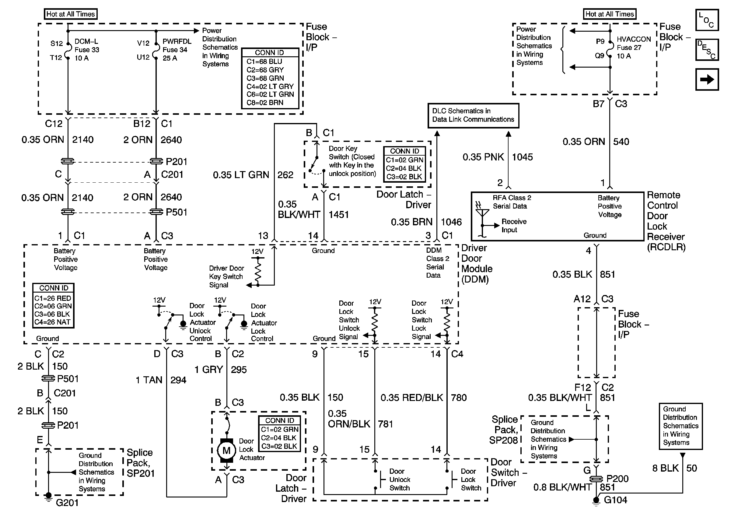
Figure
1:
Driver Door
Master Electrical Component List
Keyless Entry System Description and Operation
Passengers Door
Fuse Block-I/P Bussing (1 of 2)
G201
Star Connectors
Fuse Block-I/P Bussing (1 of 2)
G104
G104
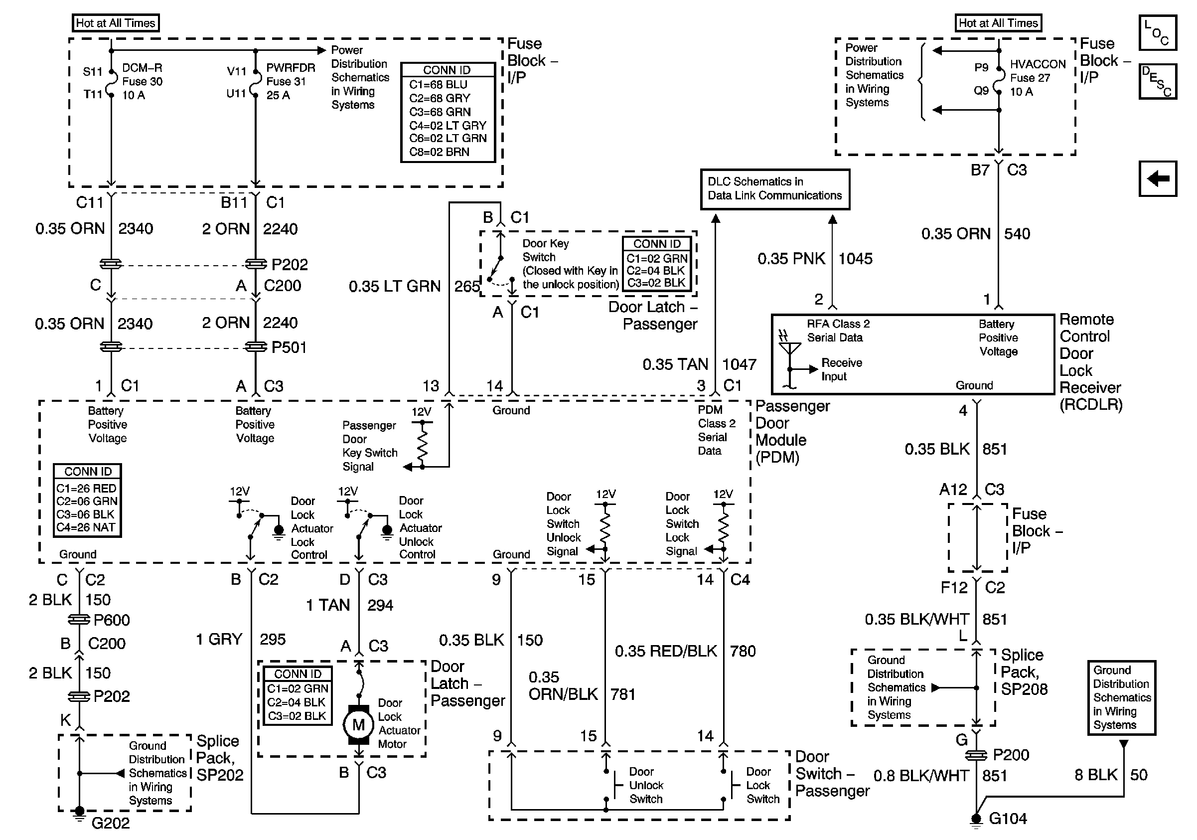
Figure
2:
Passenger Door
Master Electrical Component List
Keyless Entry System Description and Operation
Drivers Door
Fuse Block-I/P Bussing (1 of 2)
G202
Star Connectors
Fuse Block-I/P Bussing (1 of 2)
G104
G104