GM Service Manual Online
For 1990-2009 cars only
Makes
🢒
Chevrolet
🢒
2004
🢒
Corvette
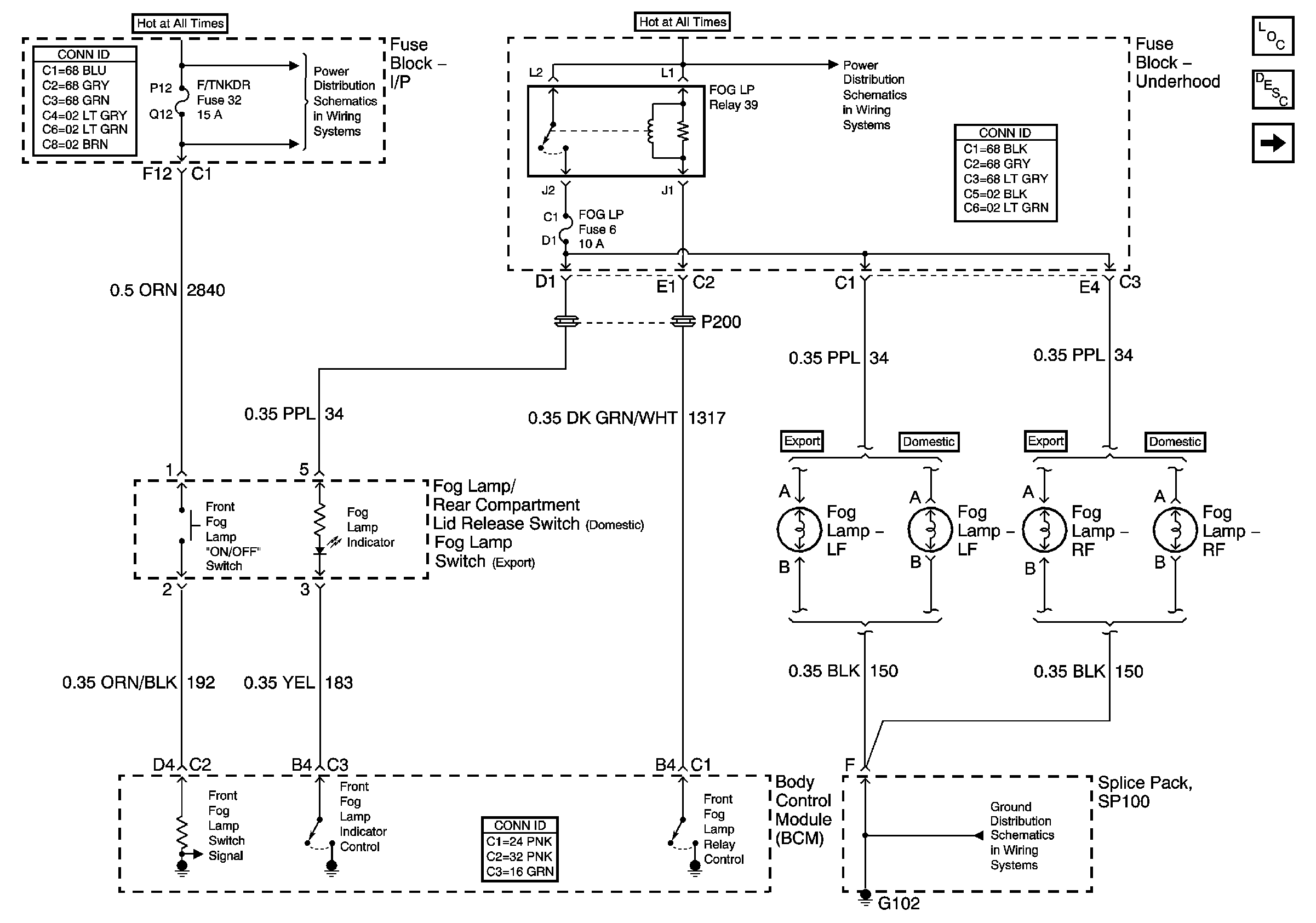
🢒 Front Fog Lamps
Front Fog Lamps
Front Fog Lamps
Master Electrical Component List
Exterior Lighting Systems Description and Operation
Rear Fog Lamps - Europ
Fuse Block-I/P Bussing (1 of 2)
Fuse Block-Underhood Bussing 1 of 2
G101 and G102