GM Service Manual Online
For 1990-2009 cars only
Makes
🢒
Chevrolet
🢒
2004
🢒
Corvette
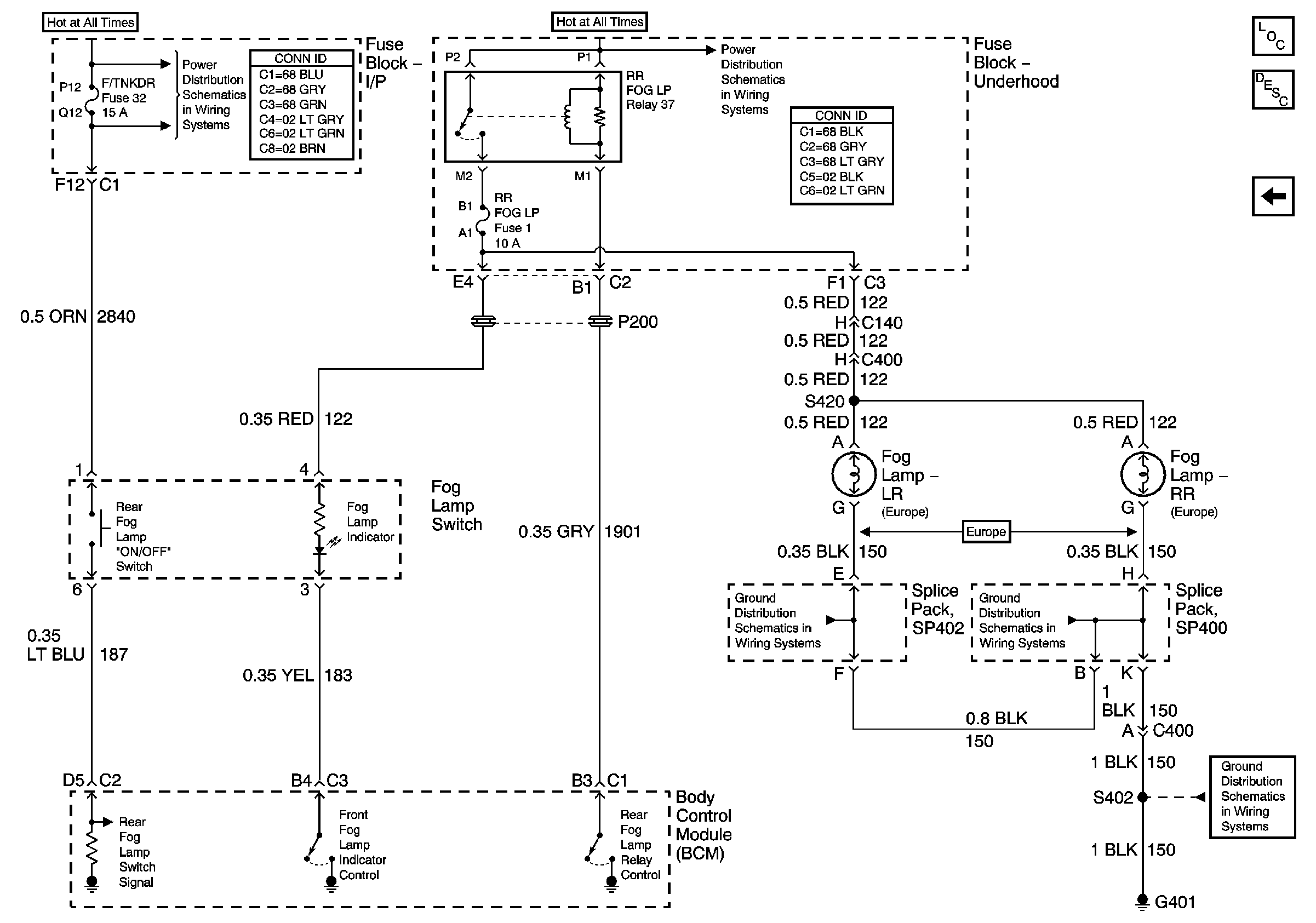
🢒 Rear Fog Lamps - Europ
Rear Fog Lamps - Europ
Rear Fog Lamps - Europe
Master Electrical Component List
Exterior Lighting Systems Description and Operation
Front Fog Lamps
Fuse Block-I/P Bussing (1 of 2)
Fuse Block-Underhood Bussing 1 of 2
SP 402 Japan
G401
G401