GM Service Manual Online
For 1990-2009 cars only
Makes
🢒
Chevrolet
🢒
2004
🢒
Corvette
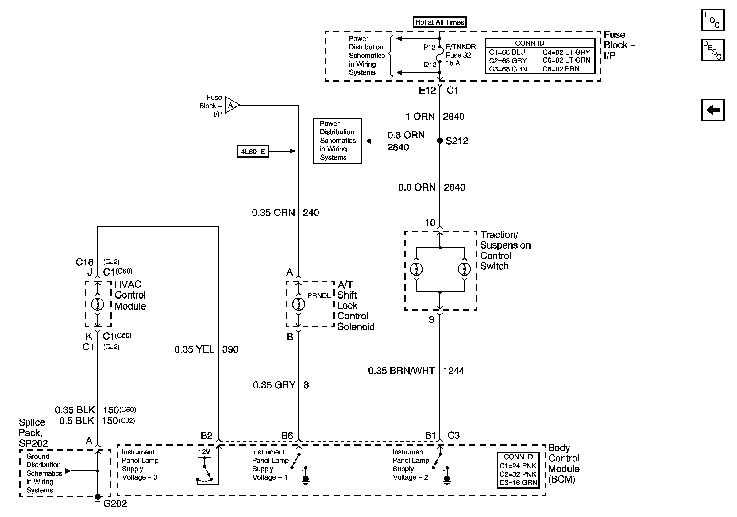
🢒 HVAC Control Module, A/T Shift Lock Control Solenoid, Traction/Suspension Control Switch
HVAC Control Module, A/T Shift Lock Control Solenoid, Traction/Suspension Control Switch
HVAC Control Assembly, Automatic Transmission Shift Lock Control Actuator and Traction/Suspension Control Switch
Master Electrical Component List
Interior Lighting Systems Description and Operation
Fog Lamp Switch
Fog Lamp Switch
G202
Fuse Block-I/P Bussing (1 of 2)
Fuse Block-I/P Fuses 32, 26, 52 and Relay 39