GM Service Manual Online
For 1990-2009 cars only
Makes
🢒
Chevrolet
🢒
2004
🢒
Corvette
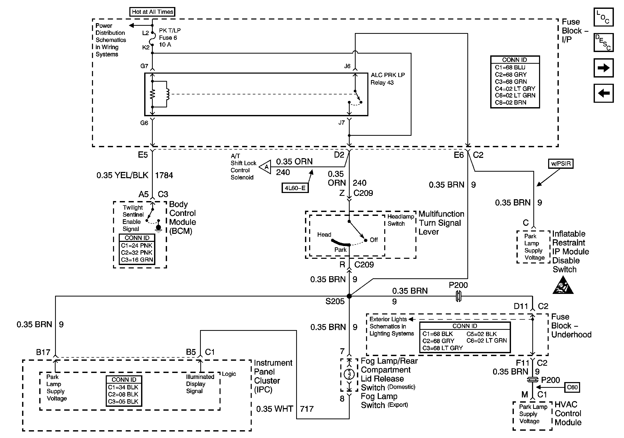
🢒 Fog Lamp Switch
Fog Lamp Switch
Fog Lamp Switch
Master Electrical Component List
Interior Lighting Systems Description and Operation
HVAC Control Module, A/T Shift Lock Control Solenoid, Traction/Suspension Control Switch
Door Switches and Radio
Fuse Block-I/P Bussing (2 of 2)
HVAC Control Module, A/T Shift Lock Control Solenoid, Traction/Suspension Control Switch
Front Park Lamps
SIR Caution for Zoning