GM Service Manual Online
For 1990-2009 cars only
Makes
🢒
Chevrolet
🢒
2004
🢒
Corvette
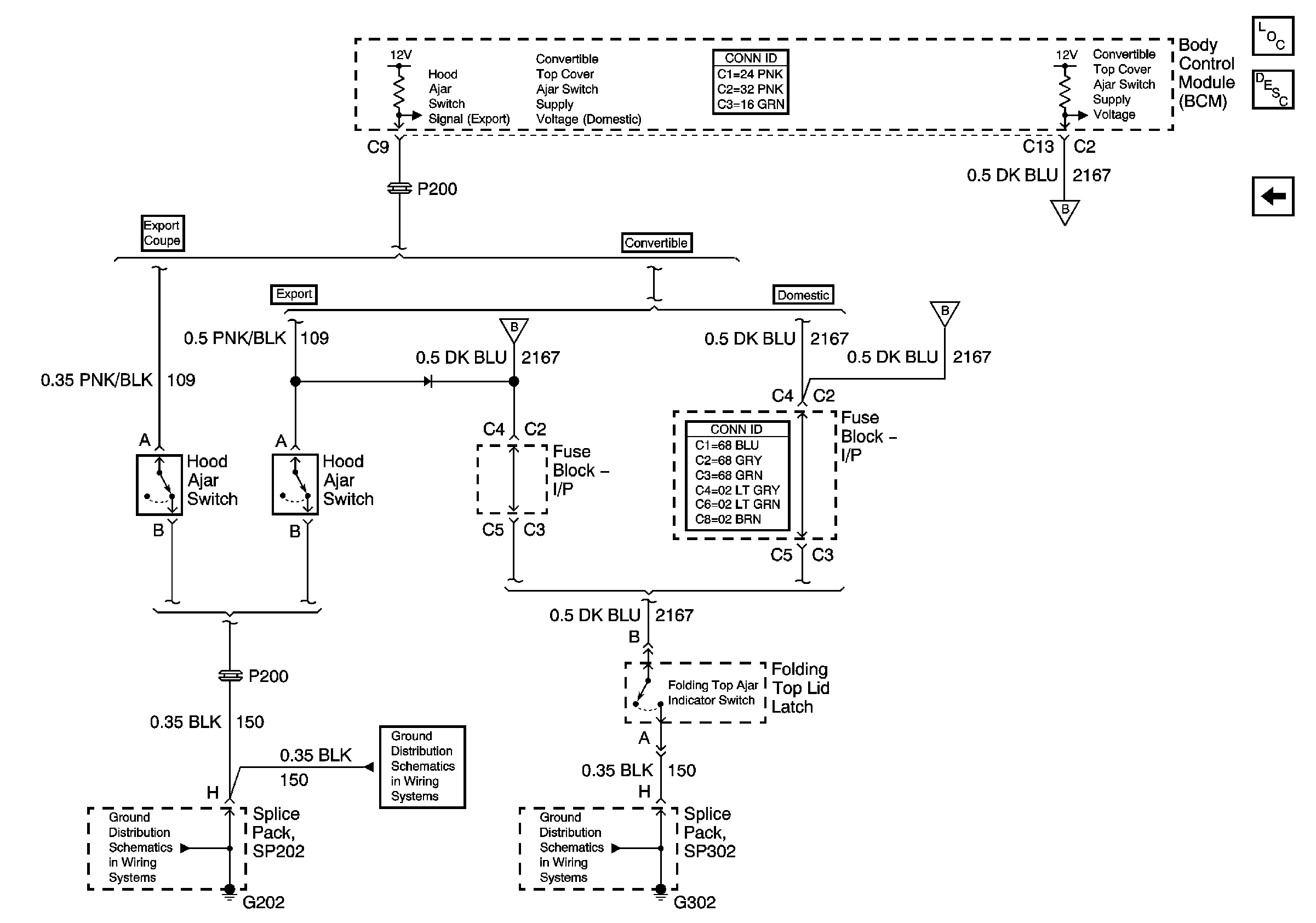
🢒 Hood Ajar Switch Signal and Folding Top Lid Latch Supply Voltage
Hood Ajar Switch Signal and Folding Top Lid Latch Supply Voltage
Hood Ajar Switch Signal and Convertable Top Cover Ajar Switch Supply Voltage
Master Electrical Component List
Theft Systems Description and Operation
Ignition Key Signals and Trunk Release Switch Signal
G202
G202
G301, G402 and G30