GM Service Manual Online
For 1990-2009 cars only
Makes
🢒
Chevrolet
🢒
2004
🢒
Corvette
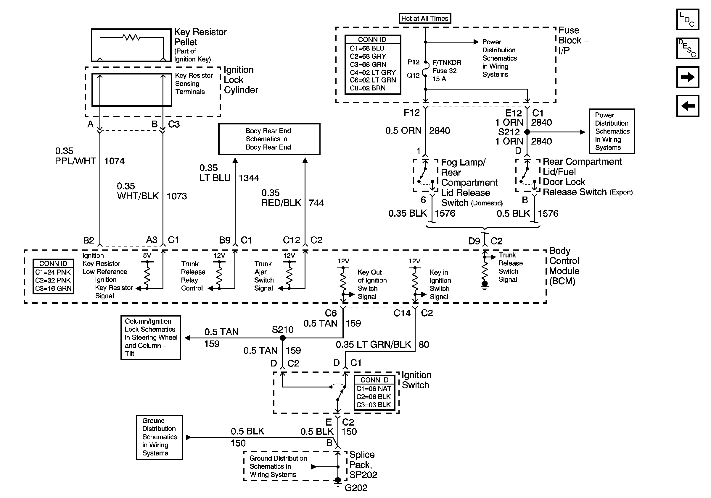
🢒 Ignition Key Signals and Trunk Release Switch Signal
Ignition Key Signals and Trunk Release Switch Signal
Ignition Key Signals and Trunk Release Switch Signal
Master Electrical Component List
Theft Systems Description and Operation
Hood Ajar Switch Signal and Folding Top Lid Latch Supply Voltage
Door Signals
Rear Compartment Lid Release Control and Rear Compartment Lid Ajar Switch (Hardtop/Convertible)
Domestic and Export Manual Transmission
G202
G202
Fuse Block-I/P Bussing (1 of 2)
Fuse Block-I/P Fuses 32, 26, 52 and Relay 39