GM Service Manual Online
For 1990-2009 cars only
Makes
🢒
Chevrolet
🢒
2004
🢒
Corvette
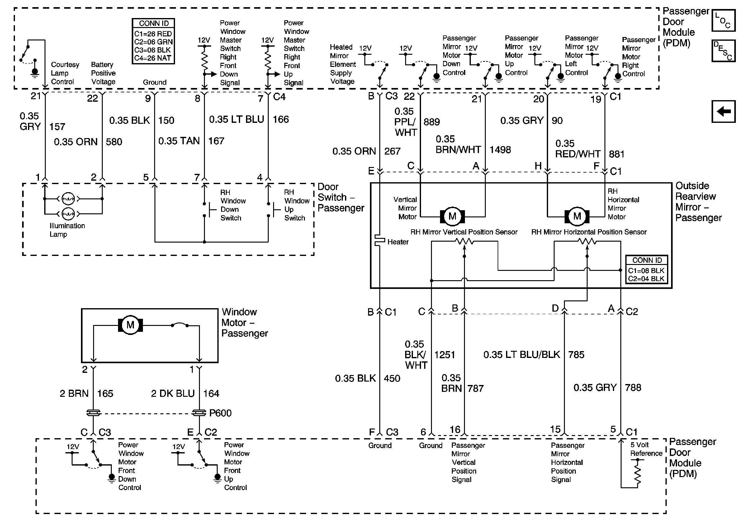
🢒 Passenger Door Mirror and Window Control
Passenger Door Mirror and Window Control
Passenger Door Mirror and Window Control
Master Electrical Component List
Power Windows Description and Operation
Passenger Door Module (PDM) Power, Ground and DLC