GM Service Manual Online
For 1990-2009 cars only
Makes
🢒
Chevrolet
🢒
2004
🢒
Corvette
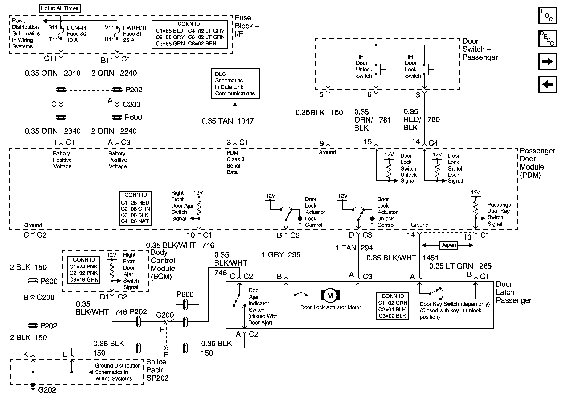
🢒 Passenger Door Module (PDM) Power, Ground and DLC
Passenger Door Module (PDM) Power, Ground and DLC
Passenger Door Module (PDM) Power, Ground and DLC
Master Electrical Component List
Power Door Locks Description and Operation
Passenger Door Mirror and Window Control
Driver Door Mirror Control
Fuse Block-I/P Bussing (1 of 2)
Star Connectors
G202