GM Service Manual Online
For 1990-2009 cars only
Makes
🢒
Chevrolet
🢒
2004
🢒
Corvette
🢒 Driver Door Mirror Control
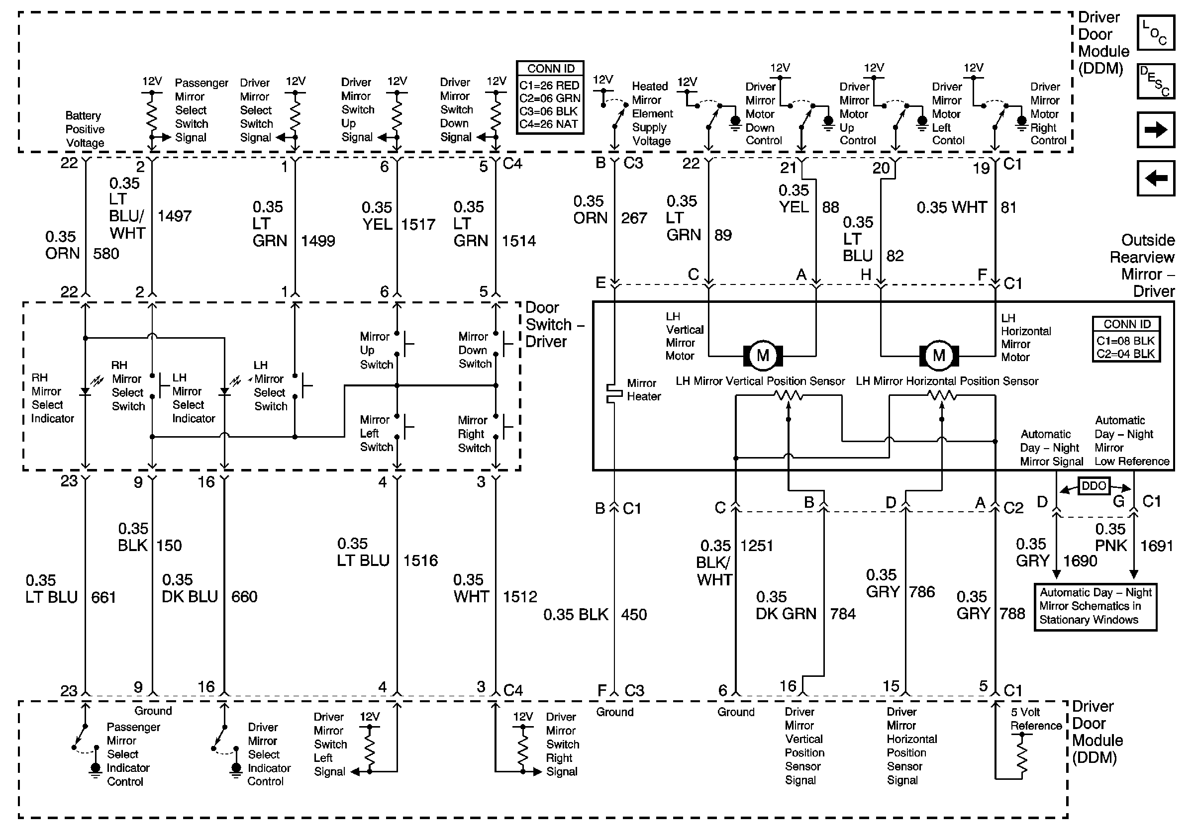
Driver Door Mirror Control
Driver Door Mirror Control
Master Electrical Component List
Outside Mirror Description and Operation
Passenger Door Module (PDM) Power, Ground and DLC
Driver Door Memory and Window Control
Headlight and Photo Sensors