GM Service Manual Online
For 1990-2009 cars only
Makes
🢒
Chevrolet
🢒
2004
🢒
Corvette
🢒 Driver Door Memory and Window Control
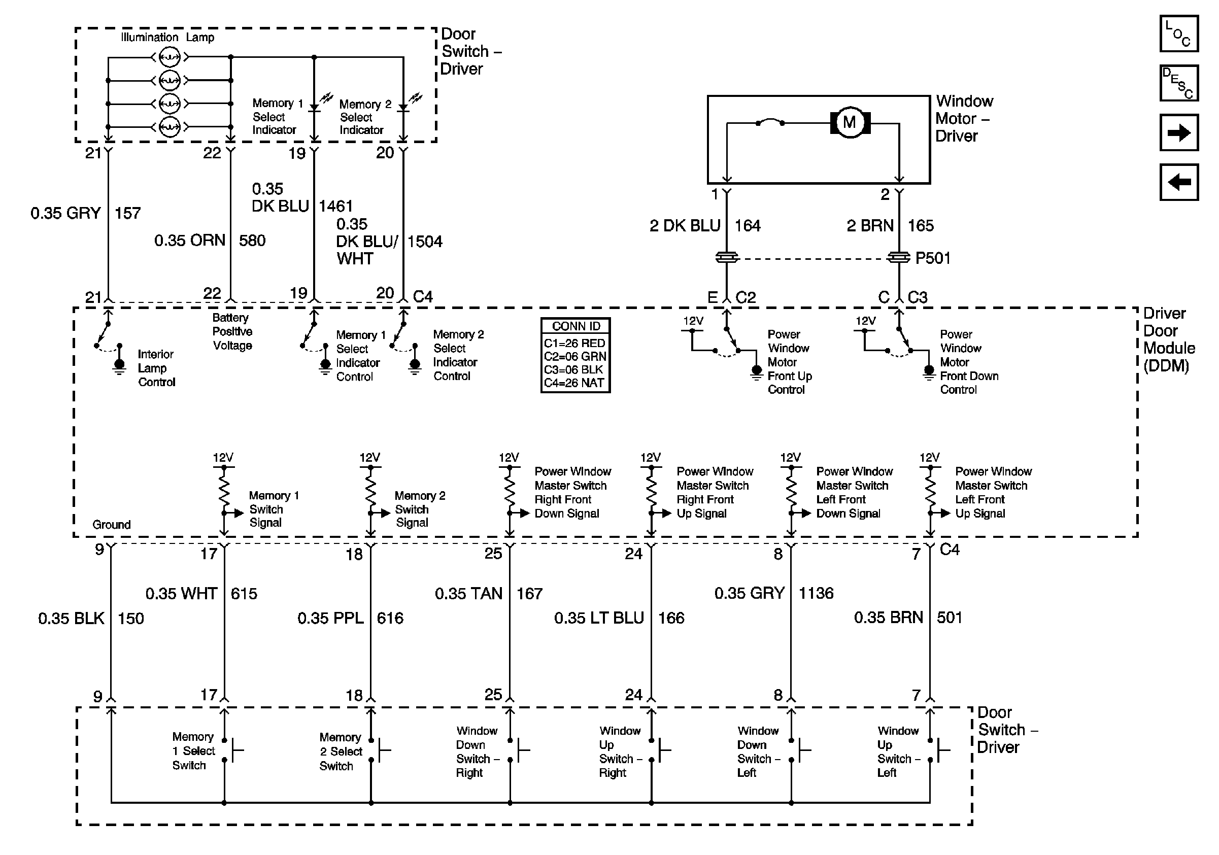
Driver Door Memory and Window Control
Driver Door Memory and Window Control
Master Electrical Component List
Power Windows Description and Operation
Driver Door Mirror Control
Driver Door Module (DDM) Power, Ground and DLC