GM Service Manual Online
For 1990-2009 cars only
Makes
🢒
Chevrolet
🢒
2004
🢒
Corvette
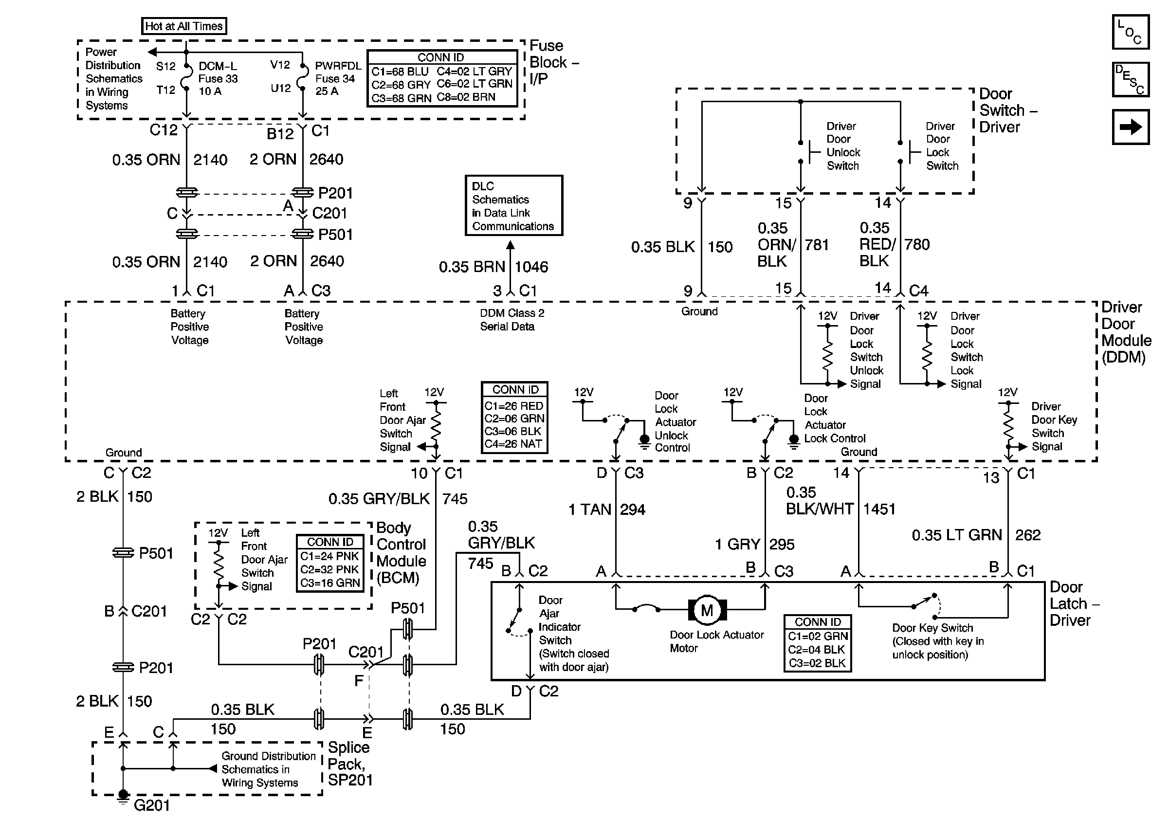
🢒 Driver Door Module (DDM) Power, Ground and DLC
Driver Door Module (DDM) Power, Ground and DLC
Driver Door Module (DDM) Power, Ground and DLC
Master Electrical Component List
Power Door Locks Description and Operation
Driver Door Memory and Window Control
Fuse Block-I/P Bussing (1 of 2)
G201
Star Connectors