GM Service Manual Online
For 1990-2009 cars only
Figure 1:

Power, Ground, DLC, Audio Amplifier, Radio and Audio Signals (US8&U66)


Object Number: 1458789  Size: FS
Master Electrical Component List
Radio/Audio System Description and Operation
Control Module References
Speakers (U66)
Fuse Block-Underhood Bussing
Fuse Block-Underhood Fuses; BATT3, STOP/BU/LPS, BCM Fuses; BTSI SOL,COL LOCK, RADIO/S-BAND/VICS, TONNEAU RELEASE, REAR FOG/ALDL TOP SW, REVERSE LAMPS
Class 2
Entertainment Schematic Icons
Entertainment Schematic Icons
Power, Ground, DLC, Audio Amplifier, Radio, Audio Signals, and Front Speakers (U65)
G104 and G106
Figure 2:

Speakers (U66)


Object Number: 1455022  Size: FS
Master Electrical Component List
Radio/Audio System Description and Operation
Control Module References
Power, Ground, DLC, Audio Amplifier, Radio, Audio Signals, and Front Speakers (U65)
Power, Ground, DLC, Amplifier, Radio and Audio Signals (US8 and U66)
Entertainment Schematic Icons
Figure 3:

Power, Ground, DLC, Audio Amplifier, Radio, Audio Signals and Front Speakers (U65)


Object Number: 1460210  Size: FS
Master Electrical Component List
Radio/Audio System Description and Operation
Control Module References
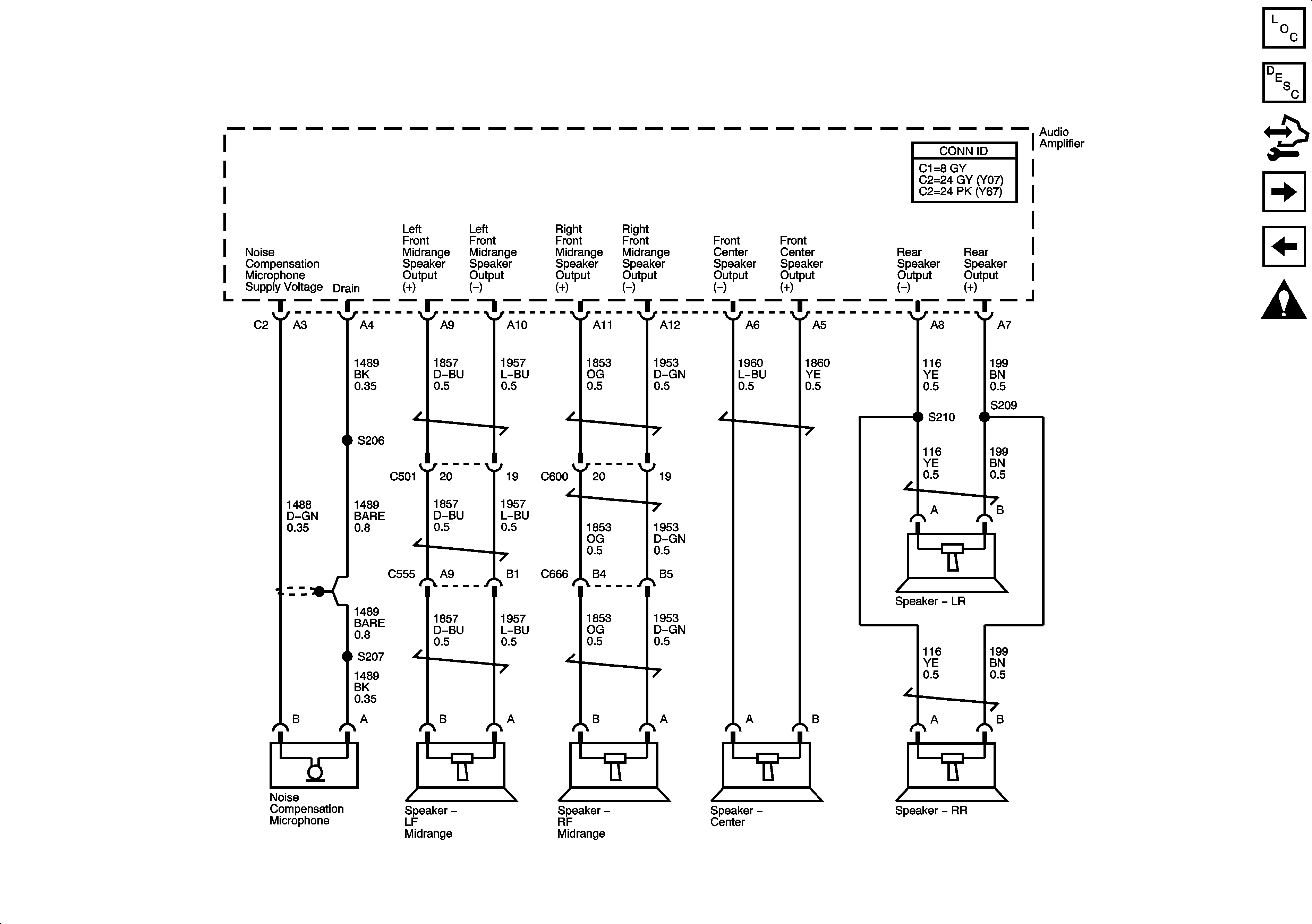
Speakers and Noise Compensation Microphone (U65)
Speakers (U66)
Fuse Block-Underhood Bussing
Gages
Fuse Block-Underhood Fuses; BATT3, STOP/BU/LPS, BCM Fuses; BTSI SOL,COL LOCK, RADIO/S-BAND/VICS, TONNEAU RELEASE, REAR FOG/ALDL TOP SW, REVERSE LAMPS
Class 2
Entertainment Schematic Icons
Entertainment Schematic Icons
Power, Ground, DLC, Amplifier, Radio and Audio Signals (US8 and U66)
Entertainment Schematic Icons
Switches (CM7)
Entertainment Schematic Icons
G104 and G106
G104 and G106
Figure 4:

Speakers and Noise Compensation Microphone (U65)


Object Number: 1455974  Size: FS
Master Electrical Component List
Radio/Audio System Description and Operation
Control Module References
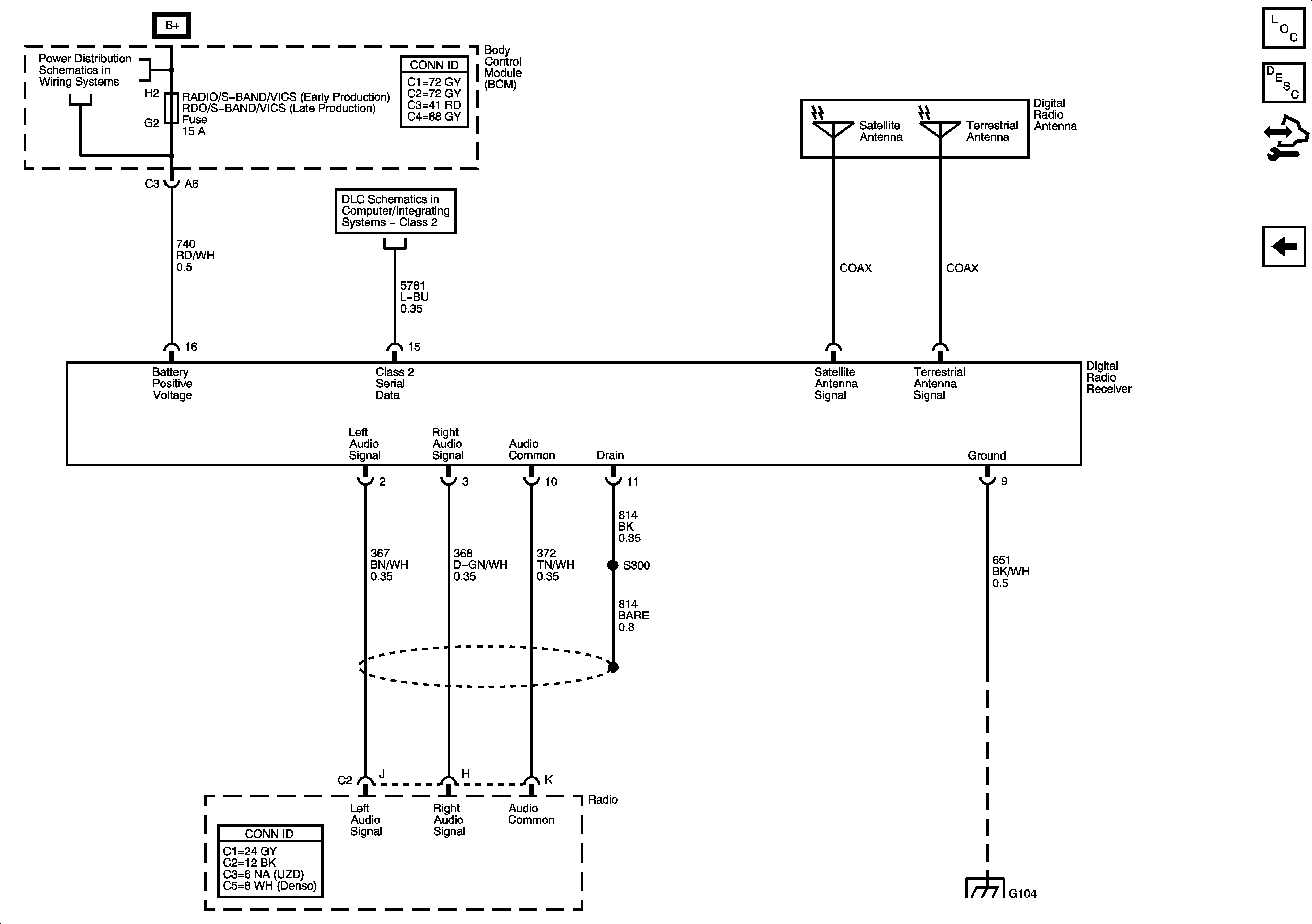
Antennas Except U2K, References to Navigation and Onstar
Power, Ground, DLC, Audio Amplifier, Radio, Audio Signals, and Front Speakers (U65)
Entertainment Schematic Icons
Figure 5:

Antenna's except U2K, References to Navigation and Onstar


Object Number: 1459749  Size: FS
Master Electrical Component List
Radio/Audio System Description and Operation
Control Module References
Digital Radio Receiver (U2K)
Speakers and Noise Compensation Microphone (U65)
Except Japan
Audio Output
Japan
Power, Ground, DLC, Audio Amplifier, Radio, Audio Signals, and Front Speakers (U65)
Figure 6:

Digital Radio Receiver


Object Number: 1459865  Size: FS
Master Electrical Component List
Radio/Audio System Description and Operation
Control Module References
Antennas Except U2K, References to Navigation and Onstar
Fuse Block-Underhood Fuses; BATT3, STOP/BU/LPS, BCM Fuses; BTSI SOL,COL LOCK, RADIO/S-BAND/VICS, TONNEAU RELEASE, REAR FOG/ALDL TOP SW, REVERSE LAMPS
Class 2
G104 and G106