GM Service Manual Online
For 1990-2009 cars only
Makes
🢒
Chevrolet
🢒
2005
🢒
Corvette
🢒 Memory Power Mirrors
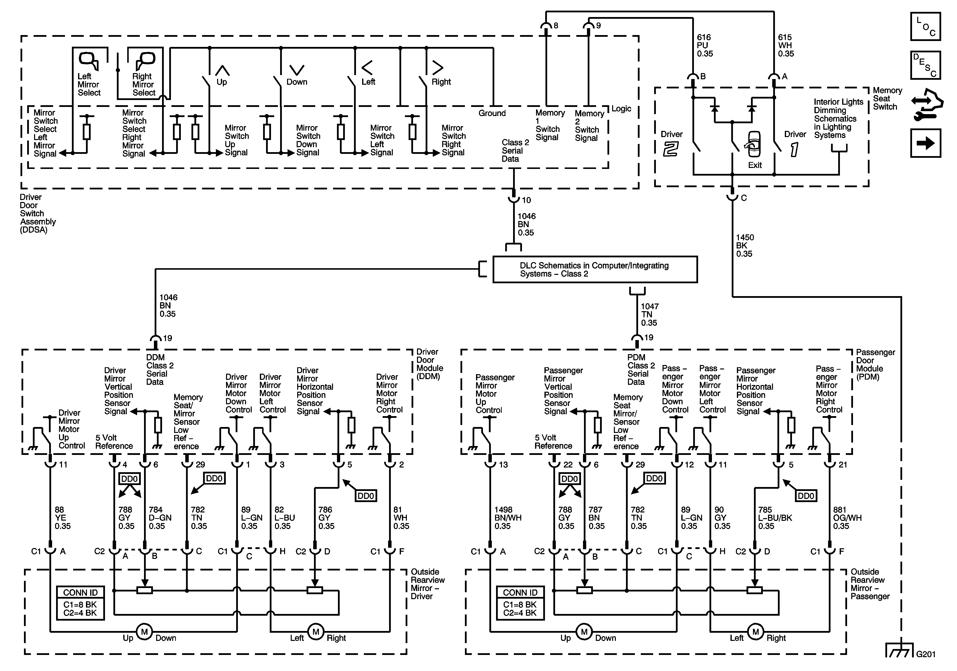
Memory Power Mirrors
Memory Power Mirrors
Master Electrical Component List
Outside Mirror Description and Operation
Control Module References
Dimming Mirror, Heated Mirrors
Class 2