GM Service Manual Online
For 1990-2009 cars only
Makes
🢒
Chevrolet
🢒
2005
🢒
Corvette
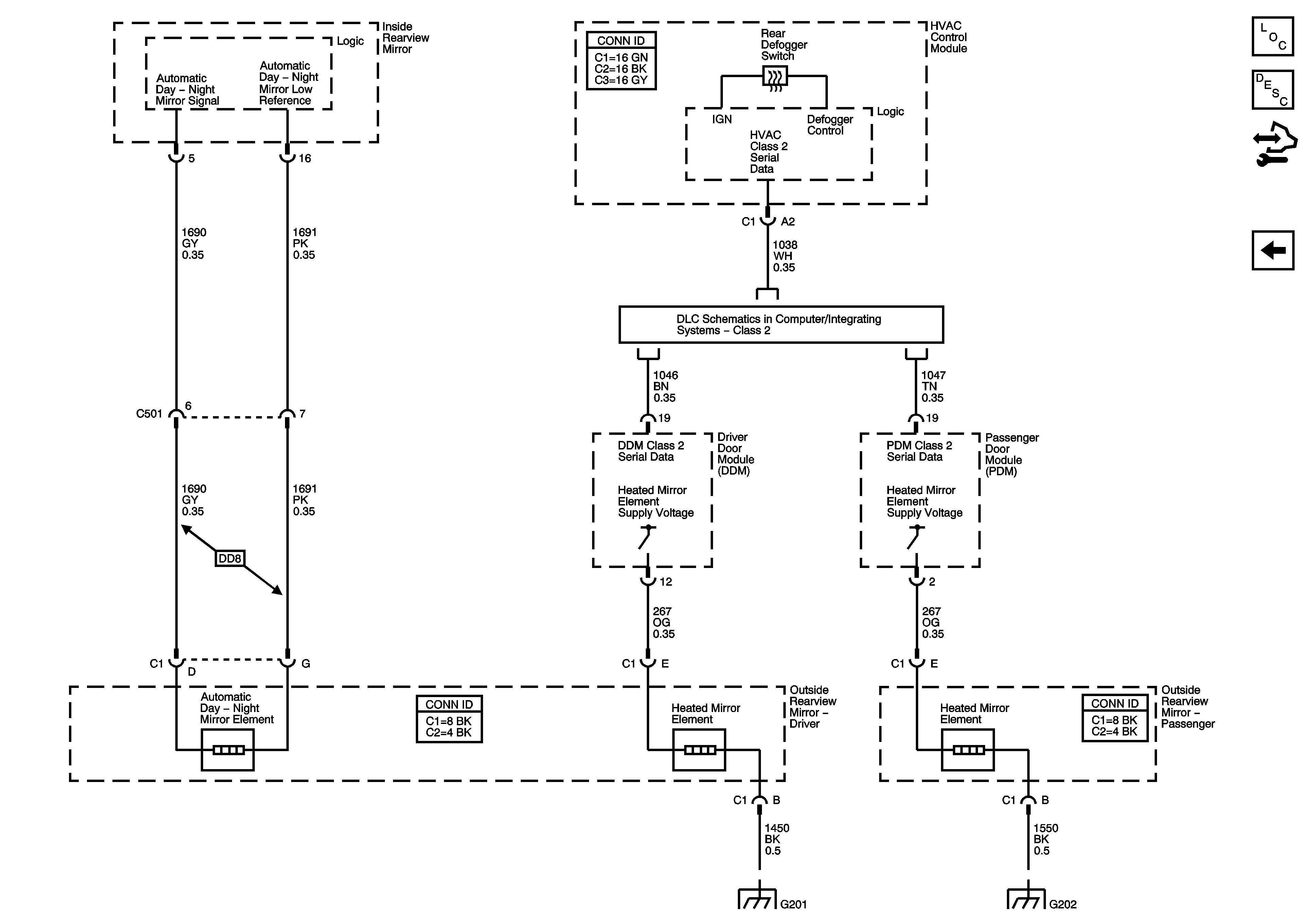
🢒 Dimming Mirror, Heated Mirrors
Dimming Mirror, Heated Mirrors
Dimming Mirror, Heated Mirrors
Master Electrical Component List
Outside Mirror Description and Operation
Control Module References
Memory Power Mirrors
Class 2
G201
G202 1 of 2