GM Service Manual Online
For 1990-2009 cars only
Figure 1:

Coupe (Y07)


Object Number: 1687532  Size: FS
Master Electrical Component List
Luggage Compartment Description and Operation (Coupe)
Control Module References
Convertible (Y67/Y87)
Fuse Block - Underhood BATT1 Fuse, Fuse Block - I/P, DRVR HTD SEAT, and PASS HTD SEAT Fuses, PWR SEATS MEMORY SEATS and PRW/WNDWS TRUNK/FUEL RELSE Circuit Breakers
Fuse Block - Underhood BATT1 Fuse, Fuse Block - I/P, DRVR HTD SEAT, and PASS HTD SEAT Fuses, PWR SEATS MEMORY SEATS and PRW/WNDWS TRUNK/FUEL RELSE Circuit Breakers
Fuse Block - I/P AUX PWR, CIG LTR, and TRUNK RELSE Fuses
Class 2
Rear Compartment Courtesy Lamps
G301
G201
G301
G201
G302, G401, and G402
Figure 2:

Convertible (Y67/Y87)


Object Number: 1687438  Size: FS
Master Electrical Component List
Luggage Compartment Description and Operation (Convertable and Z06)
Control Module References
Manual Folding Top
Coupe (Y07)
Fuse Block - Underhood BATT1 Fuse, Fuse Block - I/P, DRVR HTD SEAT, and PASS HTD SEAT Fuses, PWR SEATS MEMORY SEATS and PRW/WNDWS TRUNK/FUEL RELSE Circuit Breakers
Fuse Block - Underhood BATT1 Fuse, Fuse Block - I/P, DRVR HTD SEAT, and PASS HTD SEAT Fuses, PWR SEATS MEMORY SEATS and PRW/WNDWS TRUNK/FUEL RELSE Circuit Breakers
Fuse Block - I/P AUX PWR, CIG LTR, and TRUNK RELSE Fuses
Class 2
Rear Compartment Courtesy Lamps
G201
G301
G201
G302, G401, and G402
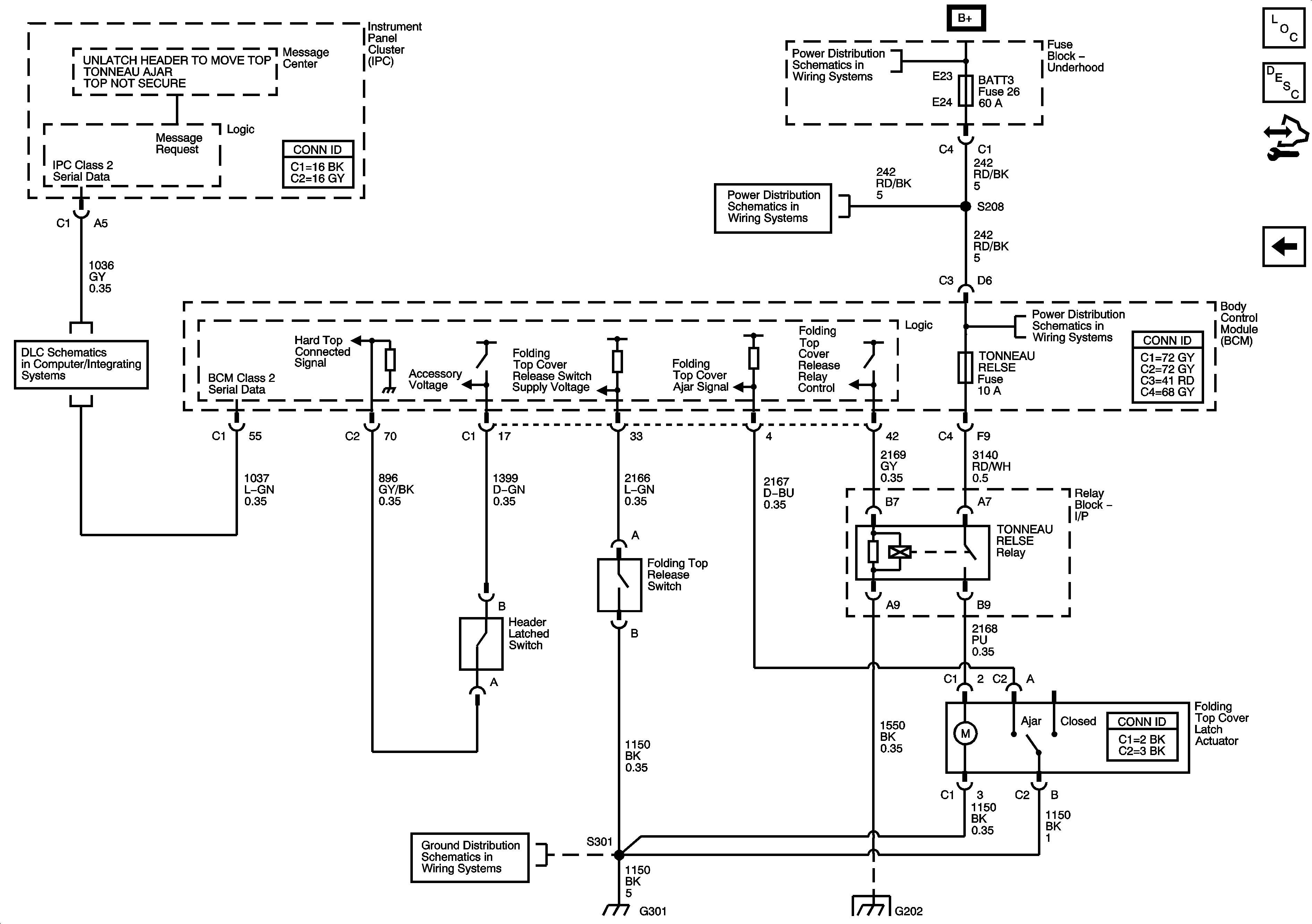
Figure 3:

Manual Folding Top


Object Number: 1687518  Size: FS
Master Electrical Component List
Folding Top Cover Description and Operation
Control Module References
Convertible (Y67/Y87)
Fuse Block - Underhood Bussing
Fuse Block - Underhood BATT3 and STOP/B/U/LAMPS Fuses, BCM Fuses: BTSI SOL/COL LOCK, RDO/S-BAND/VICS, REAR FOG/ALDL/TOP SW, REVERSE LAMPS and TONNEAU RELSE and BCK/UP LAMP and STOP LAMP Relays
Fuse Block - Underhood BATT3 and STOP/B/U/LAMPS Fuses, BCM Fuses: BTSI SOL/COL LOCK, RDO/S-BAND/VICS, REAR FOG/ALDL/TOP SW, REVERSE LAMPS and TONNEAU RELSE and BCK/UP LAMP and STOP LAMP Relays
Class 2
G301
G301
G202, 1 of 2