GM Service Manual Online
For 1990-2009 cars only
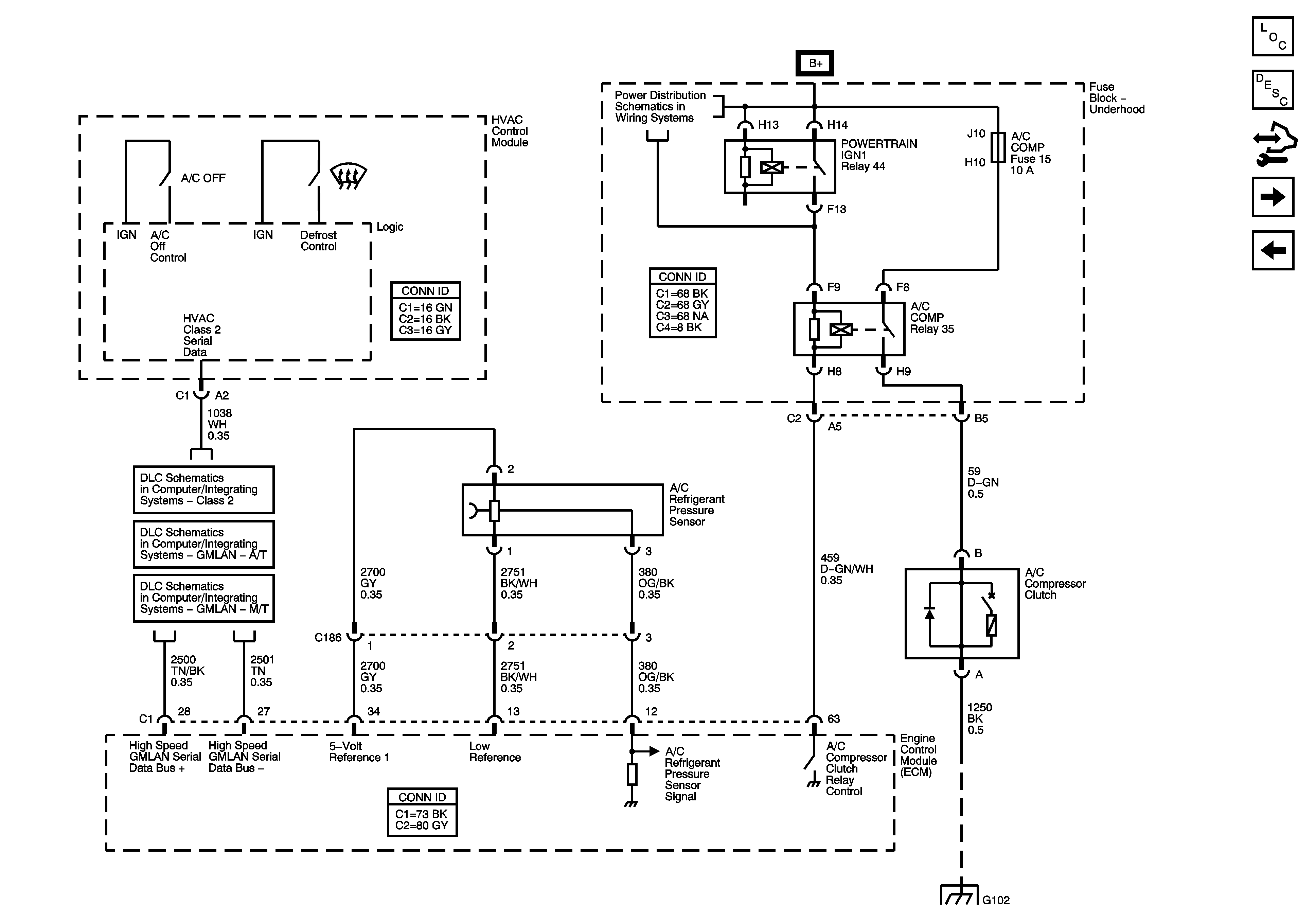
Figure 1:

Blower Controls, DLC, Ground, Power, and Subsystem References


Object Number: 1676312  Size: FS
Master Electrical Component List
Air Delivery Description and Operation
Control Module References
Compressor Controls
Fuse Block - Underhood ABS, AMP, BATT2, COOLFAN, ECM/TCM/EASY KEY, HORN/ALT SENSE, HVAC, and MRRTD Fuses
BCM Fuses: CLSTR/HUD, CRUISE SW, CTSY/LAMP, DR LCK, EXH MOD, HVAC/PWR SND, ISRVM/HVAC and RUN CRNK Relay
BCM Fuses: CLSTR/HUD, CRUISE SW, CTSY/LAMP, DR LCK, EXH MOD, HVAC/PWR SND, ISRVM/HVAC and RUN CRNK Relay
Defogger Schematics
Heated Seat (KA1)
Heated Seat (KA1)
G202, 1 of 2
Class 2
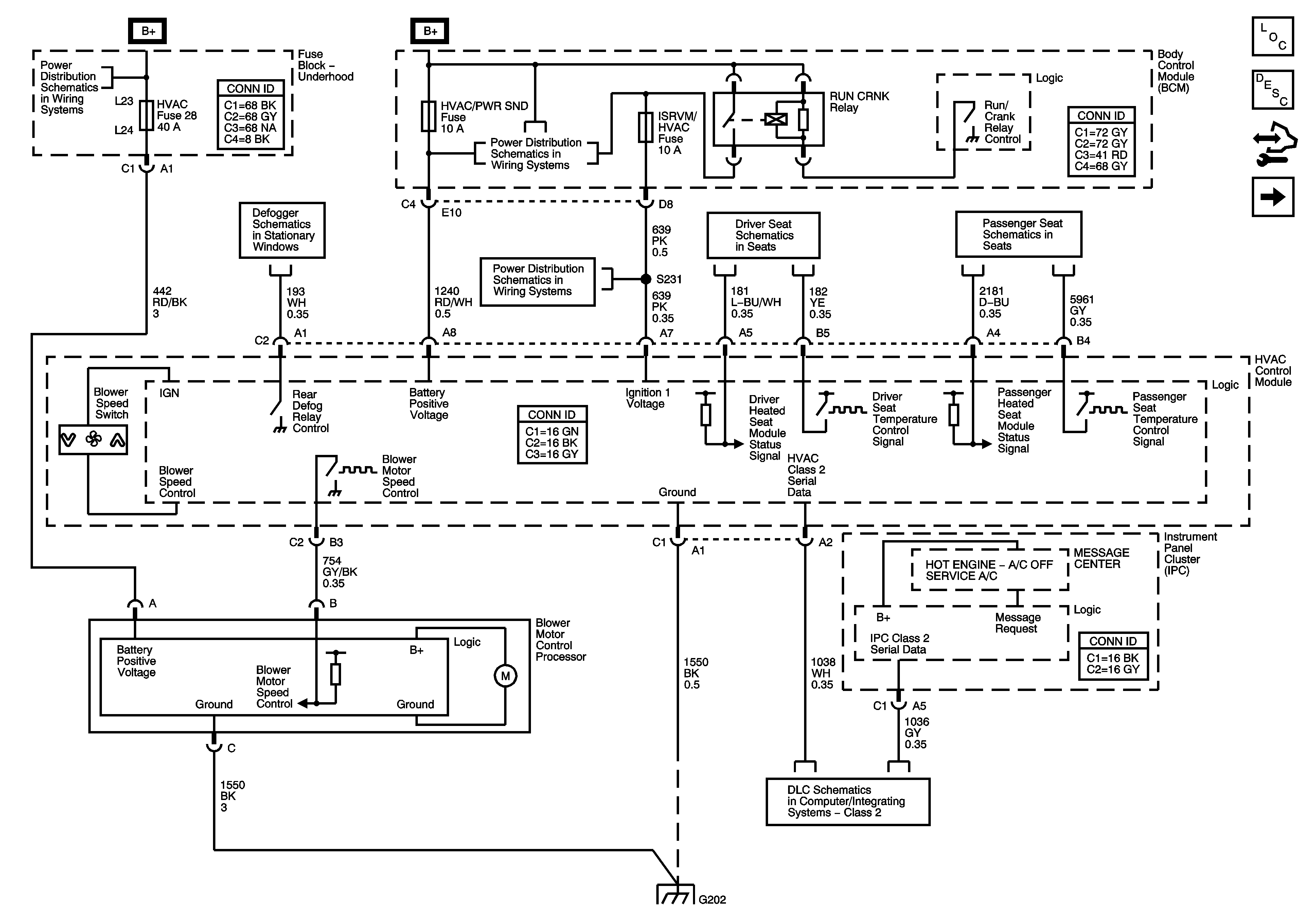
Figure 2:

Compressor Controls


Object Number: 1676257  Size: FS
Master Electrical Component List
Air Delivery Description and Operation
Control Module References
Temperature Sensors
Blower Controls, DLC, Ground, MIL, Power and Subsystem References
Fuse Block - Underhood A/C COMP, EMISSION, EVEN INJ, MAN TRAN SOL, 02 SEN, ODD INJ, and PT INPUT/ETC Fuses, A/C COMP and POWERTRAIN IGN1 Relays
Class 2
GMLAN - A/T
GMLAN - M/T
G102
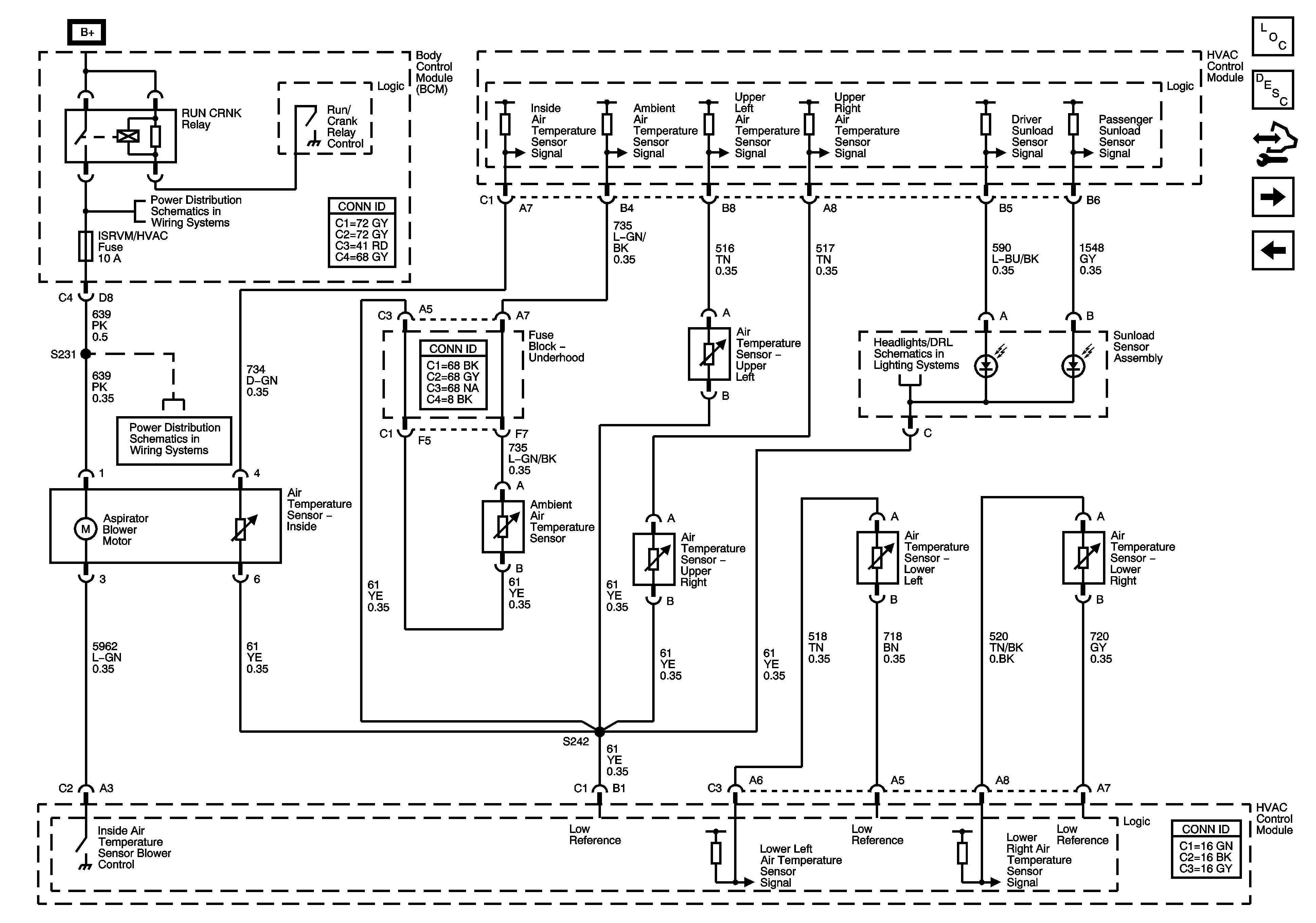
Figure 3:

Temperature Sensors


Object Number: 1676313  Size: FS
Master Electrical Component List
Air Delivery Description and Operation
Control Module References
Actuators
Compressor Controls
BCM Fuses: CLSTR/HUD, CRUISE SW, CTSY/LAMP, DR LCK, EXH MOD, HVAC/PWR SND, ISRVM/HVAC and RUN CRNK Relay
Headlamp/DRL Controls
BCM Fuses: CLSTR/HUD, CRUISE SW, CTSY/LAMP, DR LCK, EXH MOD, HVAC/PWR SND, ISRVM/HVAC and RUN CRNK Relay
Figure 4:

Actuators


Object Number: 1407309  Size: FS
Master Electrical Component List
Air Delivery Description and Operation
Control Module References
Temperature Sensors