GM Service Manual Online
For 1990-2009 cars only
Makes
🢒
Chevrolet
🢒
2006
🢒
Corvette
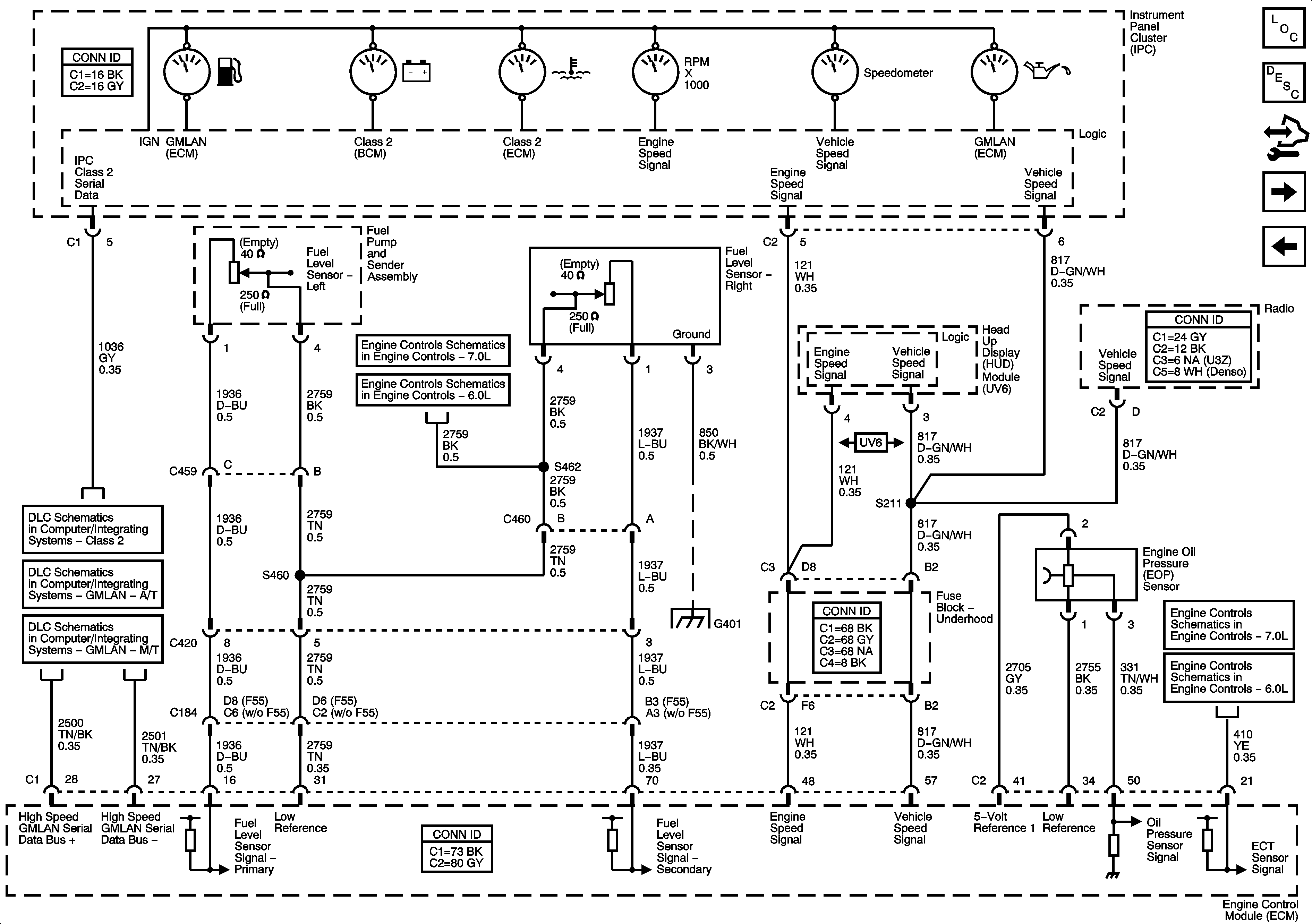
🢒 Gages
Gages
Gages
Master Electrical Component List
Instrument Cluster Description and Operation
Control Module References
Messages
DLC, Ground, Indicators and Power
Engine Data Sensors - Low Reference
Low Reference Bussing
Class 2
GMLAN - A/T
GMLAN - M/T
G302, G401, and G402
Engine Data Sensors - Pressure, Temperature, MAF, VSS, and Extended Brake Travel
Engine Data Sensors - Pressure, Temperature, IAT/MAF, VSS and Brake Travel