GM Service Manual Online
For 1990-2009 cars only
Makes
🢒
Chevrolet
🢒
2006
🢒
Corvette
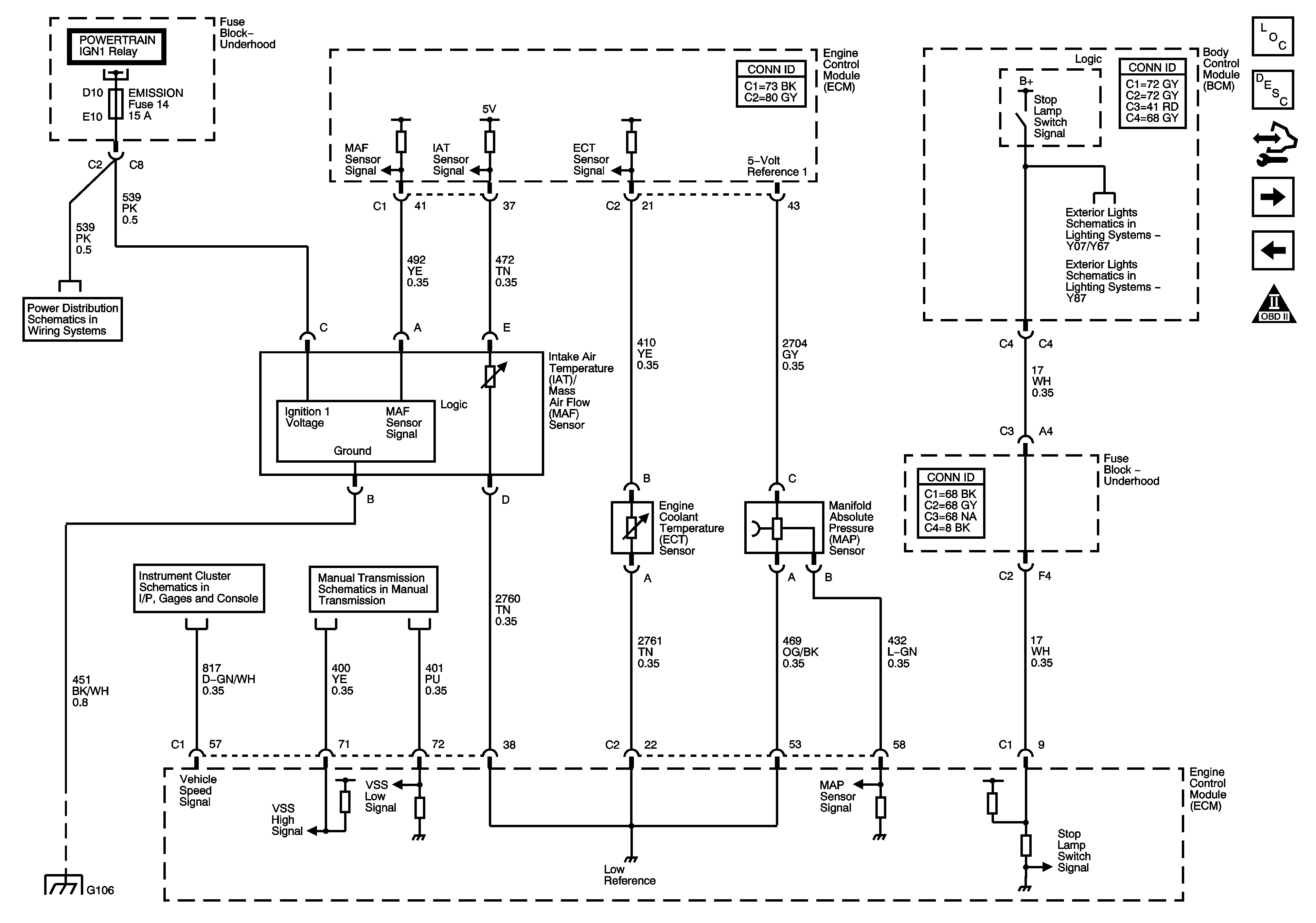
🢒 Engine Data Sensors - Pressure, Temperature, MAF, VSS, and Extended Brake Travel
Engine Data Sensors - Pressure, Temperature, MAF, VSS, and Extended Brake Travel
Engine Data Sensors - Pressure, Temperature, MAF, VSS, and Extended Brake Travel
Master Electrical Component List
Engine Control Module Description
Control Module References
Engine Data Sensors - Oxygen Sensors
Engine Data Sensors - Low Reference
OBD II Symbol Description Notice
DLC, Ground, MIL, and Power
Hazard, Stop Lamps, and Turn Signal Outputs (Y07/Y67)
Hazard, Stop Lamps, and Turn Signal Outputs (Y87)
Fuse Block - Underhood A/C COMP, EMISSION, EVEN INJ, MAN TRAN SOL, 02 SEN, ODD INJ, and PT INPUT/ETC Fuses, A/C COMP and POWERTRAIN IGN1 Relays
Gages
Manual Transmission Schematics
G104, G106, and G303