GM Service Manual Online
For 1990-2009 cars only
Makes
🢒
Chevrolet
🢒
2006
🢒
Corvette
🢒 Ground, Power and Wiper Motor
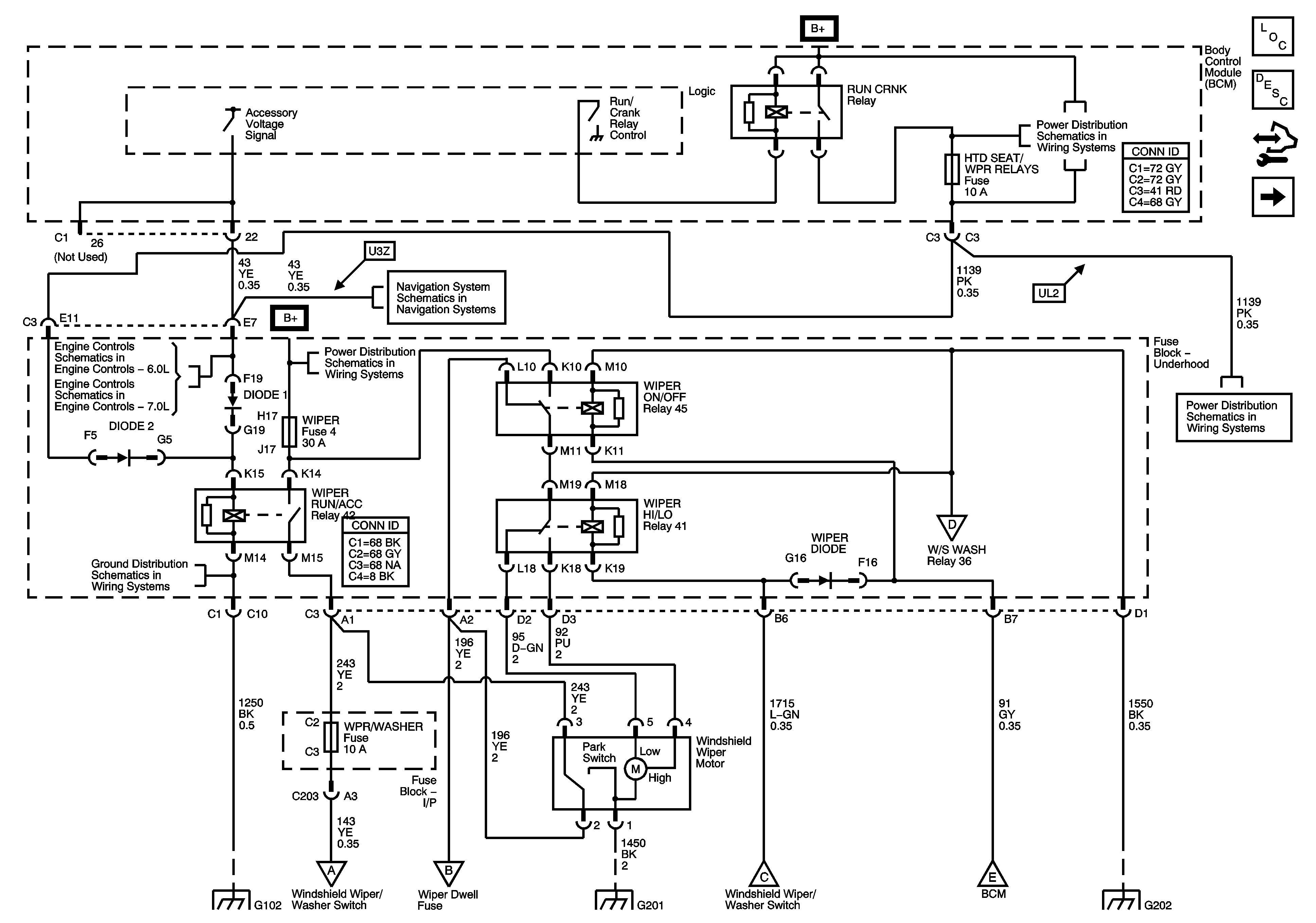
Ground, Power and Wiper Motor
Ground, Power, and Wiper Motor
Master Electrical Component List
Wiper/Washer System Description and Operation
Control Module References
Pumps and Switches
BCM Fuses: CLSTR/HUD, CRUISE SW, CTSY/LAMP, DR LCK, EXH MOD, HVAC/PWR SND, ISRVM/HVAC and RUN CRNK Relay
Japan (UZD)
BCM Fuses: ECM, HTD SEAT/WPR RELAYS, GM LAN RUN/CRNK, and SDM/AOS AIRBAG, Fuse Block - Underhood ABS/MRRTD and TCM/TRANS Fuses and WIPER RUN/ACC Relay
DLC, Ground, MIL and Power
Fuse Block-Underhood LT HI BM,LT LO BM,RT HI BM,RT LO BM,WIPER and W/S WASH Fuses,HIGH BEAM,LOW BEAM,WIPER HI/LO,WIPER ON/OFF,WIPER RUN/ACC and W/S WASH Relays,Fuse Block-I/P WPR DWELL and WPR/WASHER
G102
Pumps and Switches
G102
Pumps and Switches
Pumps and Switches
G201
Pumps and Switches
Pumps and Switches
G202, 1 of 2