GM Service Manual Online
For 1990-2009 cars only
Makes
🢒
Chevrolet
🢒
2006
🢒
Corvette
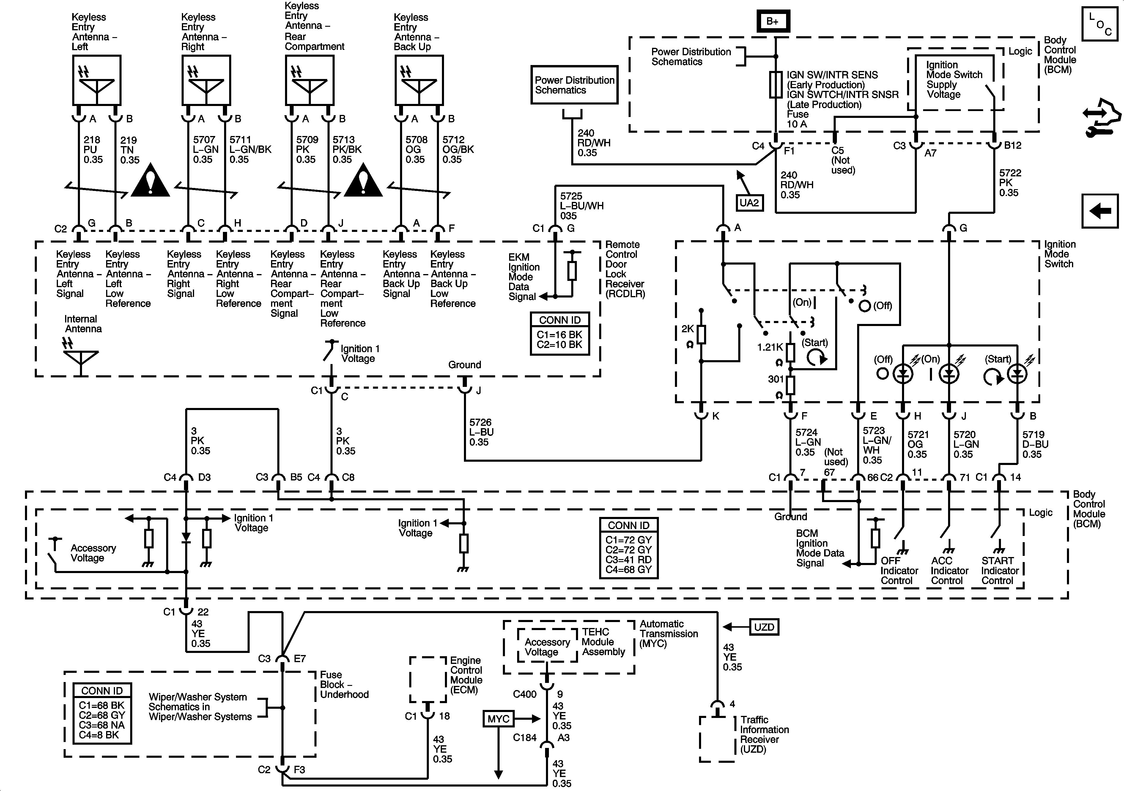
🢒 Ignition Modes
Ignition Modes
Ignition Modes
Master Electrical Component List
Control Module References
Fuse Block-Underhood LT HI BM,LT LO BM,RT HI BM,RT LO BM,WIPER and W/S WASH Fuses,HIGH BEAM,LOW BEAM,WIPER HI/LO,WIPER ON/OFF,WIPER RUN/ACC and W/S WASH Relays,Fuse Block-I/P WPR DWELL and WPR/WASHER
Fuse Block - Underhood Fuse BATT5, BCM Fuses: DRIV DR SW, IGN SW/INTR SENS, ONSTAR, TELE SW/MEM SEAT MOD, and TPA
Fuse Block - Underhood Fuse BATT5, BCM Fuses: DRIV DR SW, IGN SW/INTR SENS, ONSTAR, TELE SW/MEM SEAT MOD, and TPA
Power and Grounding Schematic Icons
Power and Grounding Schematic Icons
Ground, Power and Wiper Motor