GM Service Manual Online
For 1990-2009 cars only
Makes
🢒
Chevrolet
🢒
2007
🢒
Corvette
🢒 Blower Controls, DLC, Ground, Power and Subsystem References
Blower Controls, DLC, Ground, Power and Subsystem References
Blower Controls, DLC, Ground, Power, and Subsystem References
Master Electrical Component List
Air Delivery Description and Operation
Control Module References
Compressor Controls
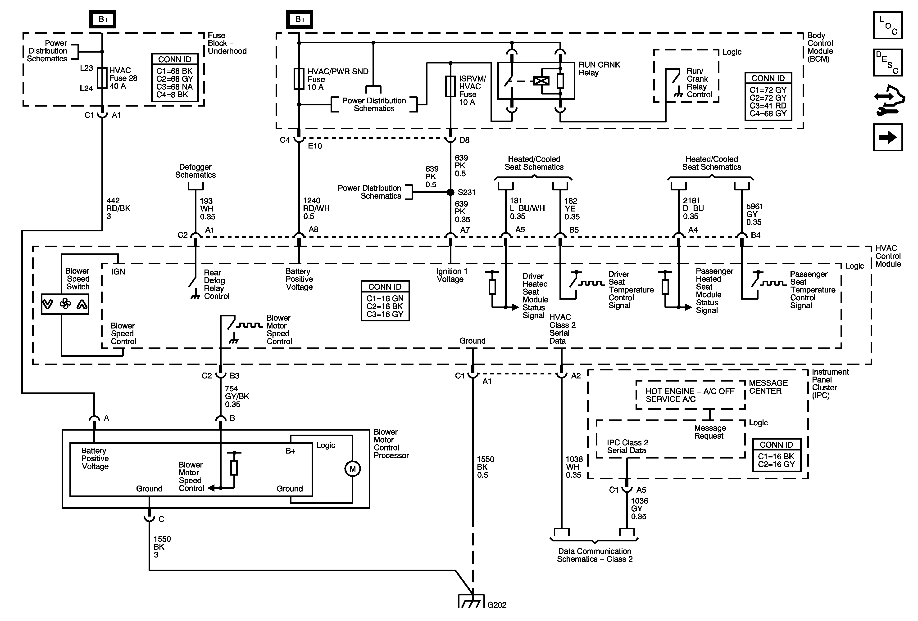
Fuse Block - Underhood ABS, AMP, BATT2, COOLFAN, ECM/TCM/EASY KEY, HORN/ALT SENSE, HVAC, and MRRTD Fuses
BCM Fuses: CLSTR/HUD, CRUISE SWTCH, CTSY/LAMP, DR LCK, EXH MDL, HVAC/PWR SND, ISRVM/HVAC and RUN CRNK Relay
BCM Fuses: CLSTR/HUD, CRUISE SWTCH, CTSY/LAMP, DR LCK, EXH MDL, HVAC/PWR SND, ISRVM/HVAC and RUN CRNK Relay
Defogger Schematics
Driver Heated Seat (KA1)
Passenger Heated Seat (KA1)
G202, 1 of 2
Class 2