GM Service Manual Online
For 1990-2009 cars only
Makes
🢒
Chevrolet
🢒
2007
🢒
Corvette
🢒 Driver
Driver
Driver
Master Electrical Component List
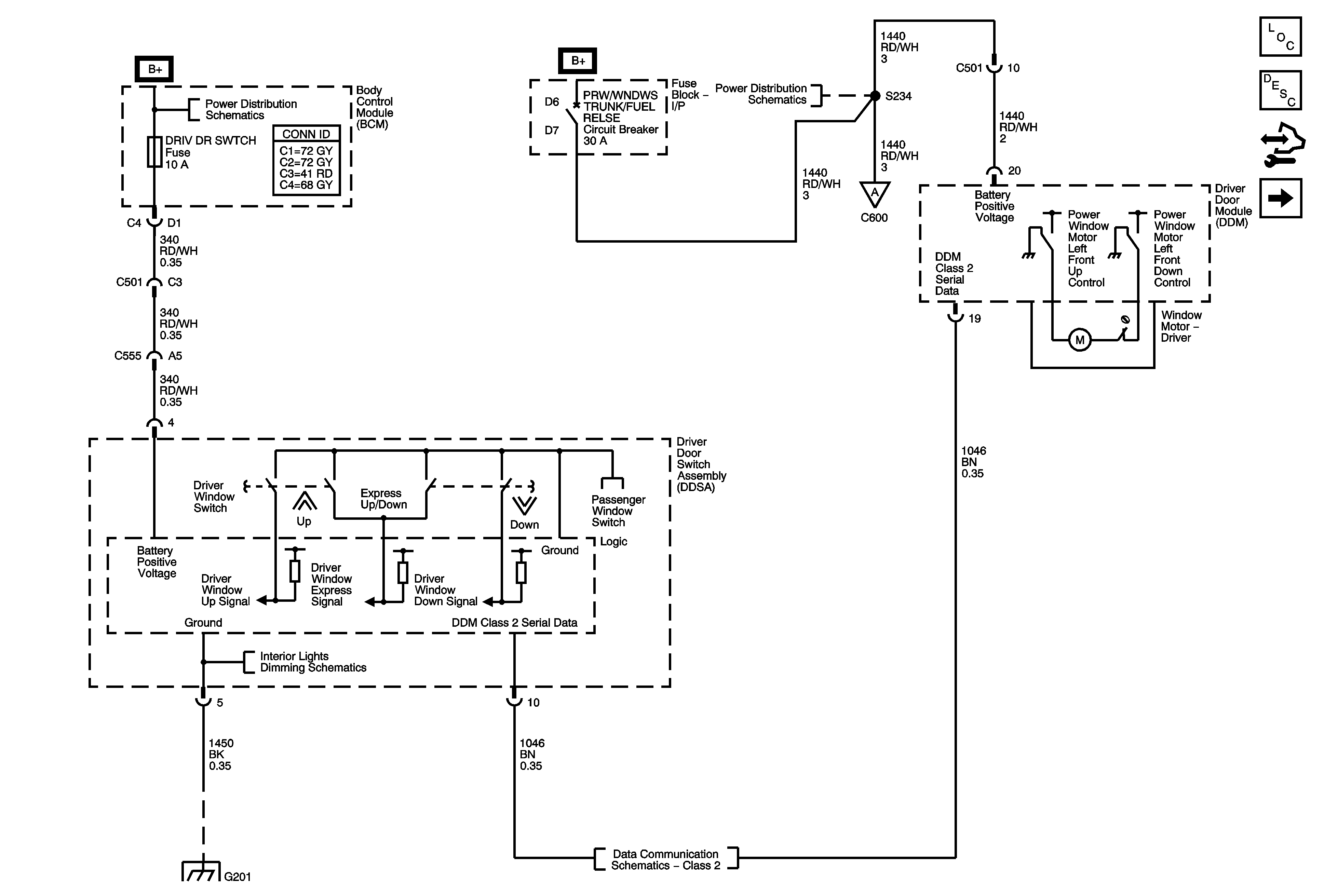
Power Windows Description and Operation
Control Module References
Passenger
Fuse Block - Underhood Fuse BATT5 BCM Fuses: DRIV DR SW, IGN SW/INTR SENS, ONSTAR, TELE SW/MEM SEAT MOD, and TPA
Passenger
DLC, HVAC Control Module, Radio and Switches
G201
Class 2