GM Service Manual Online
For 1990-2009 cars only
Makes
🢒
Chevrolet
🢒
2007
🢒
Corvette
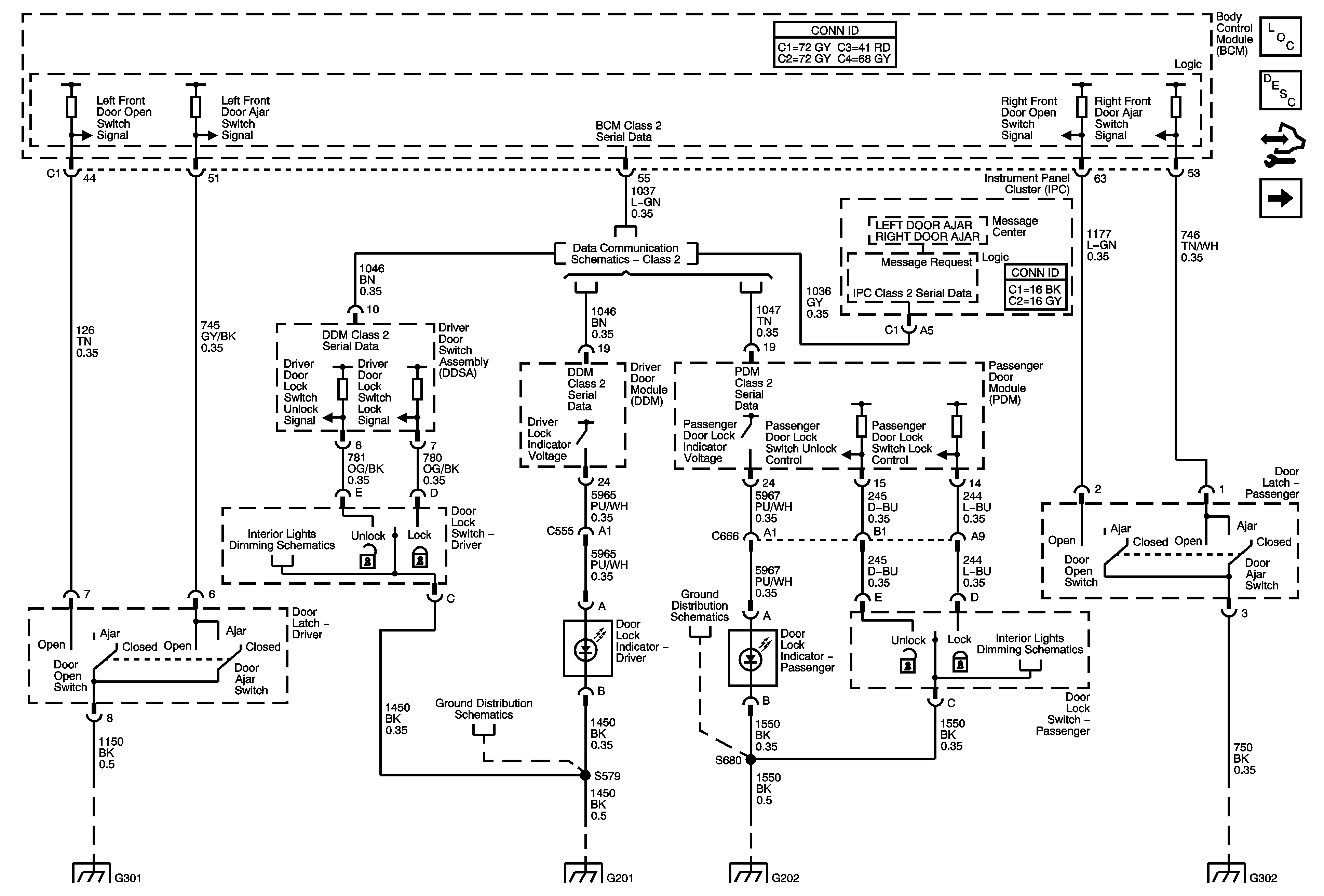
🢒 Indicators, Messages and Ajar/Open/Lock Switches
Indicators, Messages and Ajar/Open/Lock Switches
Indicators, Messages and Ajar/Open/Lock Switches
Master Electrical Component List
Power Door Locks Description and Operation
Control Module References
Actuators and Handle Switches
Class 2
DLC, HVAC Control Module, Radio and Switches
G201
G202, 1 of 2
DLC, HVAC Control Module, Radio and Switches
G301
G201
G202, 1 of 2
G302, G401, and G402