GM Service Manual Online
For 1990-2009 cars only
Makes
🢒
Chevrolet
🢒
2007
🢒
Corvette
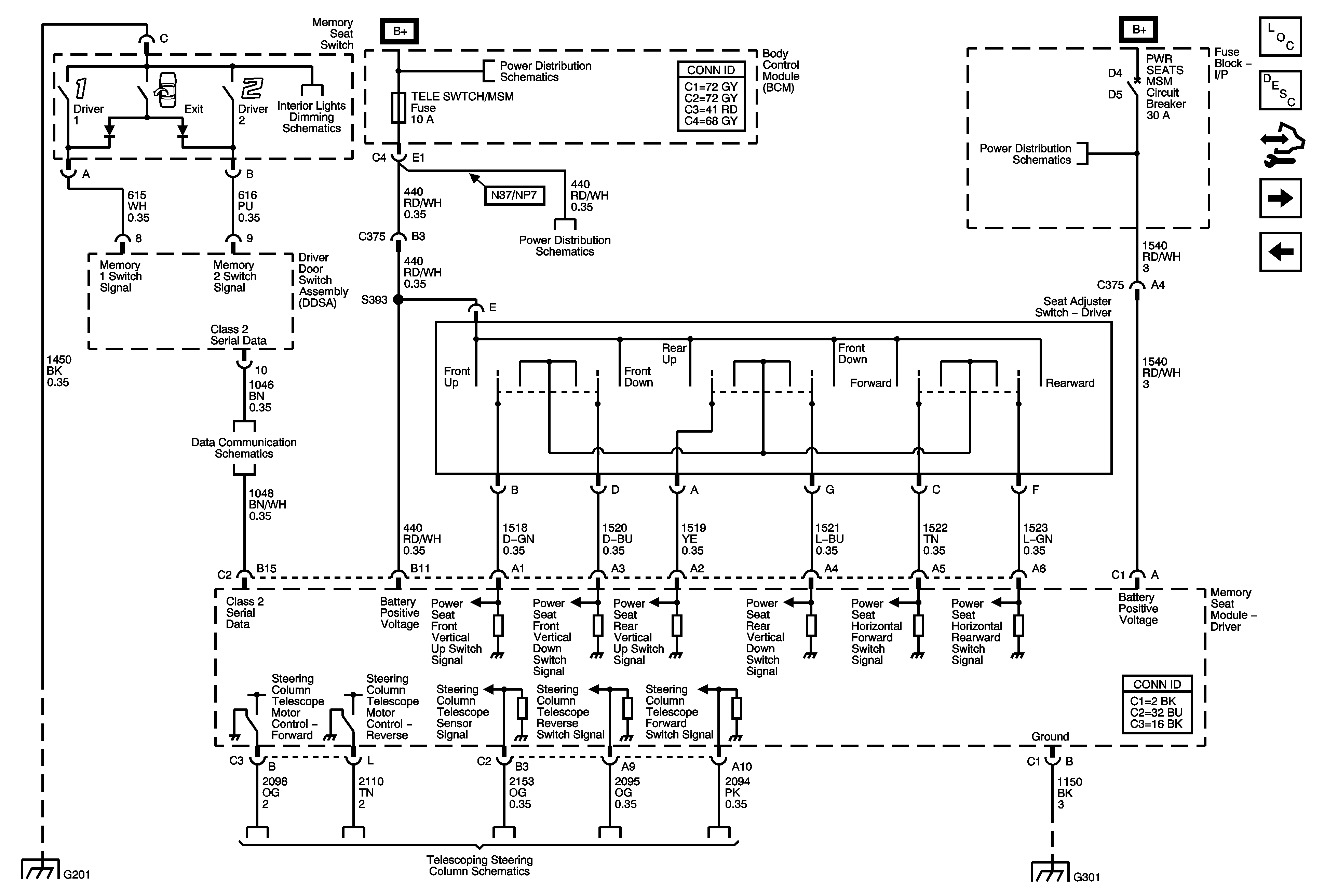
🢒 Memory Seat (AAB) 1 of 2
Memory Seat (AAB) 1 of 2
Memory Seat (AAB) 1 of 2
Master Electrical Component List
Power Seats System Description and Operation
Control Module References
Memory Seat (AAB) 2 of 2
6-Way Power Seat (w/o AAB)
Fuse Block - Underhood Fuse BATT5 BCM Fuses: DRIV DR SW, IGN SW/INTR SENS, ONSTAR, TELE SW/MEM SEAT MOD, and TPA
Fuse Block - Underhood BATT1 Fuse, Fuse Block - I/P, DRVR HTD SEAT, PASS HTD SEAT Fuses, PWR SEATS MSM and PRW/WNDWS TRUNK/FUEL RELSE Circuit Breakers
DLC, HVAC Control Module, Radio and Switches
Fuse Block - Underhood Fuse BATT5 BCM Fuses: DRIV DR SW, IGN SW/INTR SENS, ONSTAR, TELE SW/MEM SEAT MOD, and TPA
Class 2
G201
Tilt/Telescoping Steering Column Schematics (N37/NP7)
G301