GM Service Manual Online
For 1990-2009 cars only
Makes
🢒
Chevrolet
🢒
2007
🢒
Corvette
🢒 Antenna, DLC, Ground, Power and User Inputs
Antenna, DLC, Ground, Power and User Inputs
Antenna, DLC, Ground, Power and User Inputs
Master Electrical Component List
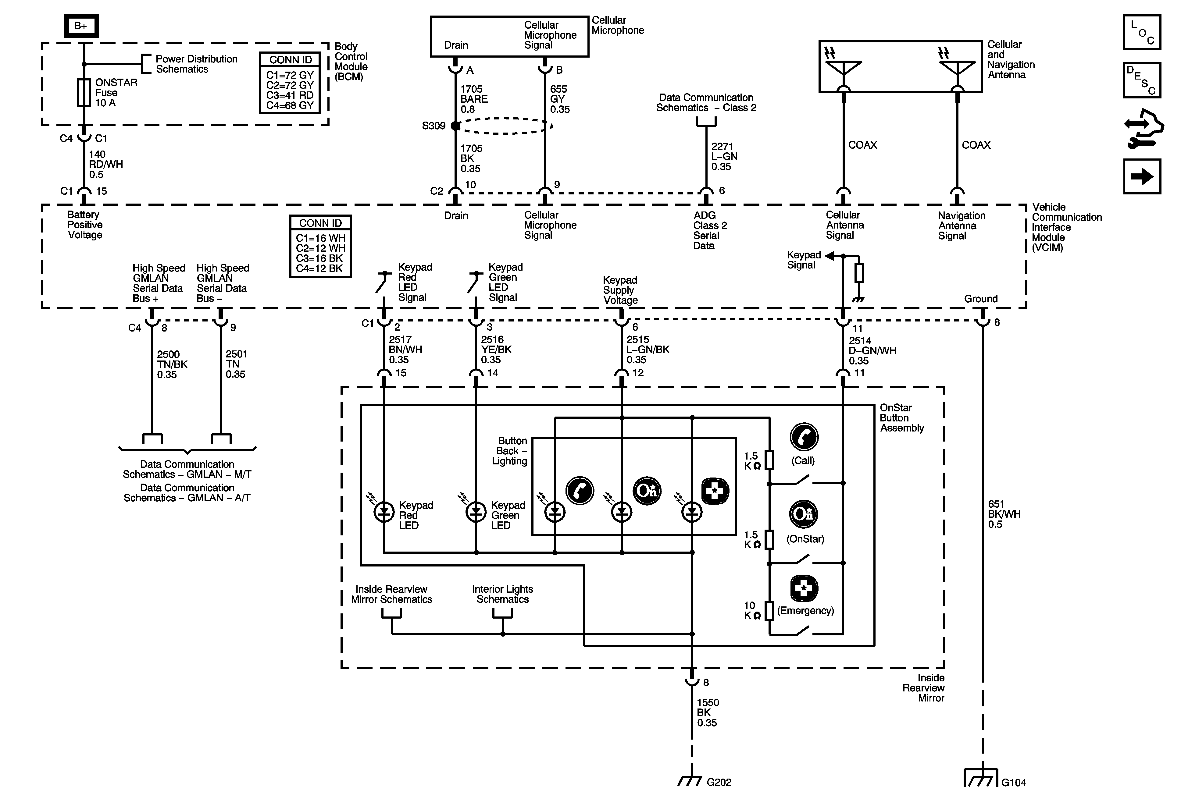
OnStar Description and Operation
Control Module References
Audio Output
Fuse Block - Underhood Fuse BATT5 BCM Fuses: DRIV DR SW, IGN SW/INTR SENS, ONSTAR, TELE SW/MEM SEAT MOD, and TPA
Class 2
GMLAN - M/T
GMLAN - A/T
Inside Rearview Mirror Schematics
Passenger Compartment Lamps
G202, 1 of 2
G104, G106, and G303